GM Service Manual Online
For 1990-2009 cars only
Makes
🢒
Chevrolet
🢒
2002
🢒
Alero Export
🢒
Engine
🢒
Engine Electrical
🢒 Starting and Charging Schematics
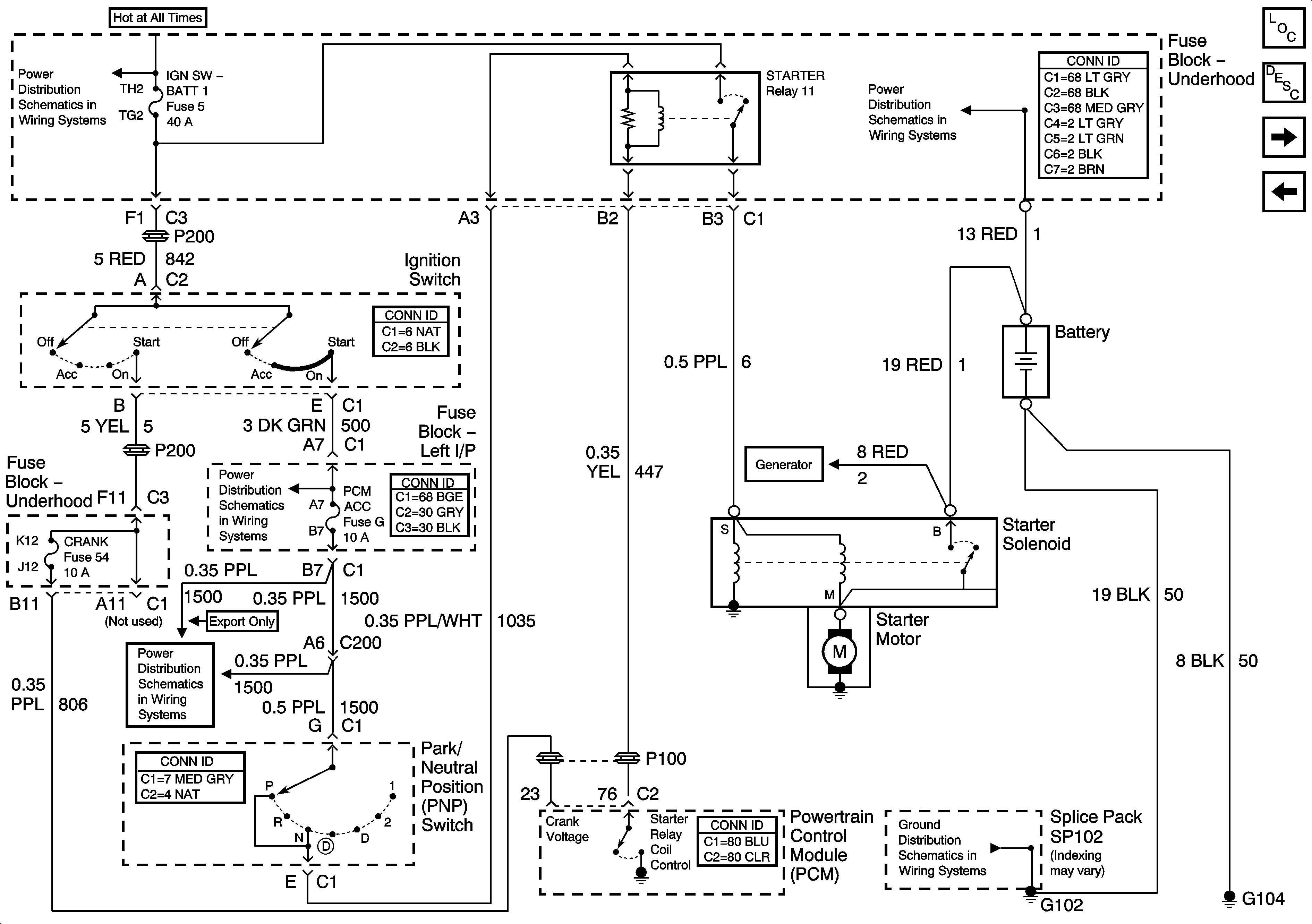
Figure
1:
Starting System - L61
Master Electrical Component List
Starting System Description and Operation
Starting System - LA1 - w/ PCM Controlled Start
IGN SW-BATT1, HTR-A/C, ERLS, CRANK, PCM ACC, IPC/BFC/ACC Fuses
B+ Bus Bar
Charging System
G102 and G104
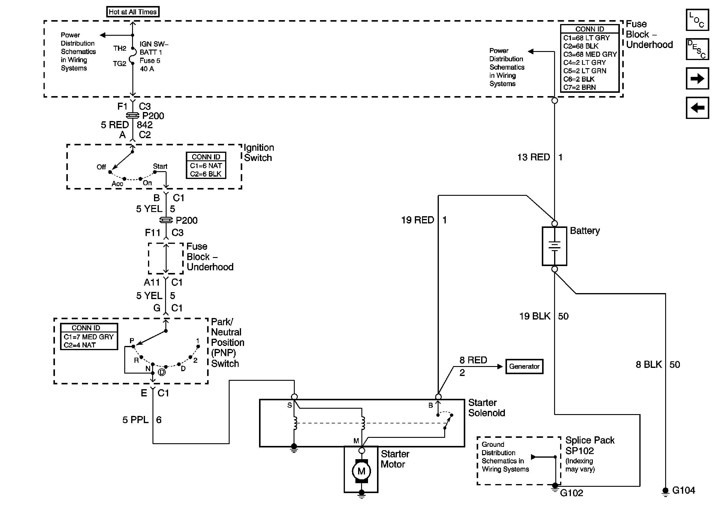
Figure
2:
Starting System - LA1 - w/PCM Controlled Start
Master Electrical Component List
Starting System Description and Operation
Charging System
Starting System - L61
IGN SW-BATT1, HTR-A/C, ERLS, CRANK, PCM ACC, IPC/BFC/ACC Fuses
B+ Bus Bar
Charging System
G102 and G104
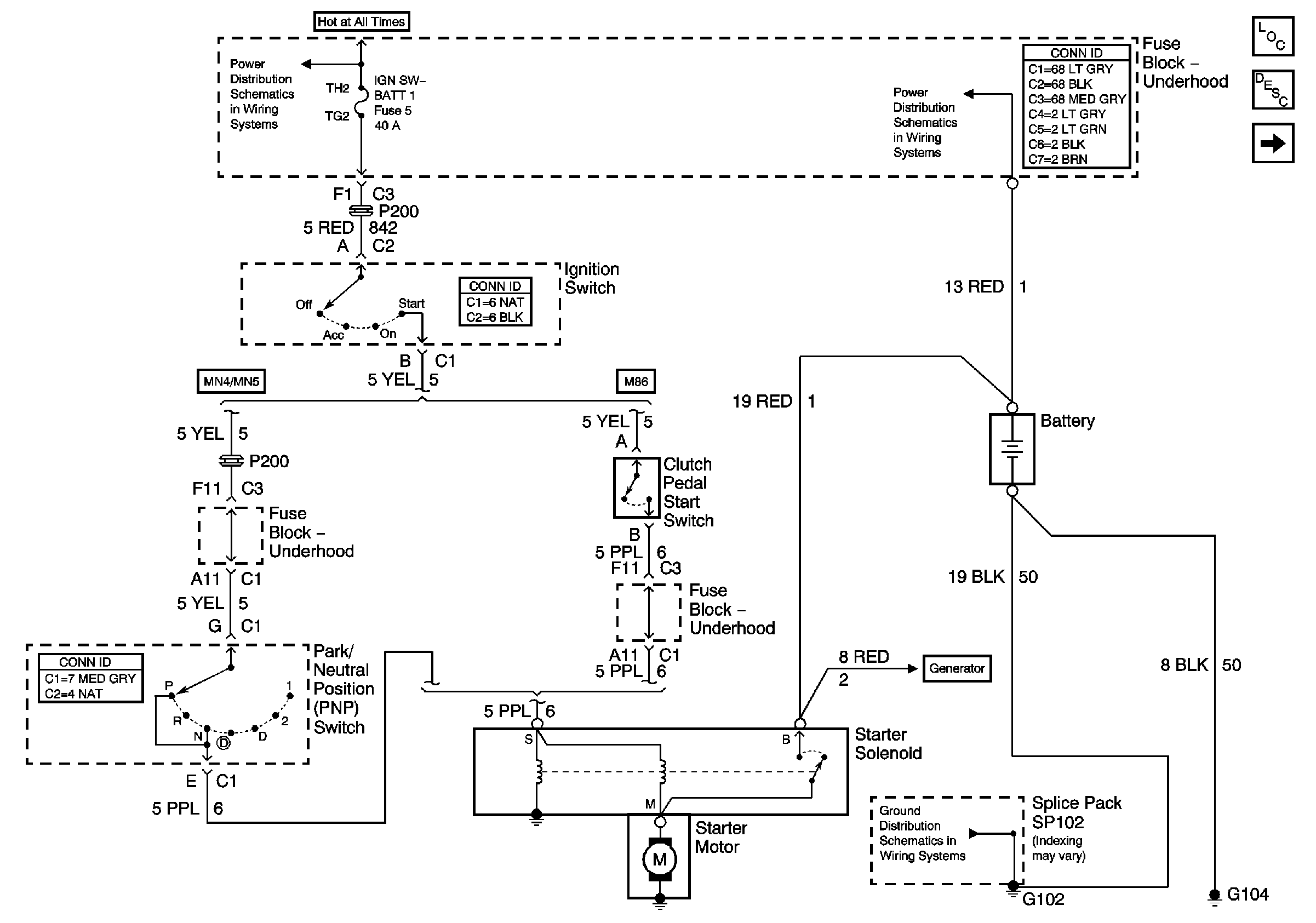
Figure
3:
Starting System -- LA1 -- w/o PCM Controlled Start
Master Electrical Component List
Starting System Description and Operation
Charging System
Starting System - LA1 - w/ PCM Controlled Start
IGN SW-BATT2, WIPER, AIR BAG, TURN LPS, IGN MOD, B/U LP/BTSI, PCM IGN, F/P INJR, A/C BFC, AUTO TRANS, ABS/EVO/IGN Fuses
B+ Bus Bar
Charging System
G102 and G104
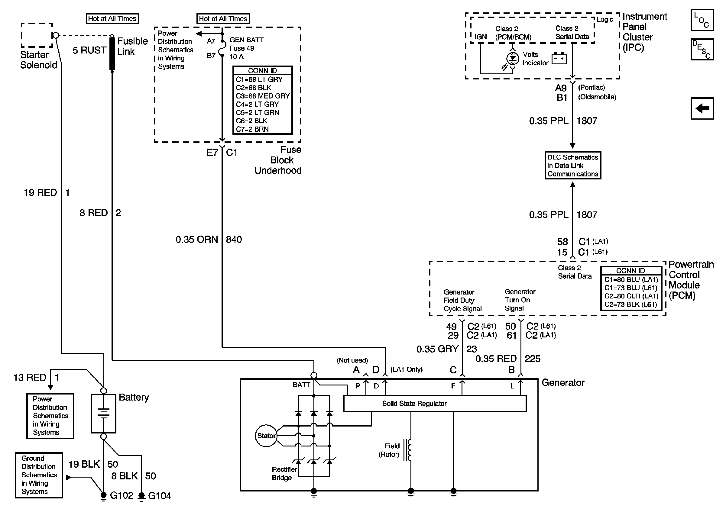
Figure
4:
Charging System
Master Electrical Component List
Charging System Description and Operation
Starting System - LA1 - w/ PCM Controlled Start
RH HDLP, LH HDLP, GEN BATT, LH BEC BATT2, STOP LPS, HAZARD LPS, IPC/HVAC BATT, BFC BATT Fuses
B+ Bus Bar
G102 and G104
Data Link Connector (DLC) Schematics