GM Service Manual Online
For 1990-2009 cars only
Makes
🢒
Chevrolet
🢒
2002
🢒
Alero Export
🢒
Engine
🢒
Engine Electrical
🢒 Antilock Brake System Schematics
Figure
1:
Power and Ground
Master Electrical Component List
ABS Description and Operation
Wheel Speed Sensors
IGN SW-BATT2, WIPER, AIR BAG, TURN LPS, IGN MOD, B/U LP/BTSI, PCM IGN, F/P INJR, A/C BFC, AUTO TRANS, ABS/EVO/IGN Fuses
RH BEC BATT, ABS, COOL FAN (V6) GROUND, INT LPS, RADIO BATT, FOG LPS Fuses
G103 and G105
Data Link Connector (DLC) Schematics
Figure
2:
Wheel Speed Sensors
Master Electrical Component List
ABS Description and Operation
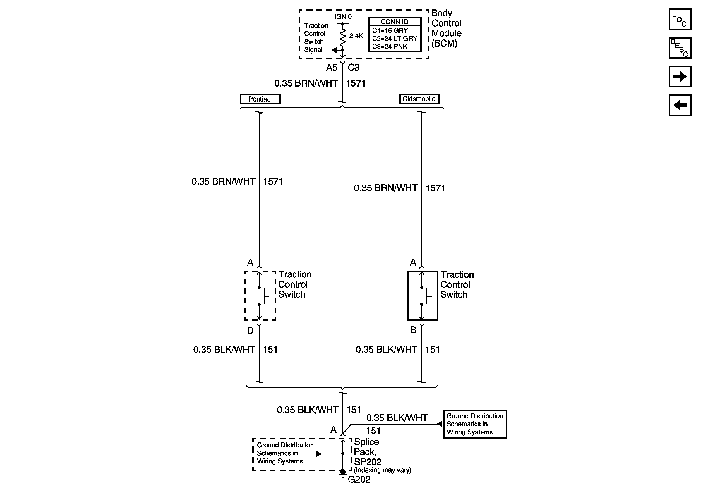
Traction Control Switch
Power and Ground
Antilock Brake System Schematic Icons
Antilock Brake System Schematic Icons
Figure
3:
Traction Control Switch
Master Electrical Component List
ABS Description and Operation
Stop Lamp Switch and Steering References
Wheel Speed Sensors
G202
G202
Figure
4:
Stop Lamp Switch and Steering References
Master Electrical Component List
ABS Description and Operation
Traction Control Switch
RH HDLP, LH HDLP, GEN BATT, LH BEC BATT2, STOP LPS, HAZARD LPS, IPC/HVAC BATT, BFC BATT Fuses
Stop Lamps
Stop Lamp Switch
Steering Controls Schematics