GM Service Manual Online
For 1990-2009 cars only
Makes
🢒
Chevrolet
🢒
2002
🢒
Alero Export
🢒
Body and Accessories
🢒
Cruise Control
🢒 Cruise Control Schematics
Figure
1:
Power and Ground
Master Electrical Component List
Cruise Control Description and Operation
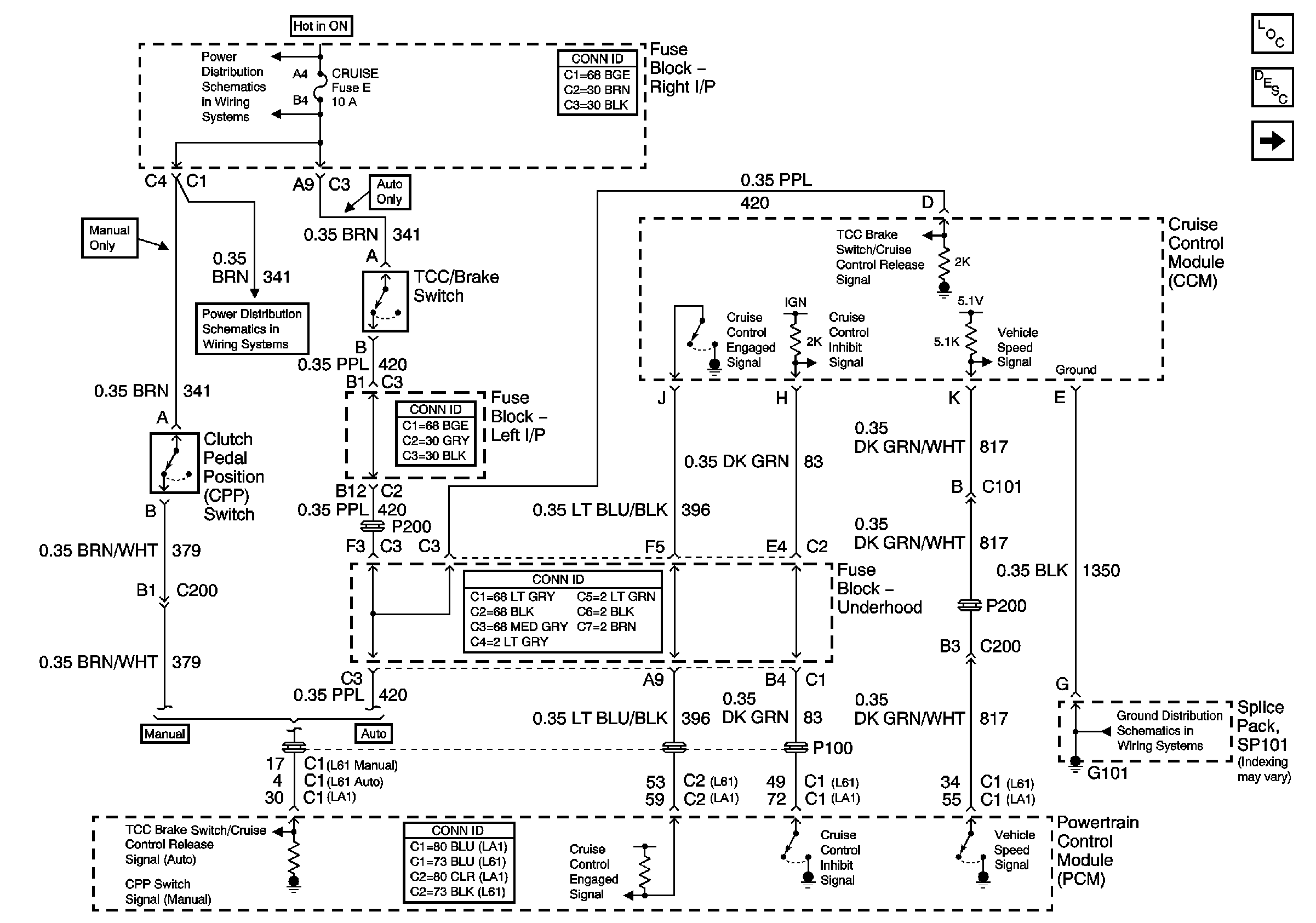
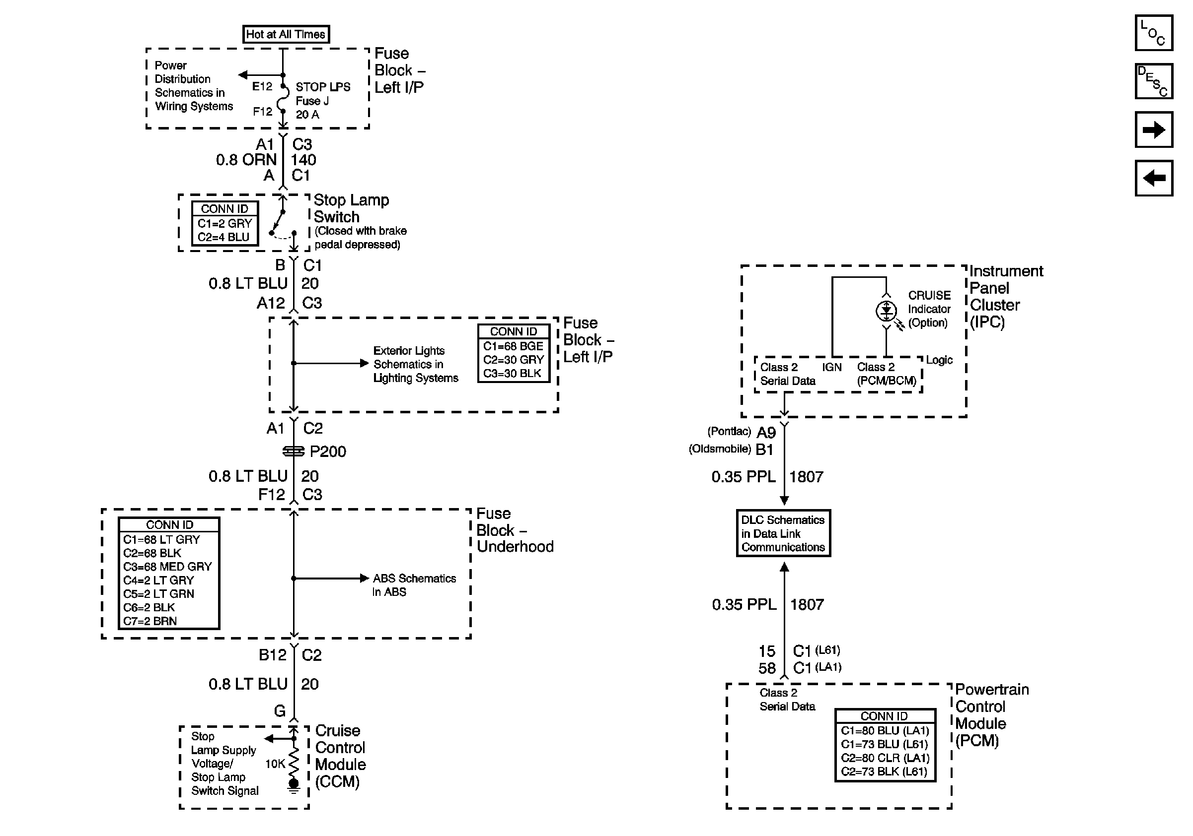
Stop Lamp Switch
PWR WNDW, Circuit Breaker, CRUISE SW, CRUISE, SUNROOF, HVAC BLOWER Fuses
PWR WNDW, Circuit Breaker, CRUISE SW, CRUISE, SUNROOF, HVAC BLOWER Fuses
G101
Figure
2:
Stop Lamp Switch
Master Electrical Component List
Cruise Control Description and Operation
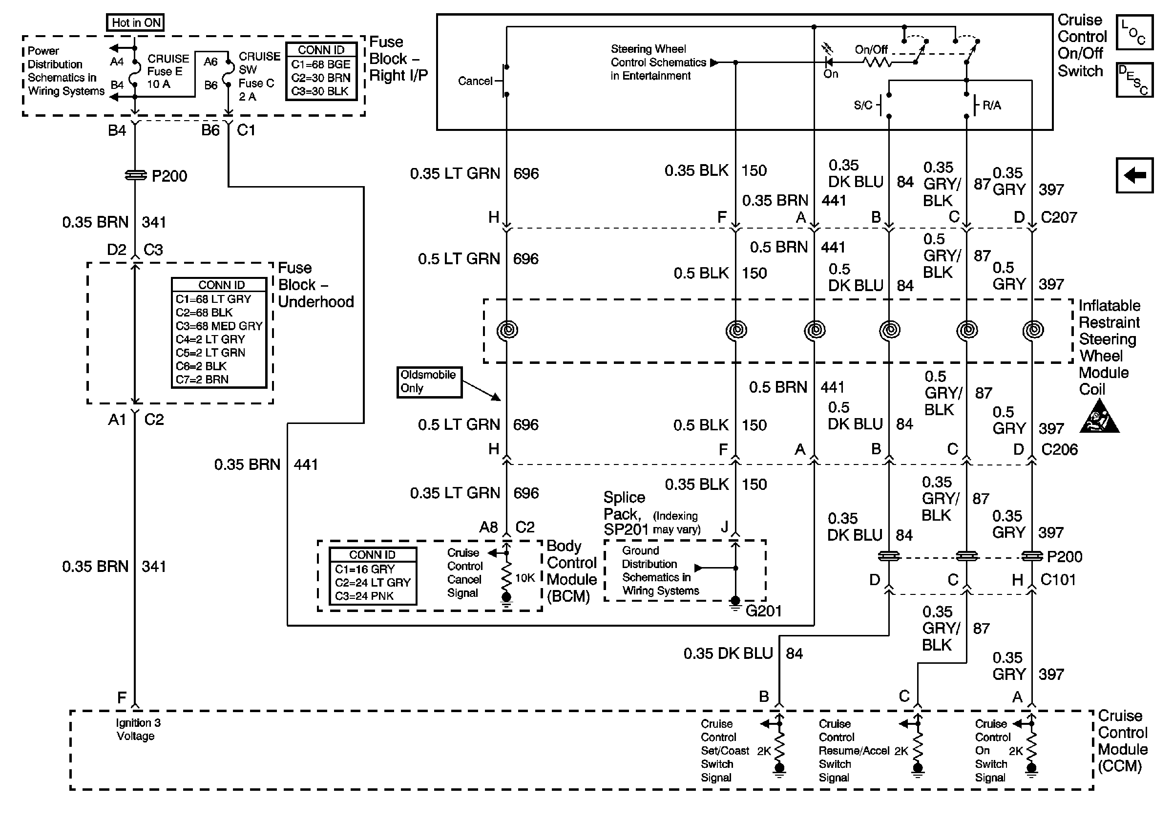
Cruise Control ON/OFF Switch
Power and Ground
RH HDLP, LH HDLP, GEN BATT, LH BEC BATT2, STOP LPS, HAZARD LPS, IPC/HVAC BATT, BFC BATT Fuses
Stop Lamps
Stop Lamp Switch and Steering References
Figure
3:
Cruise Control ON/OFF Switch
Master Electrical Component List
Cruise Control Description and Operation
Stop Lamp Switch
PWR WNDW, Circuit Breaker, CRUISE SW, CRUISE, SUNROOF, HVAC BLOWER Fuses
G201
SIR Handling Caution