GM Service Manual Online
For 1990-2009 cars only
Makes
🢒
Chevrolet
🢒
2002
🢒
Alero Export
🢒
Body and Accessories
🢒
Lighting Systems
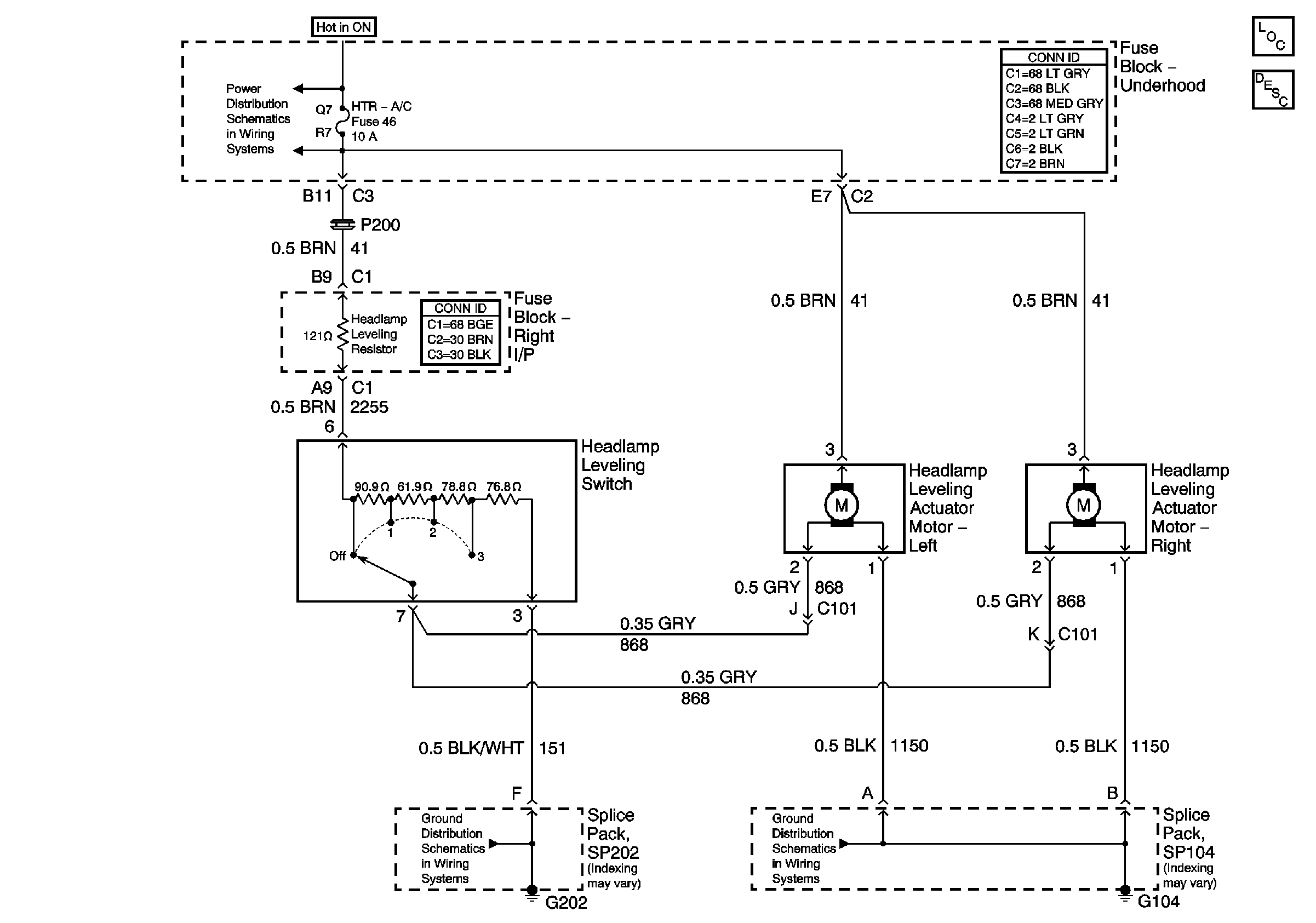
🢒 Headlight Leveling Schematics
Master Electrical Component List
Exterior Lighting Systems Description and Operation
IGN SW-BATT1, HTR-A/C, ERLS, CRANK, PCM ACC, IPC/BFC/ACC Fuses
G202
Ground Distribution Schematics - G104 - Export Only