GM Service Manual Online
For 1990-2009 cars only
Makes
🢒
Chevrolet
🢒
2002
🢒
Alero Export
🢒
Body and Accessories
🢒
Wiring Systems
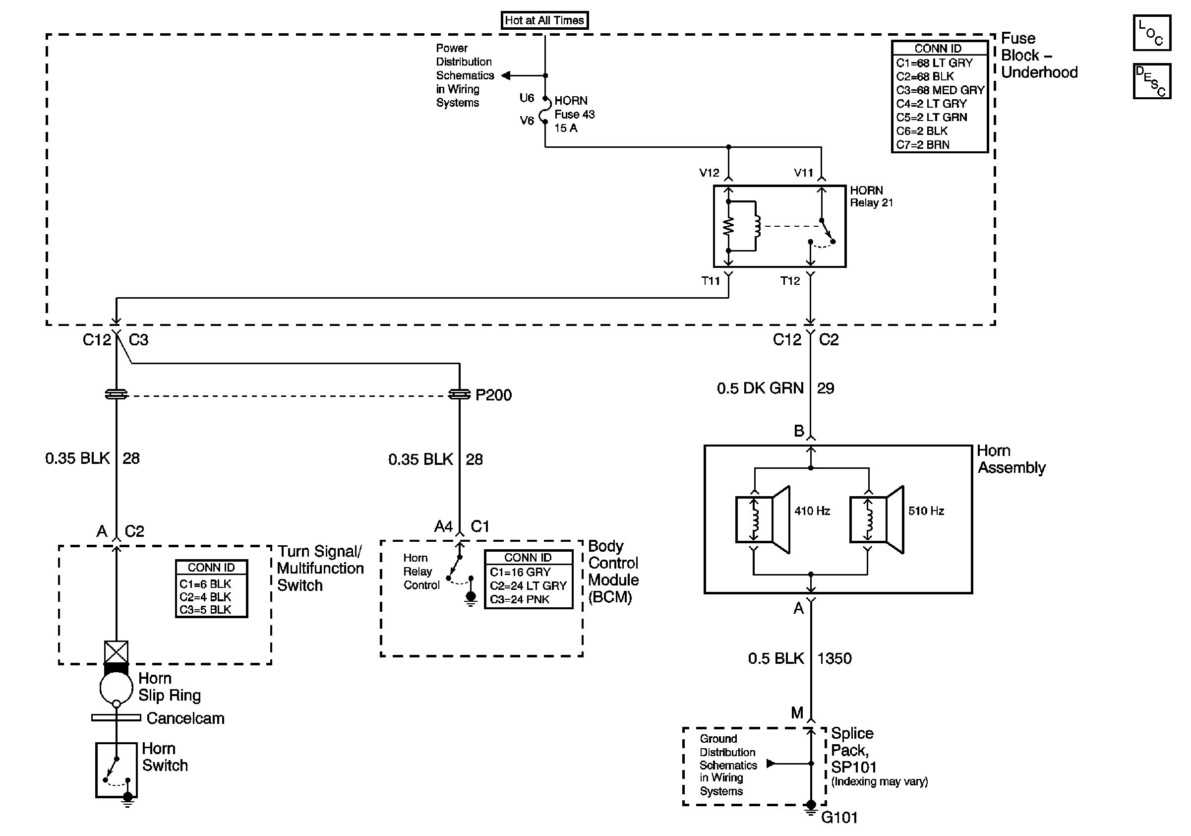
🢒 Horn Schematics
Master Electrical Component List
Horns System Description and Operation
B+ Bus Bar
G101