GM Service Manual Online
For 1990-2009 cars only
Makes
🢒
Chevrolet
🢒
2002
🢒
Alero Export
🢒
Body and Accessories
🢒
Wiring Systems
🢒 Fog Lights Schematics
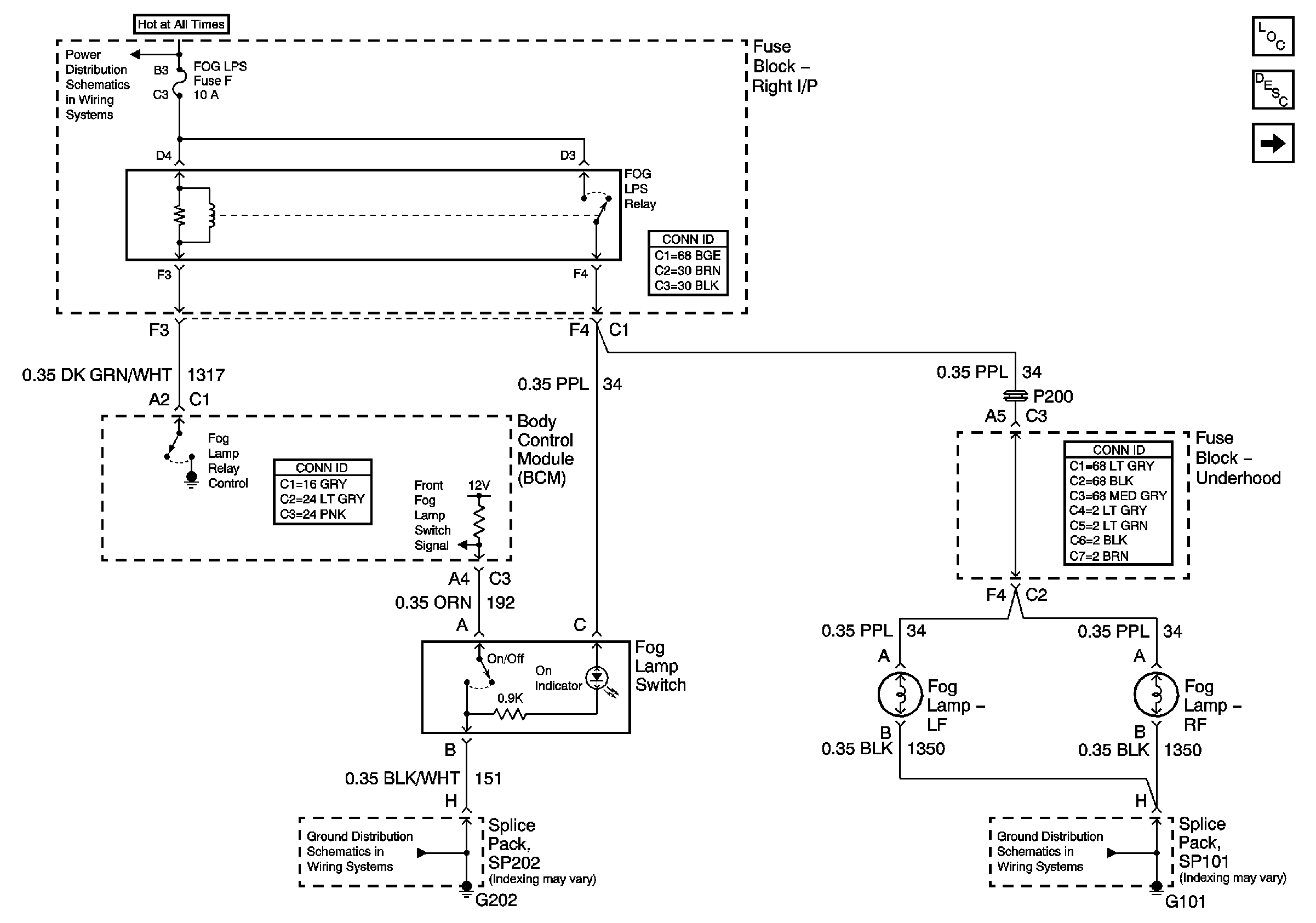
Figure
1:
Front Fog Lamps
Master Electrical Component List
Exterior Lighting Systems Description and Operation
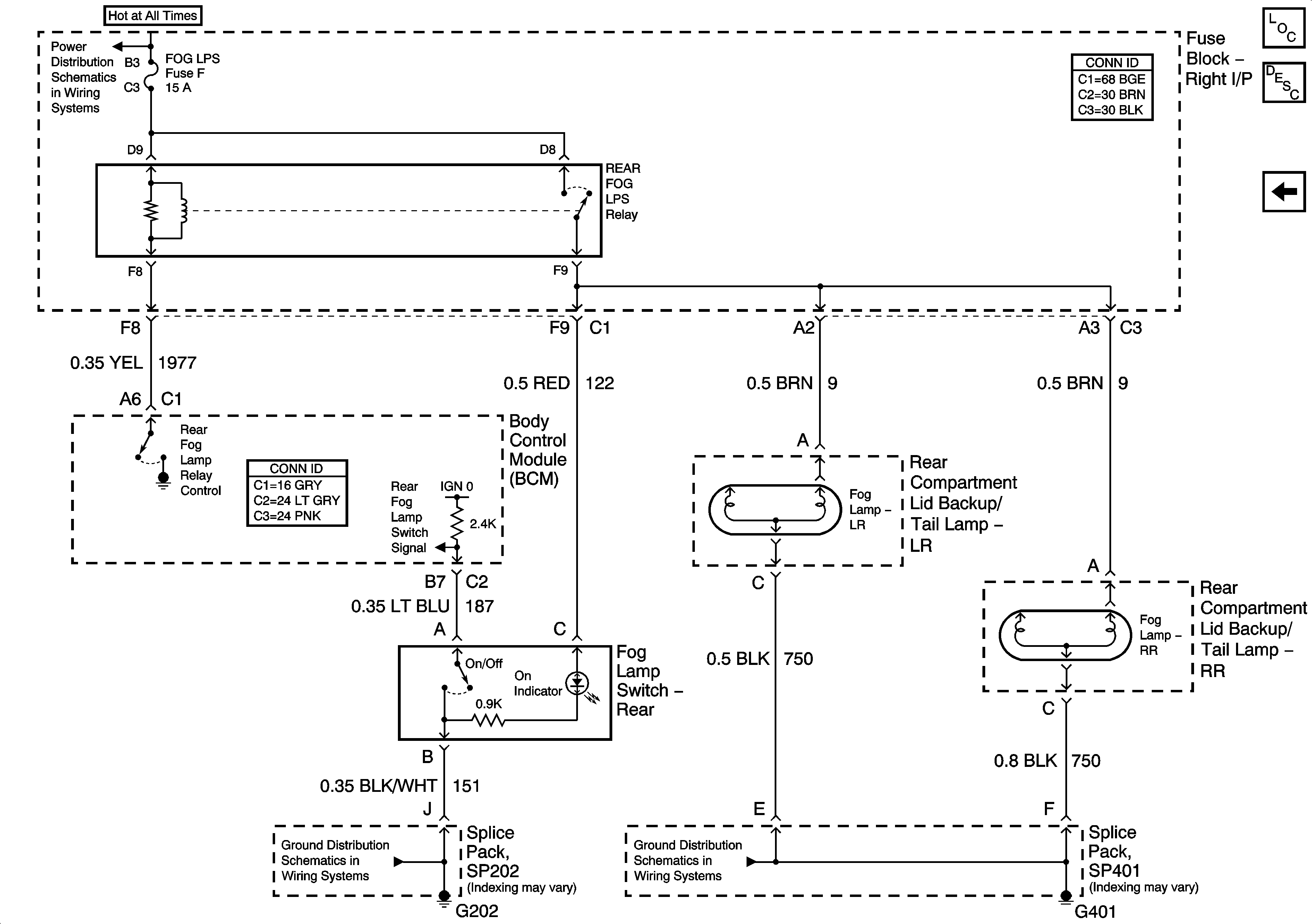
Rear Fog Lamps Schematics - Export Only
RH BEC BATT, ABS, COOL FAN (V6) GROUND, INT LPS, RADIO BATT, FOG LPS Fuses
G202
G101
Figure
2:
Rear Fog Lamps - Export Only
Master Electrical Component List
Exterior Lighting Systems Description and Operation
Fog Lights Schematics
Fog Lights Schematics
G202
G401
G402
G401
G401