GM Service Manual Online
For 1990-2009 cars only
Makes
🢒
Chevrolet
🢒
2002
🢒
Alero Export
🢒
Body and Accessories
🢒
Wiring Systems
🢒 Theft Deterrent System Schematics
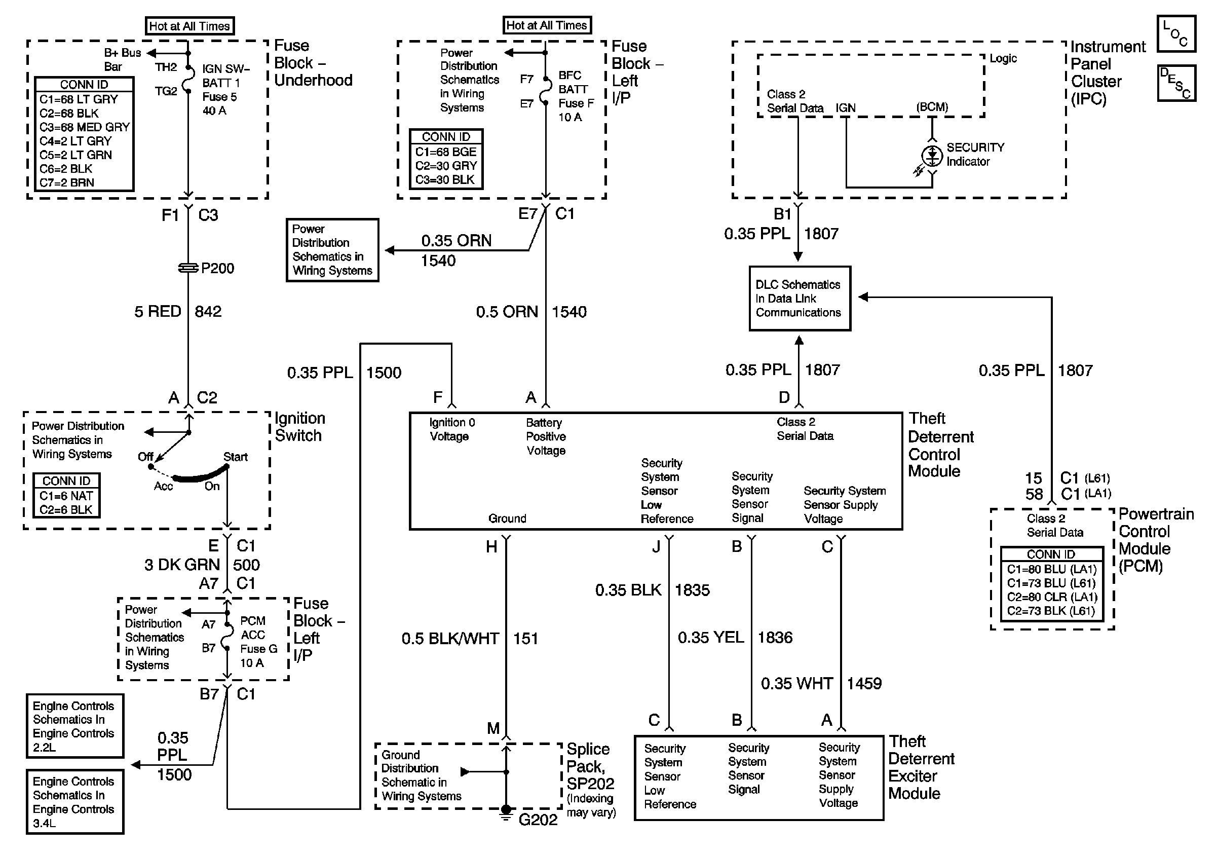
Theft Deterrent System Schematics
Master Electrical Component List
IGN SW-BATT1, HTR-A/C, ERLS, CRANK, PCM ACC, IPC/BFC/ACC Fuses
RH HDLP, LH HDLP, GEN BATT, LH BEC BATT2, STOP LPS, HAZARD LPS, IPC/HVAC BATT, BFC BATT Fuses
RH HDLP, LH HDLP, GEN BATT, LH BEC BATT2, STOP LPS, HAZARD LPS, IPC/HVAC BATT, BFC BATT Fuses
Data Link Connector (DLC) Schematics
IGN SW-BATT1, HTR-A/C, ERLS, CRANK, PCM ACC, IPC/BFC/ACC Fuses
IGN SW-BATT1, HTR-A/C, ERLS, CRANK, PCM ACC, IPC/BFC/ACC Fuses
Power and Ground Serial Data and MIL
Power, Ground, Serial Data and MIL
G202