GM Service Manual Online
For 1990-2009 cars only

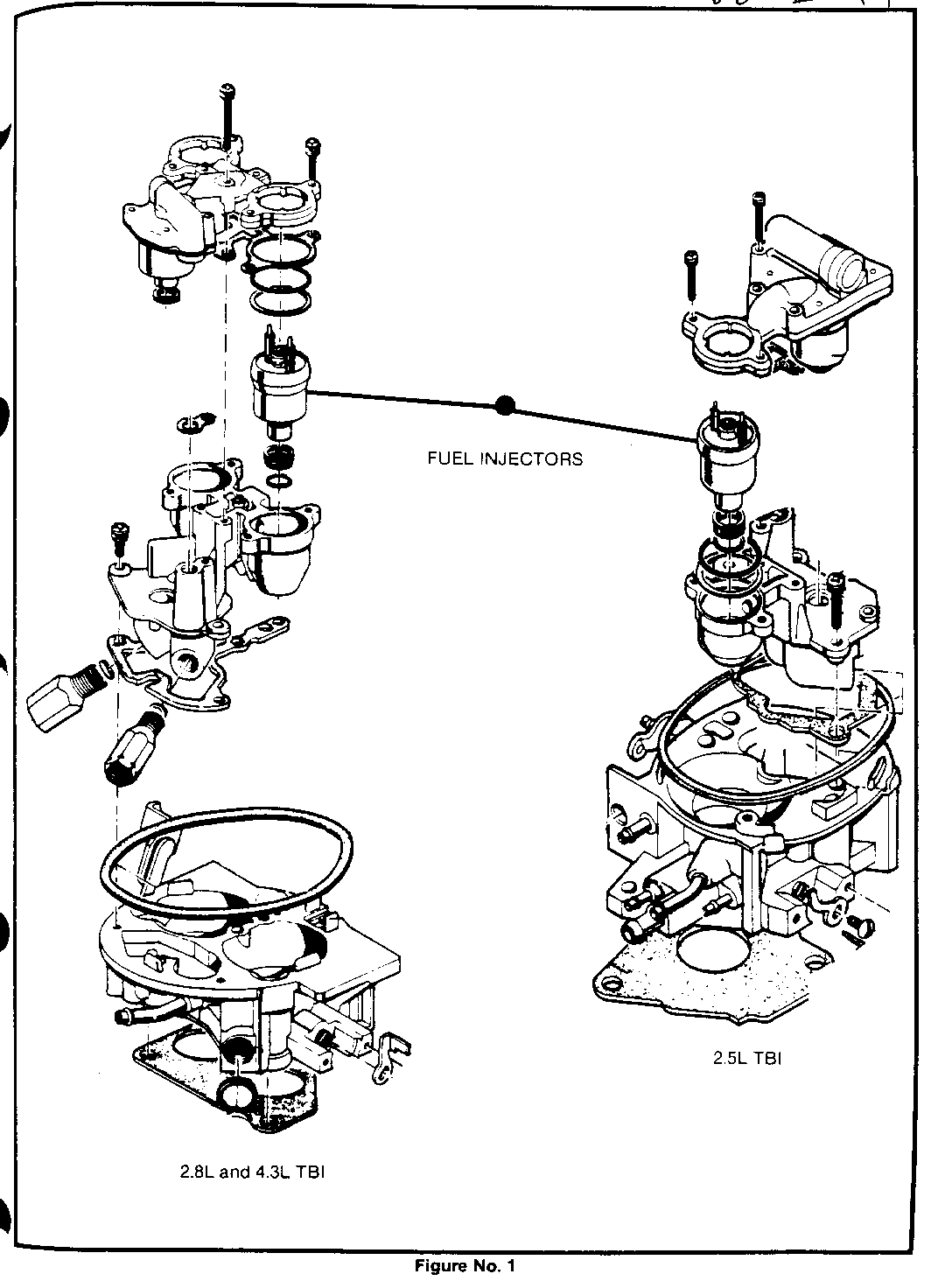
REMANUFACTURED TBI FUEL INJECTORS (APPLICATION)

VEHICLES AFFECTED: ALL MODELS

Remanufactured Fuel Injectors for General Motors vehicles equipped with Throttle Body injection (TBI) are now available from GM Parts. The new line of Remanufactured Injectors will cover all GM vehicles with single point and dual point TBI for model years 1980-1986.

For specific model application refer to your Parts Catalogue - Throttle Body Injector Chart at the end of group 3.000.

WARRANTY

Remanufactured TBI Fuel Injectors are the recommended choice for new vehicle warranties requiring an injector replacement. These injectors meet the same specifications as the brand new injectors they replace. Dealers should begin to order Remanufactured Injectors to be used for warranty, however, new injectors may still be used until inventory is depleted. Beyond vehicle warranty, the injectors are warranted for 90 days or 6500 km whichever comes first.

PACKAGING

In order to help Dealers return the core injectors in good condition, a two-tube package was designed. The inner tube contains the injector and all of the additional parts and instructions necessary to install the remanufactured injector. The ouside tube MUST be used to return the old injector to obtain core credit.

Refer to Parts Merchandising Bulletin no. 43 for the core return procedure.


Object Number: 84750  Size: FS


Object Number: 85479  Size: FS

General Motors bulletins are intended for use by professional technicians, not a "do-it-yourselfer". They are written to inform those technicians of conditions that may occur on some vehicles, or to provide information that could assist in the proper service of a vehicle. Properly trained technicians have the equipment, tools, safety instructions and know-how to do a job properly and safely. If a condition is described, do not assume that the bulletin applies to your vehicle, or that your vehicle will have that condition. See a General Motors dealer servicing your brand of General Motors vehicle for information on whether your vehicle may benefit from the information.