GM Service Manual Online
For 1990-2009 cars only

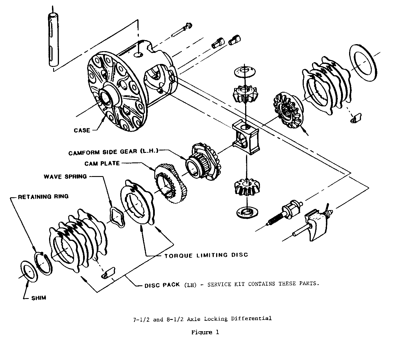
EATON LOCKING DIFFERENTIAL NEW DESIGN FEATURE OUTLINED

VEHICLES AFFECTED: 1986-87 LIGHT DUTY MODELS EQUIPPED WITH LOCKING DIFFERENTIALS (RPO G80)

Starting in 1986, the 7-1/2 inch, B-1/2 inch, and 9-1/2 inch Eaton , locking differential design includes a load limiting feature to reduce the chances of damaging an axle shaft under high torque engagement conditions. The number of tangs on the inner most disc of the left hand clutch pack has been reduced, allowing these tangs to shear in the event of a high torque engagement of the locker. See Figures 1 and 2. When the tangs shear, the lock mechanism is disengaged, thus limiting the torque transmitted to the axle shafts.

In the event the load limiting disc shears, the differential will continue to operate essentially as an open differential with some limited slip action of the clutch packs at low torques. No additional damage should occur to the differential while driving with a sheared load limiting disc. When the tangs shear, the metal is trapped by the splines of the cam plate, thus preventing further damage to the differeatial.

Implementation of the new Eaton locking differential occurred with the following axle assembly date codes:

Model Differential Size Date Code

S,T,M 7-1/2 inch 092 R,V,C,K,G 8-1/2 inch 093 R,V,C,K,G 9-1/2 inch 119

The date code can be found stamped on the top of the right axle tube outboard of the carrier, preceded by four alphanumeric characters representing the axle and source code.

Example: BN3 G 001 1 Axle Code Source Code Date Code Shift Code

Service Procedure

1. If the differential will not lock, follow the procedures for disassembly and inspection of the appropriate size locking differential outlined in Section 4B of the 1986 Unit Repair Manual for Light Duty Trucks.

2. If the torque limiting disc is damaged (tangs sheared off), it will be necessary to replace the left hand (flange end) clutch plates and the wave spring. The new flange end plate kit part numbers are listed below.

3. Examine the splined end of the axle shafts. If the splines are not straight, or are otherwise damaged, replace the axle shaft.

4. Reassemble as described in Section 4B of the Unit Repair Manual for Light Duty Trucks.

The new service part numbers are as follows:

Differential Case (Locking) Part Number

7-1/2 inch, 3.08 and lower ratios 26004473 7-1/2 inch, 3.42 and higher ratios 26004474 8-1/2 inch, Service Kit 26005119 (Includes differential case, pinion shaft lock screw and installation instruction sheet.) 9-1/2 inch 26004521

Flange End Plate Kits Part Number

7-1/2 inch 26005077 8-1/2 inch 26005078 9-1/2 inch 26005079

The new flange end plate kits and differential cases supersede prior designs, and thus can be used on all model years utilizing the Eaton locking differential.


Object Number: 75740  Size: FS


Object Number: 75800  Size: FS

General Motors bulletins are intended for use by professional technicians, not a "do-it-yourselfer". They are written to inform those technicians of conditions that may occur on some vehicles, or to provide information that could assist in the proper service of a vehicle. Properly trained technicians have the equipment, tools, safety instructions and know-how to do a job properly and safely. If a condition is described, do not assume that the bulletin applies to your vehicle, or that your vehicle will have that condition. See a General Motors dealer servicing your brand of General Motors vehicle for information on whether your vehicle may benefit from the information.