GM Service Manual Online
For 1990-2009 cars only

CAMPAIGN: TRANSMISSION CONTROL LINKAGE RETAINER

Models: 1989 'M' Van With Automatic Transmission (MD8)

General Motors of Canada has determined that a defect which relates to motor vehicle safety exists in certain 1989 'M' Vans. These vehicles may have a loose retainer securing the automatic transmission control rod linkage to the steering column lower shift lever. This looseness may allow the retainer to disengage, resulting in a separation of the control rod from the lower shift lever. When this occurs, the shift indicator may not reflect the gear the transmission is in. In this situation, the driver could believe the transmission is in a forward gear when actually it is in reverse, or vice versa. Additionally, the engine could be started with the transmission in gear. Either of these conditions could lead to a vehicle crash without prior warning.

To correct this condition, it will be necessary to install a new transmission linkage retainer on all involved vehicles.

VEHICLES INVOLVED:

Involved are certain 1989 'M' Vans with automatic transmission (MD8) built within the following VIN breakpoints:

MODEL YEAR MODEL PLANT FROM THROUGH ----- -------- --------- --------- -------- 1989 'M' Van Baltimore KB521096 KB521341

All affected vehicles have been identified by the VIN listing provided to involved Dealers with this bulletin. Any Dealer not receiving a listing was not shipped any of the affected vehicles.

DEALER CAMPAIGN RESPONSIBILITY:

Dealers are to service all vehicles subject to this campaign at no charge to owners, regardless of mileage, age of vehicle, or ownership, from this time forward.

Whenever a vehicle subject to this campaign is taken into your new or used vehicle inventory, or it is in your Dealership for service in the future, you should take the steps necessary to be sure the campaign correction has been made before reselling or releasing the vehicle.

Owners of vehicles recently sold from your new vehicle inventory are to be contacted by the Dealer, and arrangements made to make the required modification according to instructions contained in this bulletin.

CAMPAIGN PROCEDURE:

Refer to Section 4 of the Service Policies and Procedures Manual for the detailed procedure on handling Product Campaigns. Dealers are requested to complete the campaign on all transfers as soon as possible.

OWNER NOTIFICATION:

All owners of record at the time of campaign release are shown on the attached computer listing and have been notified by first class mail from General Motors. The listings provided are for campaign activity only and should not be used for any other purpose.

PARTS INFORMATION:

Parts required to complete this campaign should be ordered through regular channels, as follows:

Part Number Description Quantity/Vehicle ----------- ----------- ---------------- 15553615 Retainer 1 Per Vehicle

PARTS AND LABOUR CLAIM INFORMATION:

Credit for the campaign work performed will be paid upon receipt of a properly completed campaign claim card, RAPID terminal or DCS transmission in accordance with the following:

Repair Code Description Time Allowance ----------- -------------- ------------- 2A Install Retainer .3

Time allowance includes 0.1 hour for Dealer administrative detail associated with this campaign. Parts credit will be based on Dealer net plus 30% to cover parts handling.

SERVICE PROCEDURE:

1. Apply parking brake.

2. With engine off, place the gear selector in the drive 1 position.

3. Open hood.

4. Disconnect negative battery cable.

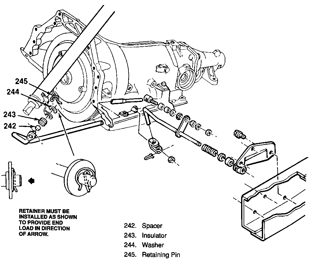
5. Remove retaining clip (#4) with a small screwdriver or needle nose pliers and discard.

6. Replace with new retaining clip making sure that the washer and retaining clip (#4) are installed as shown in the illustration.

INSTALLATION OF CAMPAIGN IDENTIFICATION LABEL

Clean surface of radiator upper mounting panel and apply a Campaign Identification Label. Make sure the correct campaign number is inserted on the label. This will indicate that the campaign has been completed.

Dear General Motors Customer:

This notice is sent to you in accordance with the requirements of Canada Motor Vehicle Safety Act.

General Motors of Canada has determined that a defect which relates to motor vehicle safety exists in certain 1989 'M' Vans. These vehicles may have a loose retainer securing the automatic transmission control rod linkage to the steering column lower shift lever. This looseness may allow the retainer to disengage, resulting in a separation of the control rod from the lower shift lever. When this occurs, the shift indicator may not reflect the gear the transmission is in. In this situation, the driver could believe the transmission is in a forward gear when actually it is in reverse, or vice versa. Additionally, the engine could be started with the transmission in gear. Either of these conditions could lead to a vehicle crash without prior warning.

To correct this condition, it will be necessary to install a new transmission linkage retainer on all involved vehicles. This service will be completed for you at no charge.

Instructions for performing this service have been sent to your GM Dealer. Parts are available, please contact your Dealer to arrange a service date. The labour time necessary to perform this correction will be approximately fifteen (15) minutes. Please ask your Dealer how much additional time will be necessary to process your vehicle.

This letter identifies your vehicle. Presentation of this letter to your Dealer will assist their Service personnel in completing the necessary correction to your vehicle in the shortest possible time.

Further assistance, if required, may be obtained from the General Motors Zone Office nearest you. Your vehicle Owner's Manual provides the location and phone number of each respective Zone Office.

We are sorry to cause you this inconvenience; however, we have taken this action in the interest of your continued satisfaction with our products.


Object Number: 86884  Size: LF

General Motors bulletins are intended for use by professional technicians, not a "do-it-yourselfer". They are written to inform those technicians of conditions that may occur on some vehicles, or to provide information that could assist in the proper service of a vehicle. Properly trained technicians have the equipment, tools, safety instructions and know-how to do a job properly and safely. If a condition is described, do not assume that the bulletin applies to your vehicle, or that your vehicle will have that condition. See a General Motors dealer servicing your brand of General Motors vehicle for information on whether your vehicle may benefit from the information.