GM Service Manual Online
For 1990-2009 cars only

SMU - SECTION 1B - HEATER, VENTILATION & AIR CONDITIONING

SUBJECT: SERVICE MANUAL UPDATE - SECTION 1B - HEATER, VENTILATION AND AIR CONDITIONING - COMPRESSOR AND CONDENSER HOSE ASSEMBLY AND "CONDENSER" REPLACEMENT PROCEDURES

MODELS: 1995 CHEVROLET AND GMC TRUCK M/L MODELS

THIS BULLETIN HAS BEEN ISSUED TO UPDATE SECTION 1B OF THE 1995 M/L SERVICE MANUAL (P/N GMT/95-ML-1). THE FOLLOWING PROCEDURES AND ART HAVE BEEN UPDATED:

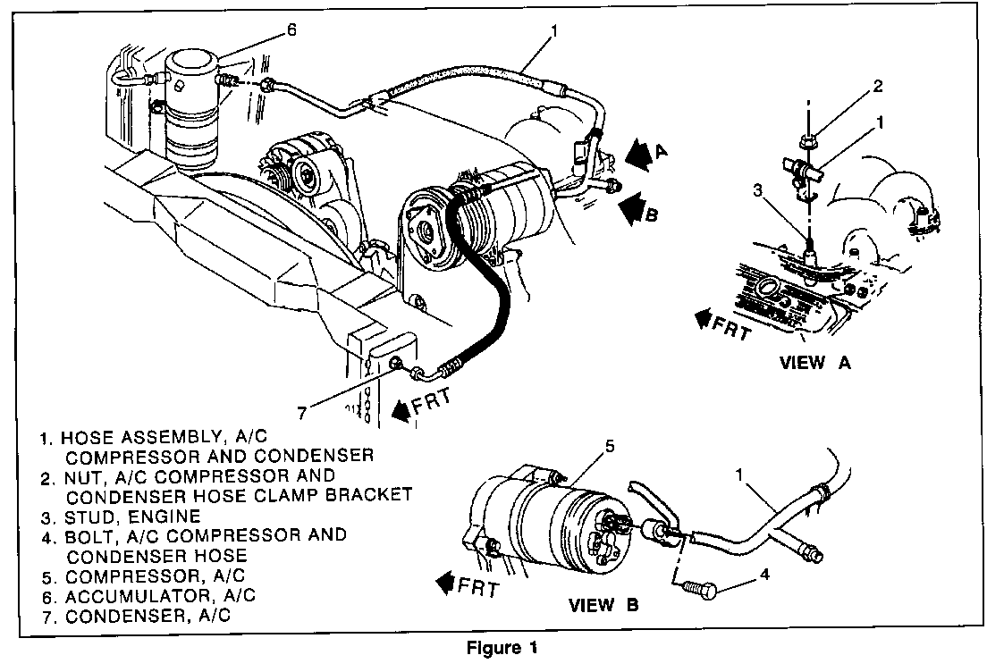
UPDATE "COMPRESSOR AND CONDENSER HOSE ASSEMBLY" R+R PROCEDURE LOCATED ON PAGE 1B-32. REPLACE FIGURE 32 ON PAGE 1B-33 WITH THE ATTACHED FIGURE 1.

COMPRESSOR AND CONDENSER HOSE ASSEMBLY

PROCEDURE:

REMOVE OR DISCONNECT FIGURE 1

1. DISCHARGE AND RECOVER REFRIGERANT FROM THE SYSTEM. REFER TO "REFRIGERANT RECOVERY" IN THIS SECTION. 2. GRILLE FROM VEHICLE. REFER TO SECTION 2B. 3. AUXILIARY EVAPORATOR TUBE, IF EQUIPPED (C69 ONLY). 4. HOSE CLAMP BRACKET NUT FROM THE ENGINE STUD (FIGURE 1). 5. COMPRESSOR AND CONDENSER HOSE BOLT AND WASHER. 6. COMPRESSOR AND CONDENSER HOSE FROM THE COMPRESSOR. 7. SEALING WASHERS. REFER TO "COMPRESSOR SEALING WASHERS" IN THIS SECTION. 8. COMPRESSOR AND CONDENSER HOSE FROM THE ACCUMULATOR. 9. O-RING SEAL. 10.COMPRESSOR AND CONDENSER HOSE FROM THE CONDENSER. 11.O-RING SEAL. * CAP OR PLUG ALL OPEN CONNECTIONS.

INSTALL OR CONNECT FIGURE 1

1. NEW O-RING SEAL. * COAT O-RING SEAL WITH 525 VISCOSITY REFRIGERANT OIL. 2. COMPRESSOR AND CONDENSER HOSE TO THE CONDENSER. TIGHTEN * HOSE TO 28 N.M (21 LB FT). 3. NEW O-RING SEAL. * COAT O-RING SEAL WITH 525 VISCOSITY REFRIGERANT OIL. 4. COMPRESSOR AND CONDENSER HOSE TO THE ACCUMULATOR. TIGHTEN * HOSE TO 45 N.M (33 LB FT). 5. SEALING WASHERS. REFER TO "COMPRESSOR SEALING WASHERS." 6. COMPRESSOR AND CONDENSER HOSE TO THE COMPRESSOR. 7. COMPRESSOR AND CONDENSER HOSE WASHER AND BOLT. TIGHTEN * BOLT TO 37 N.M (27 LB FT). 8. HOSE CLAMP BRACKET NUT TO ENGINE STUD. TIGHTEN * NUT (8) TO 13 N.M (115 LB IN). 9. AUXILIARY EVAPORATOR TUBE, IF EQUIPPED (C69 ONLY). TIGHTEN * TUBE TO 47.5 N.M (35 LB FT). 10.GRILLE TO VEHICLE. REFER TO SECTION 2B. 11.REFRIGERANT TO THE SYSTEM. * CHECK THE SYSTEM FOR LEAKS.

UPDATE "CONDENSER" R+R PROCEDURE LOCATED ON PAGE 1B-36 AS FOLLOWS.

CONDENSER

REMOVE OR DISCONNECT FIGURE 1

1. DISCHARGE AND RECOVER REFRIGERANT FROM THE SYSTEM. REFER TO "REFRIGERANT RECOVERY" IN THIS SECTION. 2. GRILLE. REFER TO SECTION 2B. 3. COMPRESSOR AND CONDENSER HOSE FROM THE CONDENSER. 4. EVAPORATOR TUBE FROM THE CONDENSER. 5. HORN ELECTRICAL CONNECTORS. REFER TO SECTION 8D. 6. TWO BOLTS RETAINING THE RADIATOR SUPPORT FROM THE SUPPORT ASSEMBLY. 7. SUPPORT FROM VEHICLE. 8. BOLTS RETAINING CONDENSER TO RADIATOR. 9. CONDENSER.

INSTALL OR CONNECT FIGURE 1

1. CONDENSER. REFER TO "REFRIGERANT OIL DISTRIBUTION," IF REPLACING THE CONDENSER. 2. BOLTS RETAINING CONDENSER TO RADIATOR. 3. RADIATOR SUPPORT TO VEHICLE. 4. TWO BOLTS RETAINING THE RADIATOR SUPPORT TO THE SUPPORT ASSEMBLY. TIGHTEN * BOLTS TO 20 N.M (15 LB FT). 5. EVAPORATOR TUBE TO THE CONDENSER. REFER TO "EVAPORATOR TUBE." 6. COMPRESSOR AND CONDENSER HOSE TO THE CONDENSER. REFER TO "COMPRESSOR AND CONDENSER HOSE ASSEMBLY." 7. GRILLE. REFER TO SECTION 2B. 8. REFRIGERANT TO THE SYSTEM. * CHECK THE SYSTEM FOR LEAKS.

FIGURES: 1 ATTACHMENTS: 0


Object Number: 81061  Size: FS

GENERAL MOTORS BULLETINS ARE INTENDED FOR USE BY PROFESSIONAL TECHNICIANS, NOT A "DO-IT-YOURSELFER". THEY ARE WRITTEN TO INFORM THOSE TECHNICIANS OF CONDITIONS THAT MAY OCCUR ON SOME VEHICLES, OR TO PROVIDE INFORMATION THAT COULD ASSIST IN THE PROPER SERVICE OF A VEHICLE. PROPERLY TRAINED TECHNICIANS HAVE THE EQUIPMENT, TOOLS, SAFETY INSTRUCTIONS AND KNOW-HOW TO DO A JOB PROPERLY AND SAFELY. IF A CONDITION IS DESCRIBED, DO NOT ASSUME THAT THE BULLETIN APPLIES TO YOUR VEHICLE, OR THAT YOUR VEHICLE WILL HAVE THAT CONDITION. SEE A GENERAL MOTORS DEALER SERVICING YOUR BRAND OF GENERAL MOTORS VEHICLE FOR INFORMATION ON WHETHER YOUR VEHICLE MAY BENEFIT FROM THE INFORMATION.

COPYRIGHT 1995 GENERAL MOTORS CORPORATION. ALL RIGHTS RESERVED.