GM Service Manual Online
For 1990-2009 cars only

SMU - SECTION 3D - REAR SUSPENSION

SUBJECT: SERVICE MANUAL UPDATE - SECTION 3D - REAR SUSPENSION - REVISED SPRING REPLACEMENT PROCEDURE

MODELS: 1995 CHEVROLET AND GMC TRUCK M/L MODELS WITH MULTI-LEAF STEEL SPRINGS

THIS BULLETIN REVISES THE SPRING REPLACEMENT PROCEDURE ON PAGE 3D-2 OF THE 1995 M/L SERVICE MANUAL. THIS NEW PROCEDURE APPLIES ONLY TO THOSE VEHICLES BUILT WITH MULTI-LEAF STEEL SPRINGS. THIS CHANGE WAS MADE MID-PRODUCTION YEAR ON 1995 MODELS.

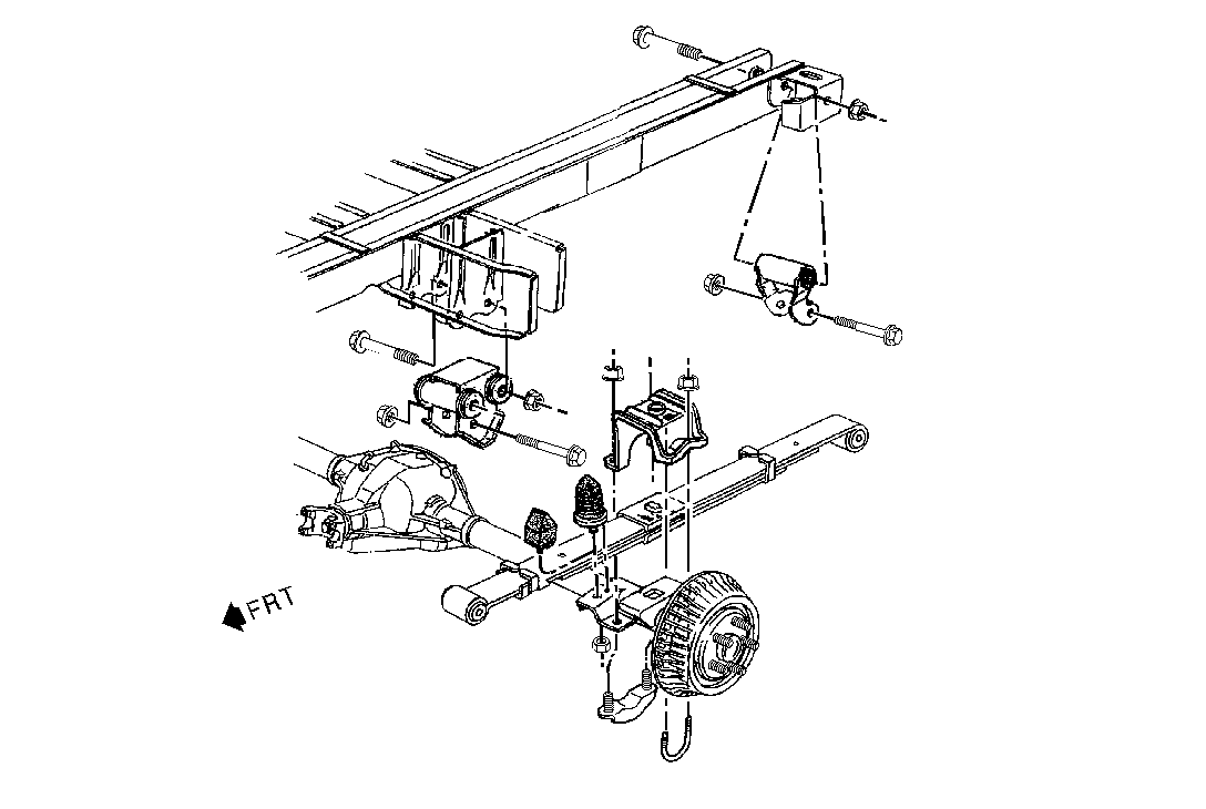
REAR SPRING REPLACEMENT FOR 1995-INTERIM M/L VANS WITH STEEL LEAF SPRINGS

* RAISE THE VEHICLE ON A HOIST. SUPPORT THE BODY AND AXLE SEPARATELY.

REMOVE OR DISCONNECT

1. AXLE BUMPER AND NUT (ONLY IF NECESSARY TO GAIN ACCESS TO LOWER PLATE FRONT NUT). 2. U-BOLT AND LOWER PLATE NUTS. * WITH A STABILIZER SHAFT IT WILL BE NECESSARY TO REMOVE LOWER NUTS, WASHERS, AND ANCHOR BLOCK. 3. U-BOLT, LOWER PLATE, AND ANCHOR PLATE. * LOWER THE AXLE AWAY FROM THE SPRING.

NOTICE: DO NOT LET THE AXLE HANG BY THE BRAKE HOSE. DAMAGE TO THE HOSE MAY OCCUR. ALWAYS SUPPORT THE AXLE AND FRAME SEPARATELY.

4. SPRING TO SHACKLE NUT AND BOLT. 5. SPRING FROM SHACKLE. 6. SPRING TO HANGER NUT AND BOLT. 7. SPRING FROM HANGER.

IMPORTANT: TO ACHIEVE THE PROPER SEATING AND ATTACHMENT OF THE ANCHOR PLATE OVER THE SPRING AND TO THE AXLE, THE FOLLOWING PROCEDURE MUST BE FOLLOWED.

INSTALL OR CONNECT

1. SPRING TO HANGER. 2. HANGER NUT AND BOLT. * DO NOT TIGHTEN. 3. SPRING TO SHACKLE. 4. SHACKLE NUT AND BOLT. * DO NOT TIGHTEN. * RAISE THE AXLE SO THAT IT BUTTS AGAINST THE SPRING. 5. AXLE TO THE SPRING. * APPLY RUBBER LUBRICANT TO THE ISOLATOR ON THE SPRING TO AID IN INSTALLATION OF THE ANCHOR PLATE TO THE SPRING. 6. ANCHOR PLATE TO THE TOP OF THE SPRING. 7. LOWER PLATE AND U-BOLT AROUND THE AXLE AND THROUGH THE ANCHOR PLATE. * WITH A STABLIZER SHAFT IT WILL BE NECESSARY TO INSTALL ANCHOR BLOCK, WASHERS, AND NUTS. 8. NUTS TO LOWER PLATE AND U-BOLT. * STARTING WITH THE INNER (LOWER PLATE SIDE) NUTS, GRADUALLY TIGHTEN THE NUTS SO THAT THE ANCHOR PLATE MOVES UNIFORMLY, SIDE TO SIDE, OVER THE SPRING. * TIGHTEN ANCHOR PLATE NUTS TO 56 N.M (41 LB FT). * AFTER TIGHTENING THE FASTENERS TO THE SPECIFIED TORQUE, THERE SHOULD BE NO GAP BETWEEN THE ANCHOR PLATE, AXLE TUBE BRACKET, AND LOWER PLATE. A METAL TO METAL CONDITION SHOULD EXIST. 9. AXLE BUMPER AND NUT. * TIGHTEN TO 46 N.M (30 LB FT). 10.TIGHTEN HANGER NUT AND BOLT TO 100 N.M (74 LB FT). 11.TIGHTEN SHACKLE NUT AND BOLT TO 100 N.M (74 LB FT). * THE REAR SUSPENSION TRIM HEIGHT SHOULD BE 135-145 MM.

FIGURES: 1 ATTACHMENTS: 0


Object Number: 82708  Size: FS

GENERAL MOTORS BULLETINS ARE INTENDED FOR USE BY PROFESSIONAL TECHNICIANS, NOT A "DO-IT-YOURSELFER". THEY ARE WRITTEN TO INFORM THOSE TECHNICIANS OF CONDITIONS THAT MAY OCCUR ON SOME VEHICLES, OR TO PROVIDE INFORMATION THAT COULD ASSIST IN THE PROPER SERVICE OF A VEHICLE. PROPERLY TRAINED TECHNICIANS HAVE THE EQUIPMENT, TOOLS, SAFETY INSTRUCTIONS AND KNOW-HOW TO DO A JOB PROPERLY AND SAFELY. IF A CONDITION IS DESCRIBED, DO NOT ASSUME THAT THE BULLETIN APPLIES TO YOUR VEHICLE, OR THAT YOUR VEHICLE WILL HAVE THAT CONDITION. SEE A GENERAL MOTORS DEALER SERVICING YOUR BRAND OF GENERAL MOTORS VEHICLE FOR INFORMATION ON WHETHER YOUR VEHICLE MAY BENEFIT FROM THE INFORMATION.

COPYRIGHT 1995 GENERAL MOTORS CORPORATION. ALL RIGHTS RESERVED.