GM Service Manual Online
For 1990-2009 cars only

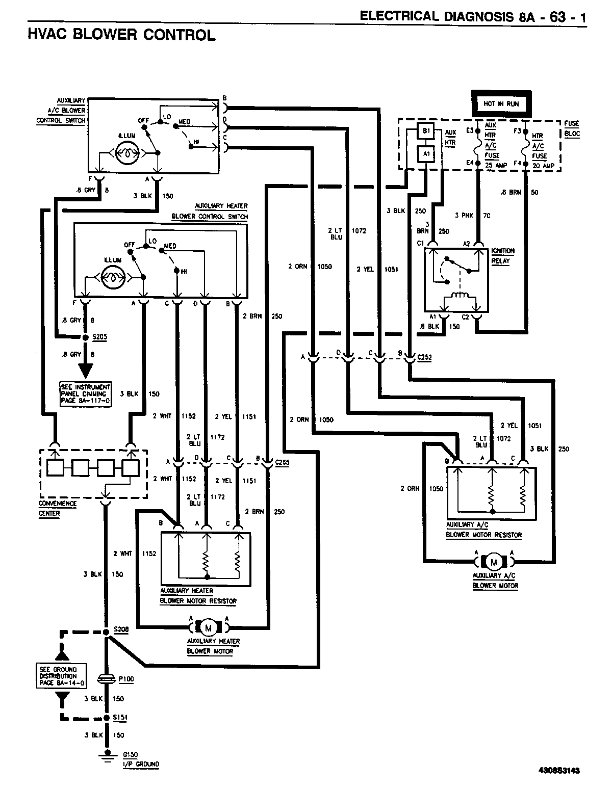
SMU - SECTION 8A - 63 - HVAC BLOWER CONTROL - REVISED

SUBJECT: SERVICE MANUAL UPDATE - SECTION 8A-63 - HVAC BLOWER CONTROL - REVISED SCHEMATIC ON PAGE 8A-63-1

MODELS: 1995 CHEVROLET AND GMC M/L MODELS

THIS BULLETIN HAS BEEN ISSUED TO REVISE THE ELECTRICAL SCHEMATIC ON PAGE 8A-63-1 IN THE 1995 M/L SERVICE MANUAL.

PLEASE REPLACE THE CURRENT PAGE 8A-63-1 WITH THE PAGE INCLUDED WITH THIS BULLETIN.

FIGURES: 0 ATTACHMENTS: 1


Object Number: 76355  Size: FS

GENERAL MOTORS BULLETINS ARE INTENDED FOR USE BY PROFESSIONAL TECHNICIANS, NOT A "DO-IT-YOURSELFER". THEY ARE WRITTEN TO INFORM THOSE TECHNICIANS OF CONDITIONS THAT MAY OCCUR ON SOME VEHICLES, OR TO PROVIDE INFORMATION THAT COULD ASSIST IN THE PROPER SERVICE OF A VEHICLE. PROPERLY TRAINED TECHNICIANS HAVE THE EQUIPMENT, TOOLS, SAFETY INSTRUCTIONS AND KNOW-HOW TO DO A JOB PROPERLY AND SAFELY. IF A CONDITION IS DESCRIBED, DO NOT ASSUME THAT THE BULLETIN APPLIES TO YOUR VEHICLE, OR THAT YOUR VEHICLE WILL HAVE THAT CONDITION. SEE A GENERAL MOTORS DEALER SERVICING YOUR BRAND OF GENERAL MOTORS VEHICLE FOR INFORMATION ON WHETHER YOUR VEHICLE MAY BENEFIT FROM THE INFORMATION.

COPYRIGHT 1996 GENERAL MOTORS CORPORATION. ALL RIGHTS RESERVED.