GM Service Manual Online
For 1990-2009 cars only

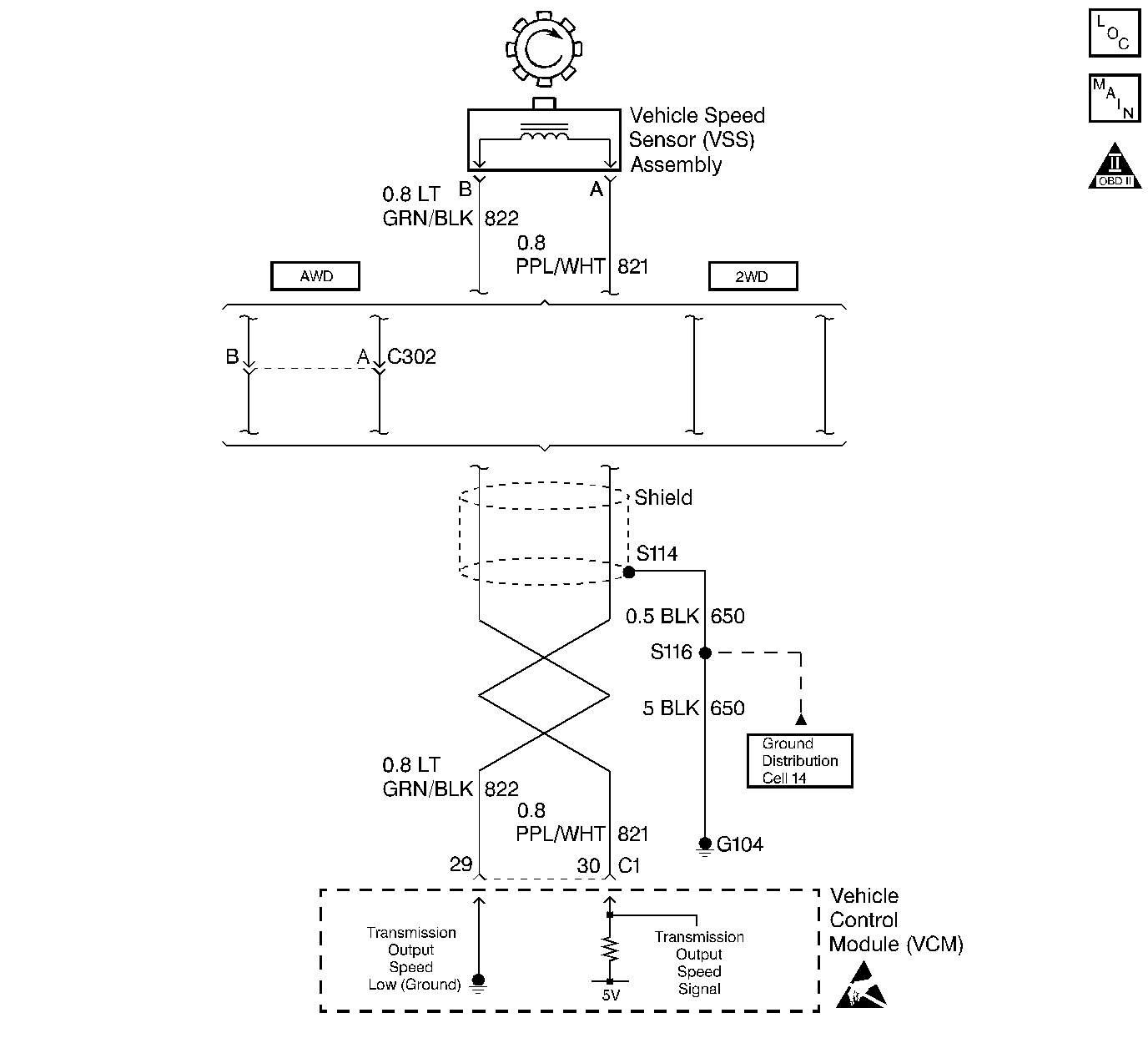
Object Number: 42318  Size: LF
Automatic Transmission Components
Automatic Transmission Controls Schematics
OBD II Symbol Description Notice
Handling ESD Sensitive Parts Notice

Circuit Description

The Vehicle Speed Sensor Assembly (VSS Assy.) provides vehicle speed information to the VCM. The VSS Assy. is a Permanent Magnet (PM) generator. The PM generator produces a pulsing AC voltage. The AC voltage level and the number of pulses increase with the speed of the vehicle. The VCM then converts the pulsing voltage to vehicle speed. The VCM uses this information for calculations. A scan tool can display the vehicle speed.

When the VCM detects a low vehicle speed when there is a high engine speed in a drive gear range, then DTC P0502 sets. DTC P0502 is a type A DTC.

Conditions for Setting the DTC

    • No MAP DTCs P0107 or P0108
    • No TP DTCs P0122 or P0123
    • No TFP Val. Position Sw. DTC P1810
    • The transmission is not in Park or Neutral.
    • The TP angle is greater than 20%.
    • The engine vacuum is 0-106 kPa.
    • The engine speed is greater than 3000 RPM.
    • The engine torque is 50-502 N·m (40-400 lb ft).
    • The transmission output speed is less than 150 RPM.
    • All conditions met for 2.5 seconds

Action Taken When the DTC Sets

    • The VCM commands second gear only.
    • The VCM commands maximum line pressure.
    • The VCM freezes shift adapts from being updated.
    • The VCM inhibits TCC engagement.
    • The VCM illuminates the Malfunction Indicator Lamp (MIL).

Conditions for Clearing the MIL/DTC

    • The VCM turns OFF the MIL after three consecutive ignition cycles without a failure reported.
    • A scan tool can clear the DTC from the VCM history. The VCM clears the DTC from the VCM history if the vehicle completes 40 warm-up cycles without a failure reported.
    • The VCM cancels the DTC default actions when the fault no longer exists and the ignition is OFF long enough in order to power down the VCM.

Diagnostic Aids

    • Inspect the wiring for poor electrical connections at the VCM. Look for the following conditions:
       - A bent terminal
       - A backed out terminal
       - A damaged terminal
       - Poor terminal tension
       - A chafed wire
       - A broken wire inside the insulation
    • When diagnosing for an intermittent short or open condition, massage the wiring harness while watching the test equipment for a change.

Test Description

The numbers below refer to the step numbers on the diagnostic chart.

  1. This step tests the VSS Assy. circuit.

  2. This step tests the integrity of the VSS Assy.

  3. This step tests the 5-volt and ground circuit of the VCM.

DTC P0502 Vehicle Speed Sensor Assembly (VSS Assy.) Circuit -- Low Input (Transmission Output Speed Signal)

Step

Action

Value(s)

Yes

No

1

Was the Powertrain On-Board Diagnostic (OBD) System Check performed?

--

Go to Step 2

Go to Powertrain On Board Diagnostic (OBD) System Check

2

  1. Install the scan tool (tech 1) ®.
  2. With the engine OFF, turn the ignition switch to the RUN position.
  3. Important: Before clearing the DTCs, use the scan tool in order to record the Freeze Frame and Failure Records for reference. The Clear Info function will erase the data.

  4. Record the DTC Freeze Frame and Failure Records.
  5. Raise the drive wheels.
  6. Start the engine.
  7. Place the transmission in any drive range.

With the drive wheels rotating, does the Trans Output Speed increase with the drive wheel speed?

--

Go to Diagnostic Aids

Go to Step 3

3

Does the speedometer work?

--

Go to Step 4

Go to Step 6

4

  1. Check for the most current calibration.
  2. Check for an incorrect calibration.

Refer to the Service Bulletin.

Is the calibration current?

--

Go to Step 15

Go to Step 5

5

Reprogram the VCM.

Refer to EEPROM Programming , Section 6.

Has the VCM been reprogrammed?

--

Go to Step 16

--

6

  1. Turn the ignition OFF.
  2. Disconnect the C1 (blue) VCM connector.
  3. Using the J 39200 DVOM and the J 35616-A Connector Test Adapter Kit, measure the resistance between VCM connector terminals C1-29 and C1-30.

Is the resistance within the specified range?

1480-2700ohms

Go to Step 7

Go to Step 8

7

  1. Place the transmission in Neutral.
  2. Select AC volts.
  3. Rotate the rear wheels, ensuring that the driveshaft is turning.

Is the voltage greater than the specified value?

0.5 volts

Go to Step 9

Go to Step 10

8

Inspect circuits 821 and 822 for a poor connection or an open circuit.

Did you find a problem?

--

Go to Step 16

Go to Step 10

9

  1. Reconnect the C1 (blue) VCM connector.
  2. Disconnect the VSS Assy. harness from the VSS Assy.
  3. With the engine OFF, turn the ignition switch to the RUN position.
  4. Using the J 39200 DVOM, measure the voltage at the VSS Assy. harness connector terminals A and B.

Is the voltage within the specified range?

4.0-5.1 volts

Go to Step 15

Go to Step 12

10

  1. Remove the VSS Assy.
  2. Check the output shaft speed sensor rotor for damage or misalignment.

Did you find a problem?

--

Go to Step 16

Go to Step 11

11

Replace the VSS Assy.

Refer to Vehicle Speed Sensor Assembly Replacement, in On-Vehicle Service.

Is the replacement complete?

--

Go to Step 16

--

12

Was the voltage measured in Step 9 less than the voltage in the value column?

4.0 volts

Go to Step 15

Go to Step 13

13

Was the voltage measured in Step 9 greater than the voltage in the value column?

5.1 volts

Go to Step 14

--

14

Repair the short to B+ in circuit 821.

Refer to Electrical Diagnosis, Section 8.

Is the repair complete?

--

Go to Step 16

--

15

Replace the VCM.

Refer to VCM Replacement/Programming , Section 6.

Is the replacement complete?

--

Go to Step 16

--

16

In order to verify your repair, perform the following procedure:

  1. Select DTC.
  2. Select Clear Info.
  3. Operate the vehicle, ensuring that the transmission output speed is greater than 151 RPM for 3 seconds.
  4. Select Specific DTC. Enter DTC P0502.

Has the test run and passed?

--

System OK

Begin the diagnosis again. Go to Step 1