GM Service Manual Online
For 1990-2009 cars only

SMU - SECTION 8A-132 - KEYLESS ENTRY & SECTION 9K - REMOTE

SUBJECT: SERVICE MANUAL UPDATE - SECTION 8A-132 - KEYLESS ENTRY AND SECTION 9K - REMOTE KEYLESS ENTRY

MODELS: 1997 CHEVROLET AND GMC S/T, M/L, G MODELS 1997 OLDSMOBILE BRAVADA

. 1997 S/T TRUCK SERVICE MANUAL BOOK 1 (GMT/97-ST-1) . 1997 M/L VAN SERVICE MANUAL BOOK 1 (GMT/97-M/L-1) . 1997 G VAN SERVICE MANUAL BOOK 1 (GMT/97-G6-1)

THIS BULLETIN REVISES THE ABOVE LISTED MANUALS AS FOLLOWS:

1. SECTION 9K - REMOTE KEYLESS ENTRY IS REVISED TO CORRECT THE PROGRAMMING PROCEDURE FOR THE REMOTE KEYLESS ENTRY TRANSMITTERS.

1A. FOR THE S/T TRUCK, REPLACE THE EXISTING PROGRAMMING THE REMOTE CONTROL LOCK TRANSMITTER CONTENT ON PAGE 9K-4 WITH THE NEW PROGRAMMING THE REMOTE CONTROL DOOR LOCK TRANSMITTER PROCEDURE.

1B. FOR THE M/L VAN, REPLACE THE EXISTING PROGRAMMING THE REMOTE CONTROL LOCK TRANSMITTER CONTENT ON PAGES 9K-3 AND 9K-4 WITH THE NEW PROGRAMMING THE REMOTE CONTROL DOOR LOCK TRANSMITTER PROCEDURE. 1C. FOR THE G VAN, REPLACE THE EXISTING PROGRAMMING THE TRANSMITTER CONTENT ON PAGE 9K-3 WITH THE NEW PROGRAMMING THE REMOTE CONTROL DOOR LOCK TRANSMITTER PROCEDURE.

2. FOR THE S/T TRUCK SERVICE MANUAL ONLY, SECTION 8A-132 KEYLESS ENTRY IS MODIFIED AS FOLLOWS.

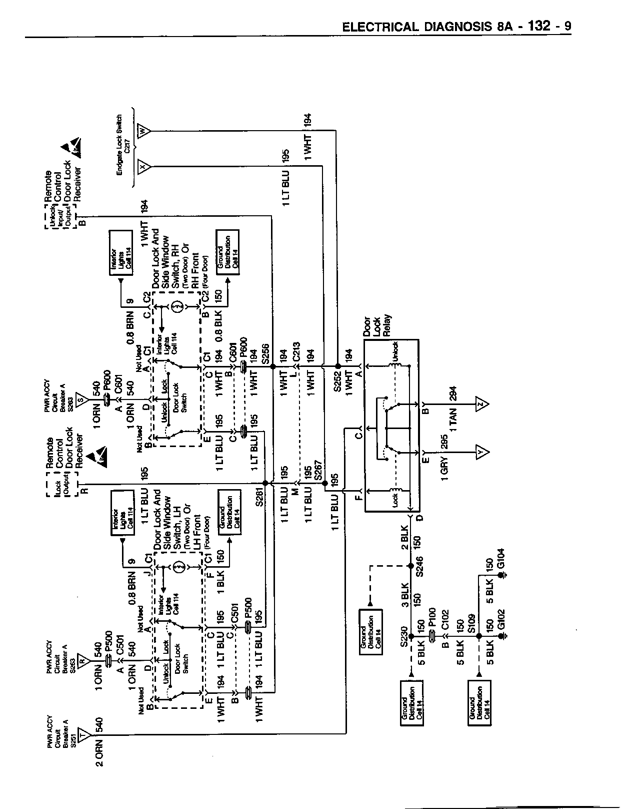
2A. SCHEMATICS ON PAGES 8A-132-7, 8A-132-9 AND 8A-132-10 ARE REVISED TO ADD MISSING TERMINATION INFORMATION. REPLACE THE EXISTING SCHEMATIC PAGES WITH THE UPDATED PAGES.

2B. THE CIRCUIT OPERATION SECTION ON PAGES 8A-132-32 AND 8A-132-33 IS REVISED TO DELETE DUPLICATED PROGRAMMING INSTRUCTIONS. THE TECHNICIAN IS NOW REFERENCED TO SECTION 9K FOR THIS COVERAGE. REPLACE THE EXISTING CIRUCIT OPERATION CONTENT ON THESE PAGES WITH THE NEW MATERIAL. DO NOT DELETE THE EXISTING DIAGNOSTIC TABLES ON PAGE 8A-132-32.

FIGURES: 0 ATTACHMENTS: 6


Object Number: 96924  Size: FS


Object Number: 96925  Size: FS


Object Number: 96926  Size: FS


Object Number: 96927  Size: FS


Object Number: 96928  Size: FS


Object Number: 96929  Size: FS


Object Number: 96930  Size: FS


Object Number: 96931  Size: FS

GENERAL MOTORS BULLETINS ARE INTENDED FOR USE BY PROFESSIONAL TECHNICIANS, NOT A "DO-IT-YOURSELFER". THEY ARE WRITTEN TO INFORM THOSE TECHNICIANS OF CONDITIONS THAT MAY OCCUR ON SOME VEHICLES, OR TO PROVIDE INFORMATION THAT COULD ASSIST IN THE PROPER SERVICE OF A VEHICLE. PROPERLY TRAINED TECHNICIANS HAVE THE EQUIPMENT, TOOLS, SAFETY INSTRUCTIONS AND KNOW-HOW TO DO A JOB PROPERLY AND SAFELY. IF A CONDITION IS DESCRIBED, DO NOT ASSUME THAT THE BULLETIN APPLIES TO YOUR VEHICLE, OR THAT YOUR VEHICLE WILL HAVE THAT CONDITION. SEE A GENERAL MOTORS DEALER SERVICING YOUR BRAND OF GENERAL MOTORS VEHICLE FOR INFORMATION ON WHETHER YOUR VEHICLE MAY BENEFIT FROM THE INFORMATION.

COPYRIGHT 1996 GENERAL MOTOR CORPORATION. ALL RIGHTS RESERVED.