GM Service Manual Online
For 1990-2009 cars only
Figure 1:

Forward Lamps Harness, Left Side (Electrical)


Object Number: 499809  Size: LF
(1)LH Hi/Low Beam Headlamp (Sealed Beam)
(2)C100
(3)P100
(4)C101
(5)S135
(6)C102
(7)S106 (Late 98)
(8)S103 (Late 98)
(9)LH Front Park/Turn Lamp Connector
(10)LH Front Park/Turn Lamp
(11)S102 (Late 98)
(12)S106 (Early 98)
(13)S105
(14)LH Front Side Marker Lamp Connector
(15)S104
(16)LH Front Side Marker
(17)S103 (Early 98)
(18)S102 (Early 98)
(19)Front End Discriminating Sensor Connector
(20)Front End Discriminating Sensor
(21)S107
Figure 2:

Forward Lamp Harness, Right Side


Object Number: 374516  Size: LF
(1)Window Washer Pump Rear
(2)S101
(3)Park/Turn Lamp Right Front
(4)Park/Turn Lamp Right Front Connector
(5)Side Marker Lamp Right Front Connector
(6)Side Marker Lamp Right Front
(7)S100
(8)Hi/Lo Headlamp (Sealed Beam) Right
(9)G100
(10)Blower Motor Front
(11)Windshield Washer Pump Front
(12)Blower Motor Resistor and Relay Pack
Figure 3:

Engine Wiring, Left Side (Electrical)


Object Number: 374517  Size: LF
(1)A/C Compressor Clutch
(2)A/C Compressor Clutch Connector
(3)Throttle Position Sensor
(4)Engine Coolant Temperature Gauge Sensor Connector
(5)Idle Air Control Valve Motor
(6)Throttle Position Sensor Connector
(7)Fuel Injector #2 (Inside Plenum)
(8)Idle Air Control Valve Motor Connector
(9)Fuel Injector Connector (C104)
(10)C103
(11)Fuel Injector #4 (Inside Plenum)
(12)G107
(13)Distributor
(14)Fuel Injector #6 (Inside Plenum)
(15)Oil Pressure Switch and Sender Connector
(16)S124
(17)Camshaft Position Sensor (Inside Distributor)
(18)Camshaft Position Sensor Connector
(19)S126
(20)Oil Pressure Switch and Sender
(21)Knock Sensor
(22)Knock Sensor Connector
(23)G106
(24)Fuel Injector #5 (Inside Plenum)
(25)Engine Coolant Temperature Gauge Sensor
(26)Fuel Injector #3 (Inside Plenum)
(27)Fuel Injector #1 (Inside Plenum)
(28)A/C High Pressure Cut-Off Switch
(29)A/C Compressor
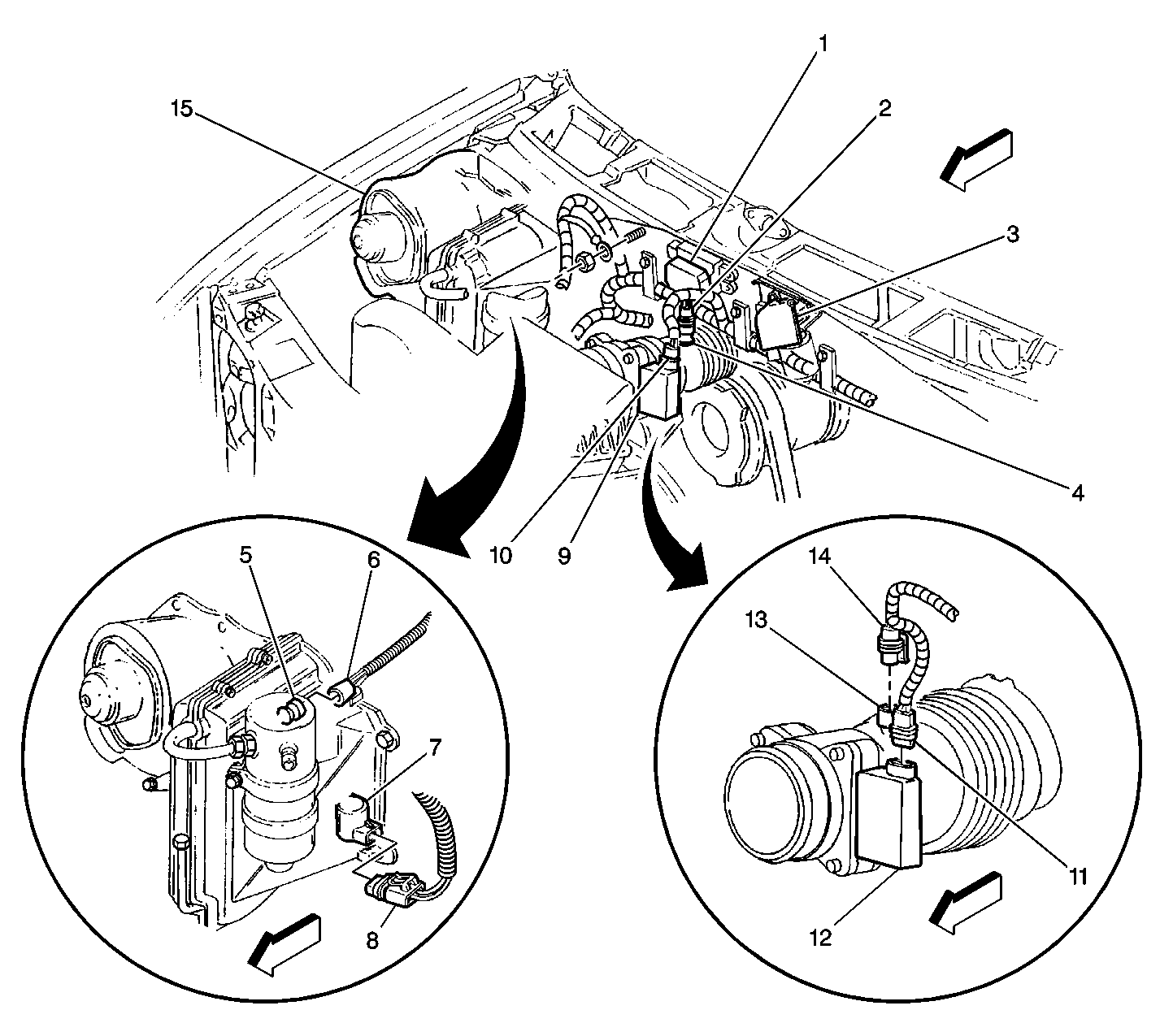
Figure 4:

Engine Wiring, Right Side


Object Number: 374535  Size: LF
(1)S123
(2)Evaporative Emission Canister Purge Solenoid Valve Connector
(3)Ignition Coil Connector
(4)S122
(5)Ignition Control Module
(6)S120
(7)Distributor Ignition Control Module Connector
(8)Generator
(9)Generator Connector
(10)Ignition Coil
(11)Map Sensor Connector
(12)Map Sensor
(13)Evaporative Emission Canister Purge Solenoid Valve
Figure 5:

Vehicle Control Module Wiring


Object Number: 374532  Size: LF
(1)Vehicle Control Module (VCM)
(2)S153
(3)S151
(4)S152
(5)(VCM) Blue 32-Way Connector (C1)
(6)(VCM) Red 32-Way Connector (C2)
(7)(VCM) Black 32-Way Connector (C4)
(8)(VCM) Clear 32-Way Connector (C3)
Figure 6:

Bulkhead/Underhood Fuse-Relay Center Wiring


Object Number: 474270  Size: LF
(1)S111
(2)S113
(3)S114
(4)S110
(5)S112
(6)S109
(7)S108
Figure 7:

Engine/Center of Front Dash Wiring (Electrical)


Object Number: 374536  Size: LF
(1)Cruise Control Module
(2)Intake Manifold Air Temperature Sensor Connector
(3)Wiper Motor Module Front
(4)Intake Manifold Air Temperature Sensor
(5)A/C Low Pressure Cut-Off Switch
(6)A/C Low Pressure Cut-Off Switch Connector
(7)Heater and A/C Control Valve Solenoid
(8)Heater and A/C Control Valve Solenoid Connector
(9)Mass Air Flow Sensor
(10)Mass Air Flow Sensor Connector
(11)Mass Air Flow Sensor Connector
(12)Mass Air Flow Sensor
(13)Intake Manifold Air Temperature Sensor
(14)Intake Manifold Air Temperature Sensor Connector
(15)Blower Motor Front
Figure 8:

Front of Dash Wiring, Left Side (Electrical)


Object Number: 374519  Size: LF
(1)S130
(2)S135
(3)C102
(4)C105
(5)G110
Figure 9:

Instrument Cluster Wiring


Object Number: 297592  Size: LF
(1)S217
(2)S216
(3)S215
(4)Headlamp and Panel Dimmer Switch
(5)S214
(6)S213
(7)S211
(8)S207
(9)Daytime Running Lamps Control Module
(10)Daytime Running Lamps Control Module Connector
(11)S212
(12)S218
(13)S219
(14)S220
(15)S221
(16)S222
(17)Ashtray Lamp
(18)Radio Connectors
(19)Remote Control Door Lock Receiver
(20)Remote Control Door Lock Receiver Connector
Figure 10:

IP Wiring, Right Side (Electrical)


Object Number: 374537  Size: LF
(1)S232
(2)S231
(3)S230
(4)S241
(5)S229
(6)S223
(7)S224
(8)S227
(9)S228
(10)Temperature Control Motor Connector
(11)Temperature Control Motor
Figure 11:

IP Fuse Block/Convenience Center Wiring (Electrical)


Object Number: 374538  Size: LF
(1)C212
(2)Audio Alarm Module
(3)Convenience Center
(4)Turn/Hazard Flasher Module
(5)Horn Relay
(6)DRL Relay
(7)IP Fuse Block
(8)C213
Figure 12:

Convenience Center Wiring


Object Number: 499830  Size: LF
(1)S210
(2)S209
(3)S238
(4)S206
(5)S205
(6)S204
(7)S203
(8)C210
(9)S208
Figure 13:

Left Front Interior Wiring


Object Number: 499841  Size: LF
(1)C200
(2)S240
(3)S200
(4)C223
(5)C202
(6)Inflatable Restraint IP Module
(7)Passlock Module
(8)Front Auxiliary Power Outlet #1
(9)Front Auxiliary Power Outlet #2
(10)Cigarette Lighter Connector
(11)S234
(12)Engine Cover Ground
(13)Inflatable Restraint Sensing Diagnostic Module
(14)Inflatable Restraint Sensing Diagnostic Module Connector
(15)C333
(16)S242
(17)C300
(18)S300
(19)S325
(20)CHMSL Resistor
(21)S326
(22)S324
(23)S327
(24)Park Brake Warning Switch
(25)S303
(26)S304
(27)S305
(28)S306
Figure 14:

Interior Lamp Module DLC Wiring


Object Number: 374542  Size: LF
(1)C211
(2)Interior Lamp Control Module
(3)Data Link Connector
(4)S233
(5)S208
(6)C201
Figure 15:

Vanity Mirror Wiring


Object Number: 499850  Size: LF
(1)S237
(2)Vanity Lamp Connector
(3)Vanity Lamp
(4)S236
Figure 16:

Right Kick Panel Wiring (Electrical)


Object Number: 374543  Size: LH
(1)Door Lock Relay
(2)Door Lock Control Module
(3)G200
(4)Right Door Jamb Switch Connector
(5)Right Door Jamb Switch
(6)C205
(7)C203
(8)C204
Figure 17:

Left Kick Panel Wiring


Object Number: 374521  Size: LF
(1)G300
(2)C301
(3)C303
(4)S300
(5)Left Door Jamb Switch
Figure 18:

Front Door Wiring


Object Number: 374525  Size: LF
(1)S504 (Left), S601 (Right)
(2)S600 (Right)
(3)S506 (Left)
(4)S605 (Right)
(5)Front Power Window Switch Connector (C1)
(6)Front Power Window Switch Connector (C2)
(7)Power Door Lock Switch Connector
(8)Front Door Lock Motor
(9)Front Door Lock Motor Connector
(10)S505 (Left), S603 (Right)
(11)Speaker Connector
(12)P500 (Left), P600 (Right)
(13)Front Power Window Motor
(14)Tweeter Connector
(15)S501 (Left), S604 (Right)
(16)Outside Rearview Mirror Connector
(17)S500 (Left)
(18)S502 (Left)
(19)S602 (Right)
(20)S503 (Left)
(21)Front Power Window Motor Connector
Figure 19:

Power Seats Routing


Object Number: 298032  Size: MF
(1)Power Seat Harness
(1)Power Seat Harness
(2)Power Seat Connector
(3)S332
(4)S323
Figure 20:

Power Seat Riser


Object Number: 298031  Size: MF
(1)Front Tilt Seat Motor
(2)Seat Adjuster Switch
(3)Forward/Rearward Seat Motor
(4)C306 (Left), C307 (Right)
(5)Rear Tilt Seat Motor
Figure 21:

Left Courtesy Lamp Wiring


Object Number: 499855  Size: SF
(1)D300
(2)LH Courtesy Lamp
Figure 22:

Transmission Wiring (RWD)


Object Number: 374523  Size: LF
(1)Transmission
(2)Adapter
(3)Park/Neutral Position and Backup Lamp Switch 4-Way Connector
(4)Park/Neutral Position and Backup Lamp Switch 7-Way Connector
(5)Park/Neutral Position and Backup Lamp Switch
(6)S333 (Late 98)
(7)Transmission Connector
(8)Vehicle Speed Sensor Shield (Taped)
(9)Vehicle Speed Sensor Connector
(10)Vehicle Speed Sensor
Figure 23:

Transmission Wiring (F4WD)


Object Number: 374524  Size: LF
(1)Transmission
(2)Transmission Connector
(3)S333
(4)Transfer Case
(5)Vehicle Speed Sensor
(6)Vehicle Speed Sensor Connector
(7)Vehicle Speed Sensor Shield (Taped)
(8)C304
(9)Park Neutral Position and Backup Lamp Switch 4-Way Connector
(10)Park Neutral Position and Backup Lamp Switch 7-Way Connector
(11)Park Neutral Position and Backup Lamp Switch
Figure 24:

Undercarriage Wiring


Object Number: 374544  Size: LF
(1)C3
(2)Electronic Brake Control Module (EBCM)
(3)C2
(4)C1
(5)S126
(6)S129
(7)S127 (Late 98)
(8)G302
(9)Fuel Pump and Level Sender Connector
(10)Evaporative Emission Canister Vent Valve
Figure 25:

Left B Pillar Harness


Object Number: 374526  Size: MF
(1)S307
(2)S308
(3)S315
(4)S322
Figure 26:

Left Rear Body Harness (Electrical)


Object Number: 374528  Size: LF
(1)Rear A/C Blower Motor
(2)S313
(3)S312
(4)S311
(5)S310
(6)S309
(7)S314
(8)S315
(9)S322
(10)S316
(11)Sub-Woofer Amplifier
(12)Sub-Woofer Amplifier connector
(13)S318
(14)S317
(15)G404
Figure 27:

Right Rear Body Wiring


Object Number: 374539  Size: SF
(1)S334
(2)S335
(3)Liftgate Lock/Unlock Relay
(4)Liftgate Lock/Unlock Relay Connector
Figure 28:

Right D Pillar Wiring


Object Number: 499862  Size: LF
(1)S400
(2)Rear Door Lock Motor
(3)P401
(4)Trailer Harness (Taped Wires)
(5)S403
(6)S402
(7)S401
(8)G401
(9)Right Rear Speaker
(10)Rear Door Jamb Switch
(11)Rear Door Jamb Switch Connector
(12)Right Rear D-Pillar
Figure 29:

Left D Pillar Wiring


Object Number: 499866  Size: LF
(1)S321
(2)S320
(3)Left Rear Speaker
(4)S319
(5)Left Rear Door Speaker (Base Radio) Left Rear Sub-Woofer (Premium Radio)
(6)P400
(7)G400
(8)S400
(9)C401
Figure 30:

Right D Pillar Wiring (Electrical)


Object Number: 281342  Size: MH
(1)G401
(2)G403
(3)S407
Figure 31:

Liftgate Strut Switch Wiring


Object Number: 374533  Size: LF
(1)Left Liftgate Strut Switch
(2)Left Liftgate Strut Switch Connector
(3)Liftgate Lock/Unlock Relay
(4)S334
(5)S335