GM Service Manual Online
For 1990-2009 cars only
Makes
🢒
Chevrolet
🢒
1998
🢒
Astro - 2WD
🢒
Body and Accessories
🢒
Horns
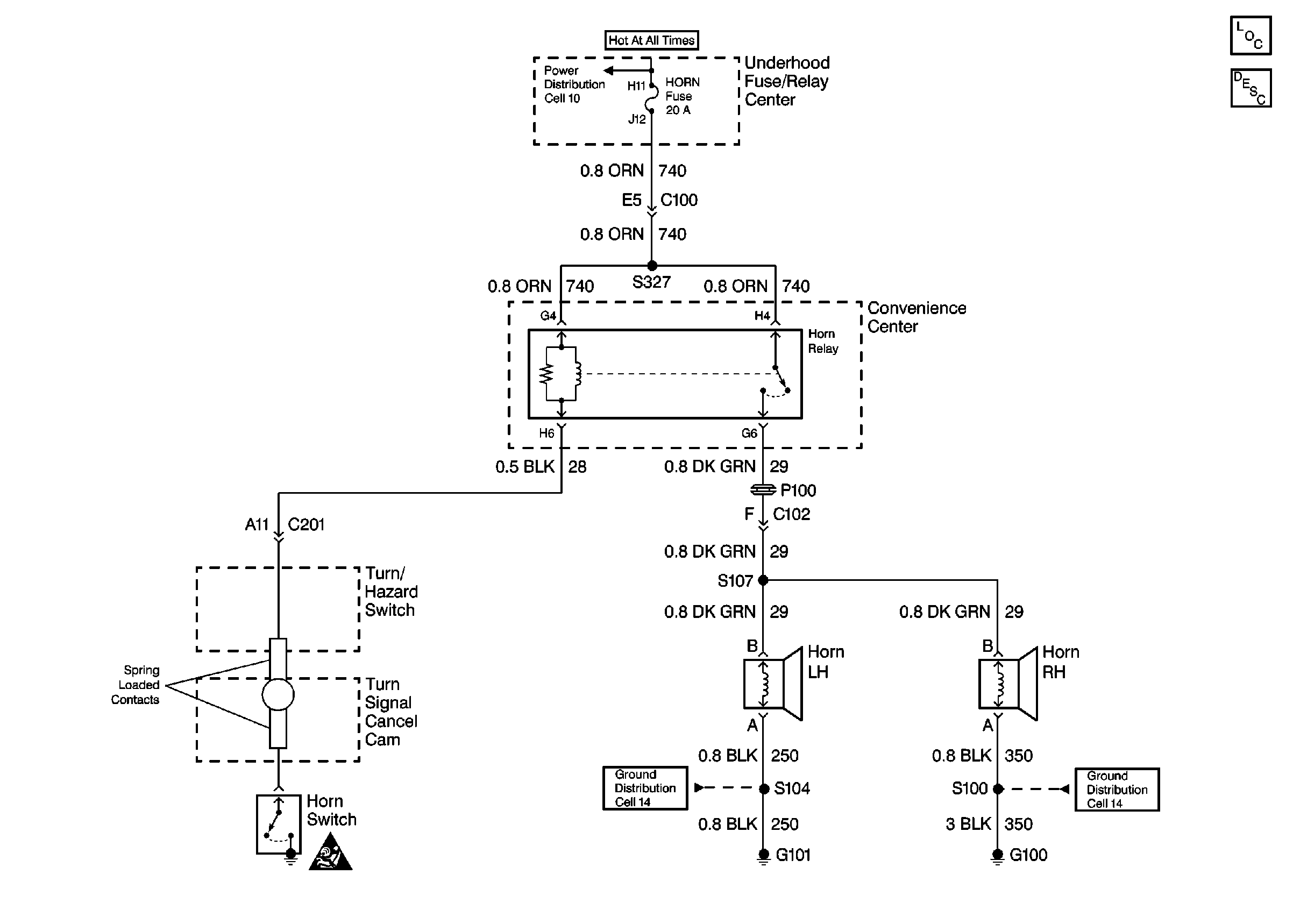
🢒 Horn Schematics
Cell 140 Horns
Power Distribution Schematics
Horns Components
Horns Circuit Description
SIR Handling Caution
Ground Distribution Schematics
Ground Distribution Schematics