GM Service Manual Online
For 1990-2009 cars only
Makes
🢒
Chevrolet
🢒
1998
🢒
Astro - 2WD
🢒
Body and Accessories
🢒
Cruise Control
🢒 Cruise Control Schematics
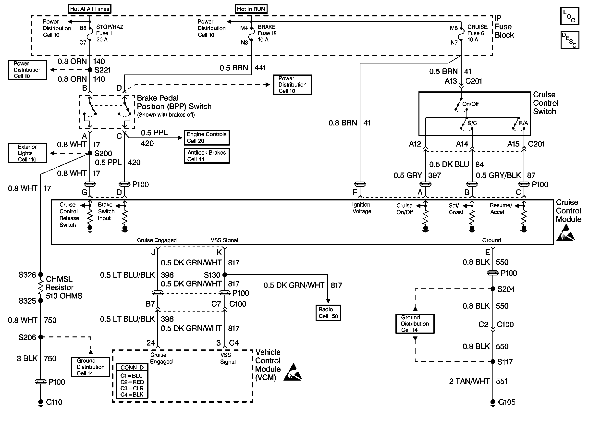
Cell 34 Cruise Control
Cruise Control Components
Cruise Control System Circuit Description
Power Distribution Schematics
Power Distribution Schematics
Power Distribution Schematics
Exterior Lights Schematics
Engine Controls Schematics
Antilock Brake System Schematics
Handling ESD Sensitive Parts Notice
Radio/Audio System Schematics
Ground Distribution Schematics
Ground Distribution Schematics
Handling ESD Sensitive Parts Notice