GM Service Manual Online
For 1990-2009 cars only
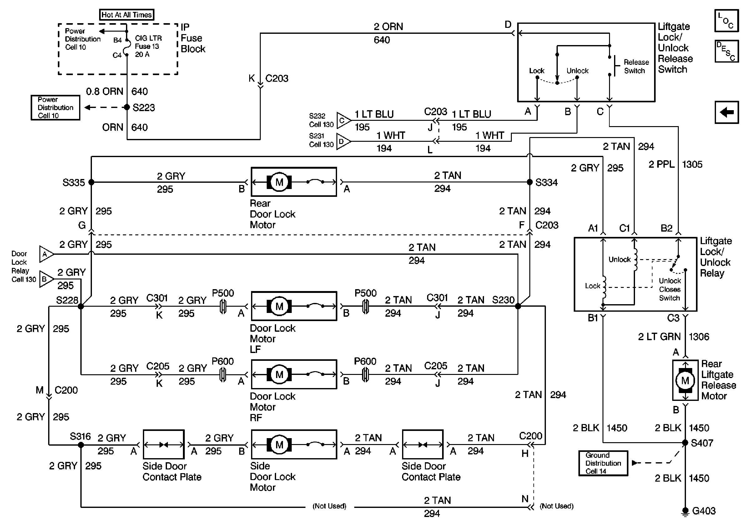
Figure 1:

Cell 130: IP Fuse Block, Door Lock Relay, Door Lock Control Module


Object Number: 500010  Size: FS
Power Door Systems Components
Power Door Locks Circuit Description
Cell 130: LF Door Lock Motor, RF Door Lock Motor, Rear Door Lock Motor
Cell 130: IP Fuse Block, Liftgate Lock/Unlock Release Switch, Side Door Contact Plate, Rear Liftgate Release Motor
Interior Lights Schematics
Cell 130: LF Door Lock Motor, RF Door Lock Motor, Rear Door Lock Motor
Ground Distribution Schematics
Ground Distribution Schematics
Handling ESD Sensitive Parts Notice
Power Distribution Schematics
Power Distribution Schematics
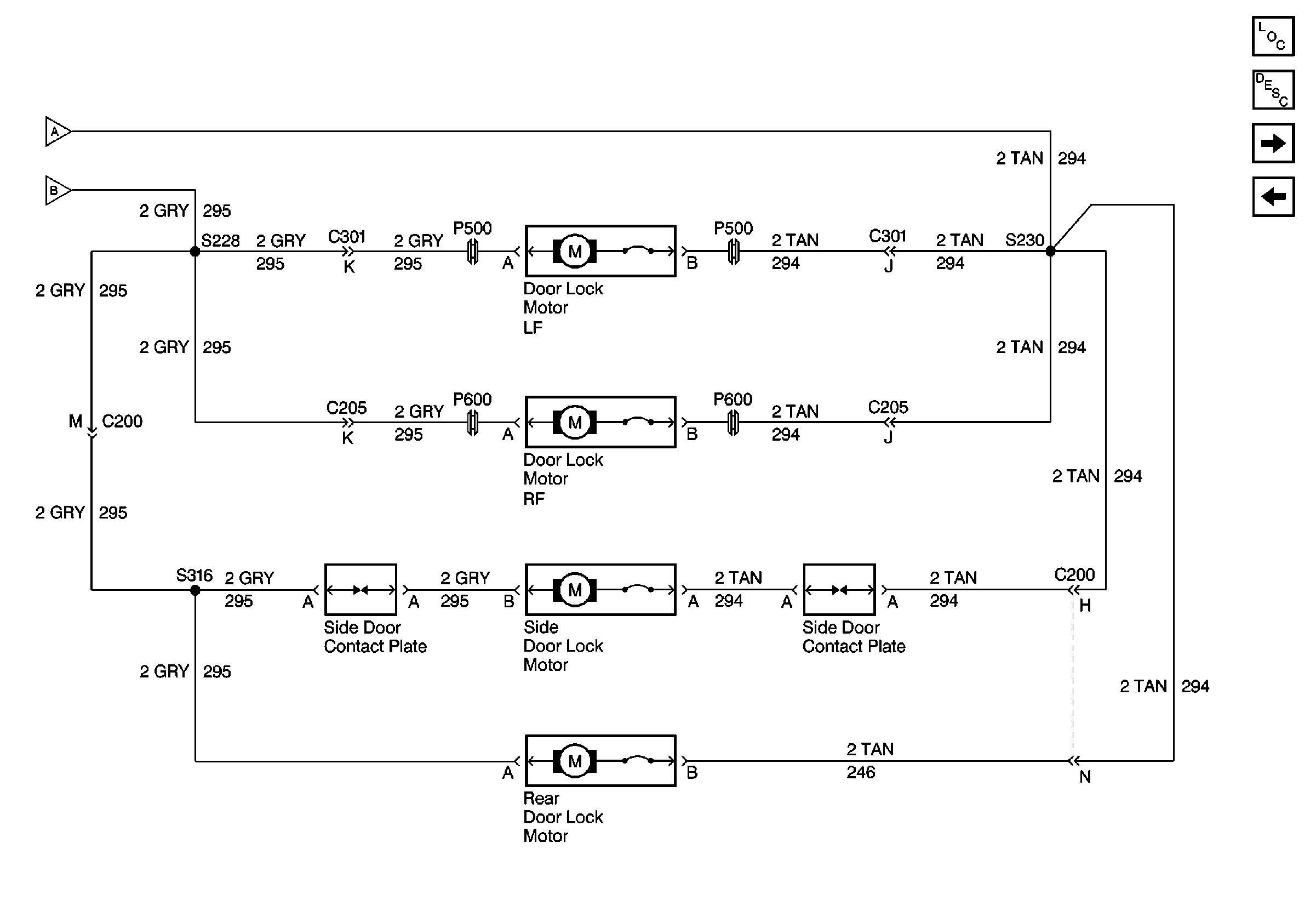
Figure 2:

Cell 130: LF Door Lock Motor, RF Door Lock Motor, Rear Door Lock Motor


Object Number: 500014  Size: FS
Cell 130: IP Fuse Block, Door Lock Relay, Door Lock Control Module
Cell 130: IP Fuse Block, Door Lock Relay, Door Lock Control Module
Cell 130: IP Fuse Block, Liftgate Lock/Unlock Release Switch, Side Door Contact Plate, Rear Liftgate Release Motor
Power Door Locks Circuit Description
Power Door Systems Components
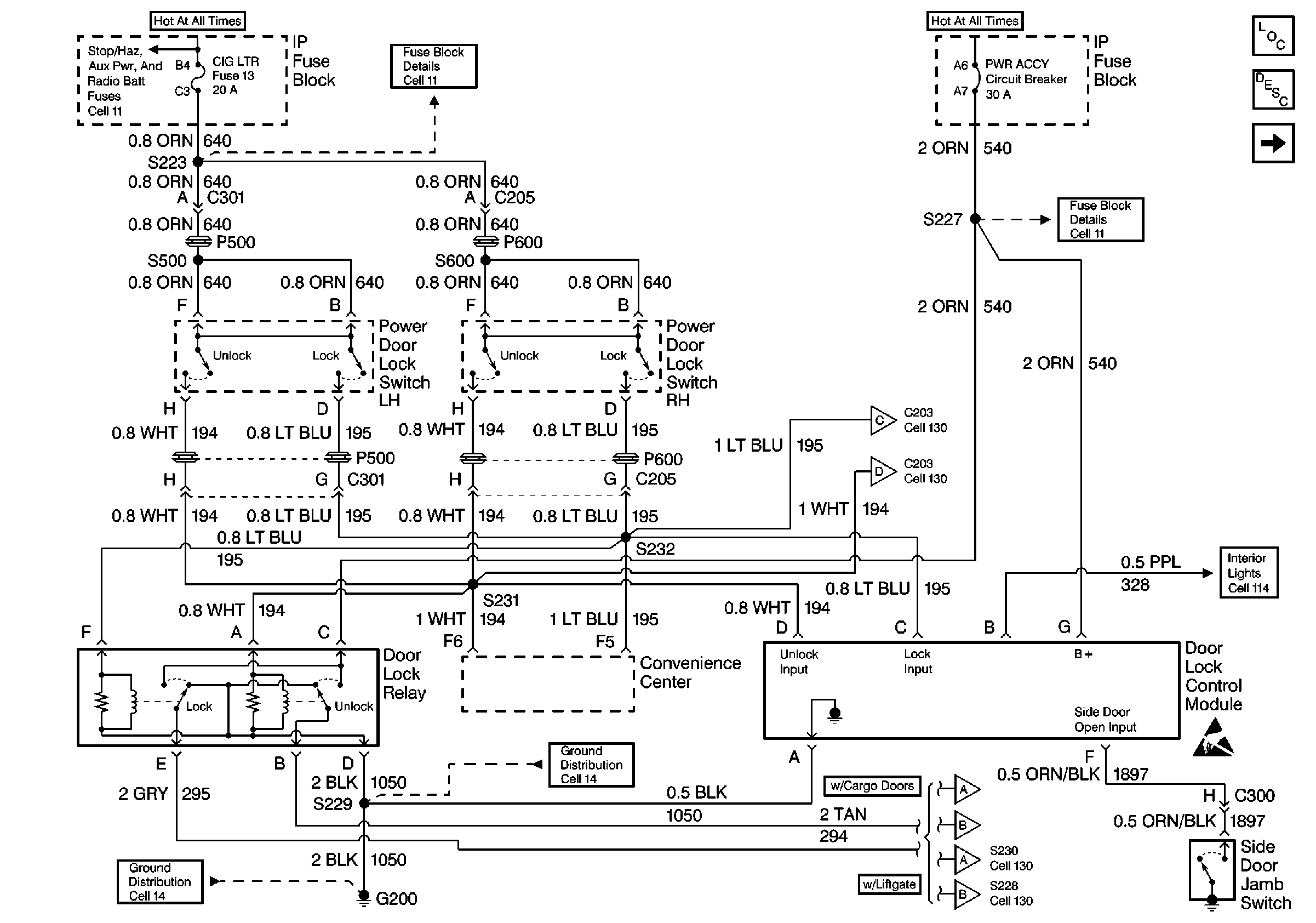
Figure 3:

Cell 130: IP Fuse Block, Liftgate Lock/Unlock Release Switch, Side Door Contact Plate, Rear Liftgate Release Motor


Object Number: 500017  Size: FS
Fuse Block Schematics
Cell 130: IP Fuse Block, Door Lock Relay, Door Lock Control Module
Power Door Systems Components
Power Door Locks Circuit Description
Cell 130: LF Door Lock Motor, RF Door Lock Motor, Rear Door Lock Motor
Ground Distribution Schematics
Cell 130: IP Fuse Block, Door Lock Relay, Door Lock Control Module