GM Service Manual Online
For 1990-2009 cars only
Makes
🢒
Chevrolet
🢒
1998
🢒
Astro - 2WD
🢒
Body and Accessories
🢒
Body Rear End
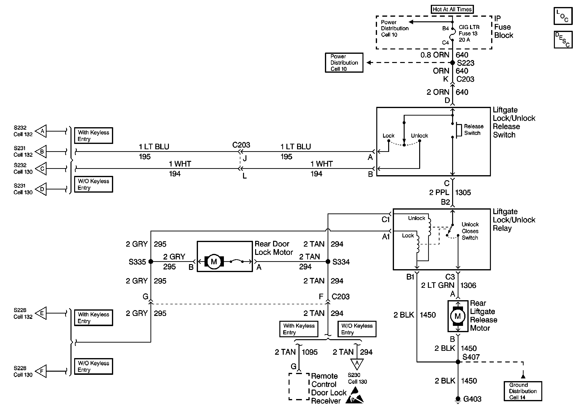
🢒 Release Systems Schematics
Cell 134 Rear Liftgate Window Release
Liftgate Window Release Circuit Description
Body Rear End Components
Power Distribution Schematics
Handling ESD Sensitive Parts Notice
Ground Distribution Schematics