GM Service Manual Online
For 1990-2009 cars only

SMU - SEC. 6 - ENGINE - REVISED SCHEMATICS

SUBJECT: SERVICE MANUAL UPDATE - SECTION 6 - ENGINE - REVISED SCHEMATICS

MODELS: 1998 CHEVROLET AND GMC M/L MODELS

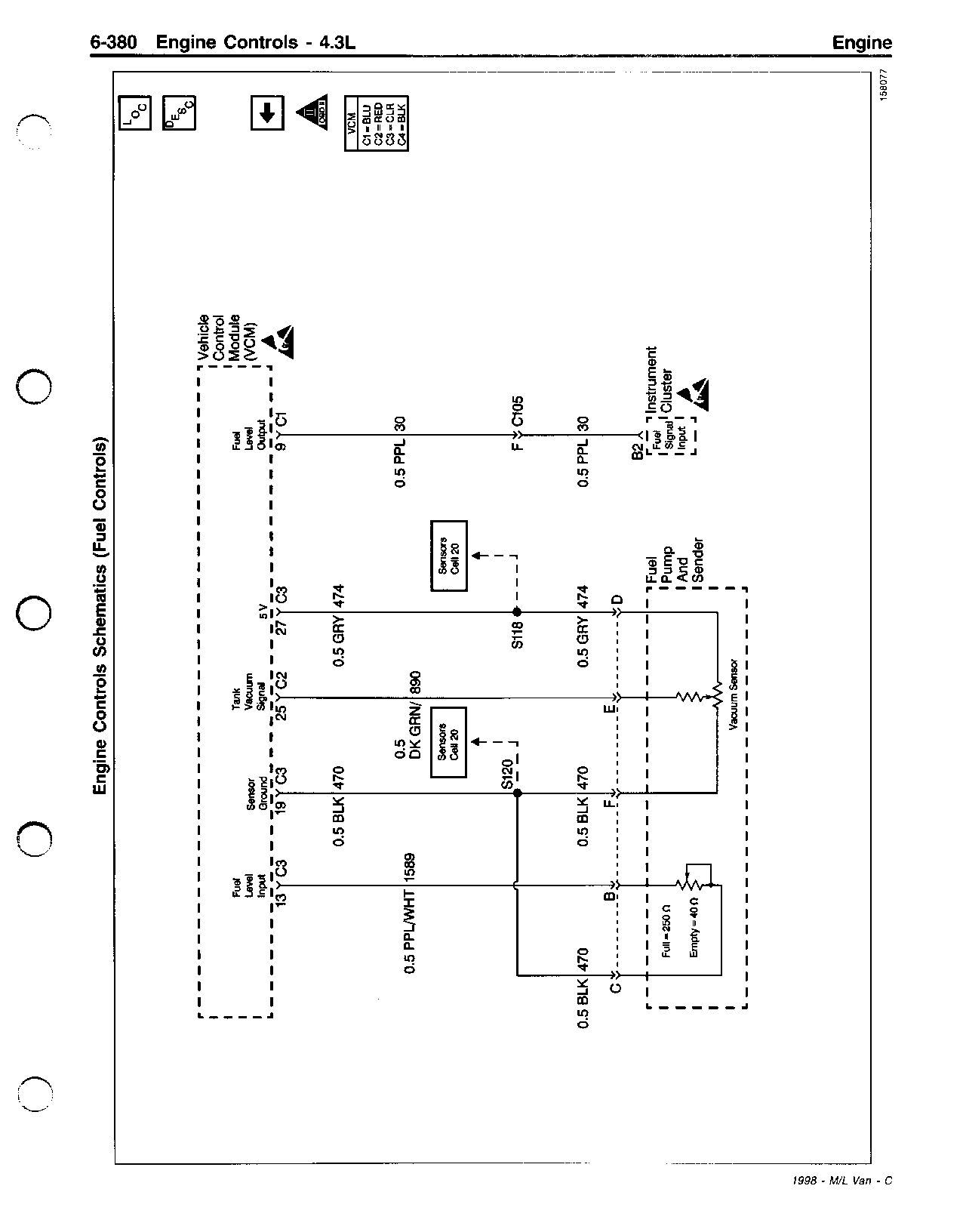
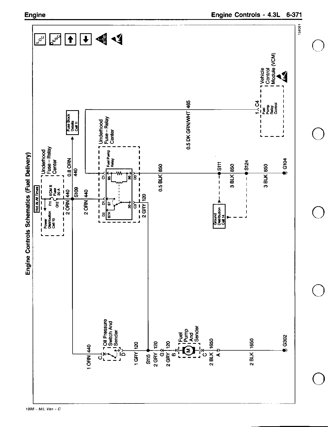
THIS BULLETIN REVISES THE SCHEMATICS ON PAGES 6-371 AND 6-380 IN THE 1998 M/L SERVICE MANUAL.

PLEASE REPLACE WITH THE ATTACHED.

FIGURES: 00 ATTACHMENTS: 02


Object Number: 484181  Size: FS


Object Number: 484183  Size: FS

GENERAL MOTORS BULLETINS ARE INTENDED FOR USE BY PROFESSIONAL TECHNICIANS, NOT A "DO-IT-YOURSELFER". THEY ARE WRITTEN TO INFORM THOSE TECHNICIANS OF CONDITIONS THAT MAY OCCUR ON SOME VEHICLES, OR TO PROVIDE INFORMATION THAT COULD ASSIST IN THE PROPER SERVICE OF A VEHICLE. PROPERLY TRAINED TECHNICIANS HAVE THE EQUIPMENT, TOOLS, SAFETY INSTRUCTIONS AND KNOW-HOW TO DO A JOB PROPERLY AND SAFELY. IF A CONDITION IS DESCRIBED, DO NOT ASSUME THAT THE BULLETIN APPLIES TO YOUR VEHICLE, OR THAT YOUR VEHICLE WILL HAVE THAT CONDITION. SEE A GENERAL MOTORS DEALER SERVICING YOUR BRAND OF GENERAL MOTORS VEHICLE FOR INFORMATION ON WHETHER YOUR VEHICLE MAY BENEFIT FROM THE INFORMATION.

COPYRIGHT 1998 GENERAL MOTORS CORPORATION. ALL RIGHTS RESERVED.