GM Service Manual Online
For 1990-2009 cars only
Makes
🢒
Chevrolet
🢒
1998
🢒
Astro - 2WD
🢒 Ignition System Controls
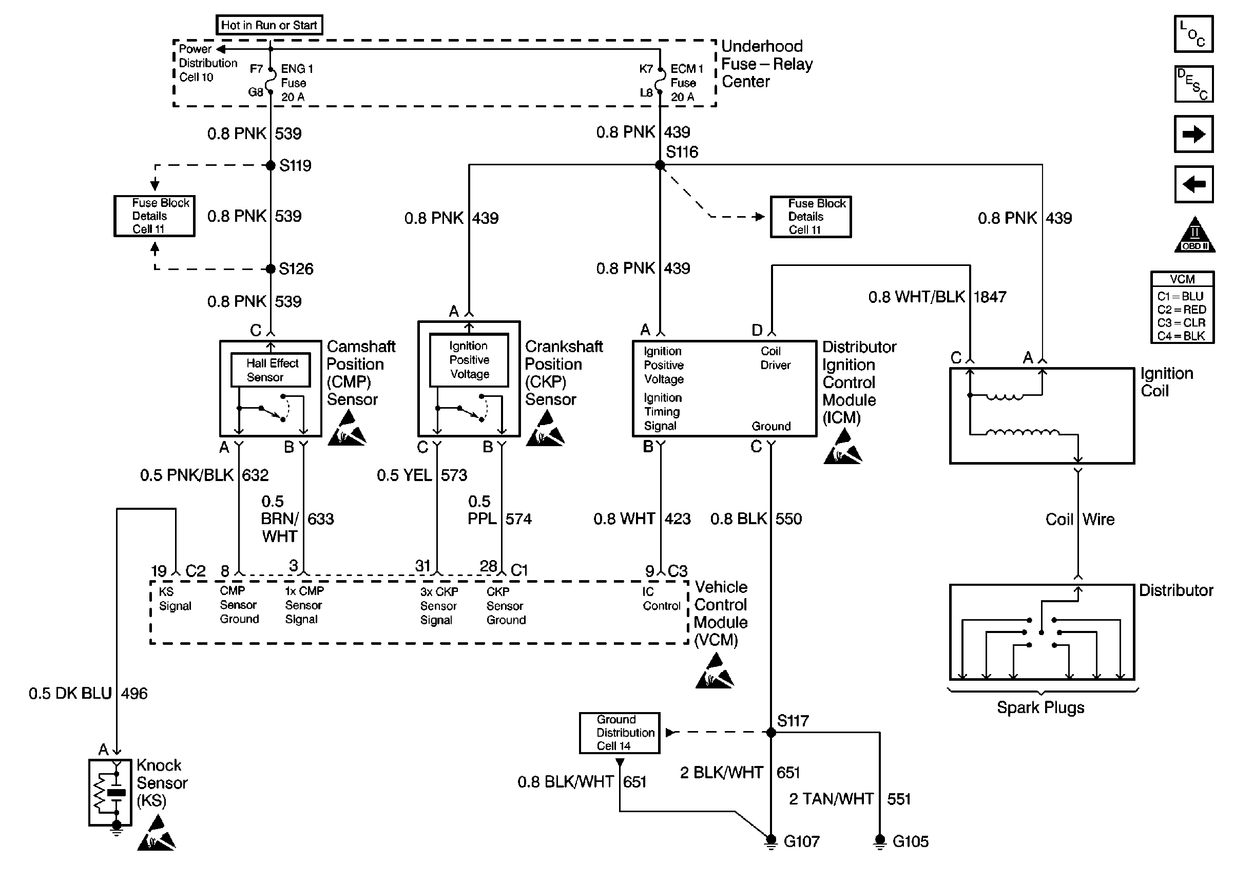
Ignition System Controls
Ignition System Controls
Engine Controls Components
Enhanced Ignition System Description
Fuel Delivery
Power and Grounds
Engine Controls Schematic Icons
Engine Controls Schematic Icons
Engine Controls Schematic Icons
Engine Controls Schematic Icons
Engine Controls Schematic Icons
Engine Controls Schematic Icons