GM Service Manual Online
For 1990-2009 cars only
Makes
🢒
Chevrolet
🢒
1998
🢒
Astro - 2WD
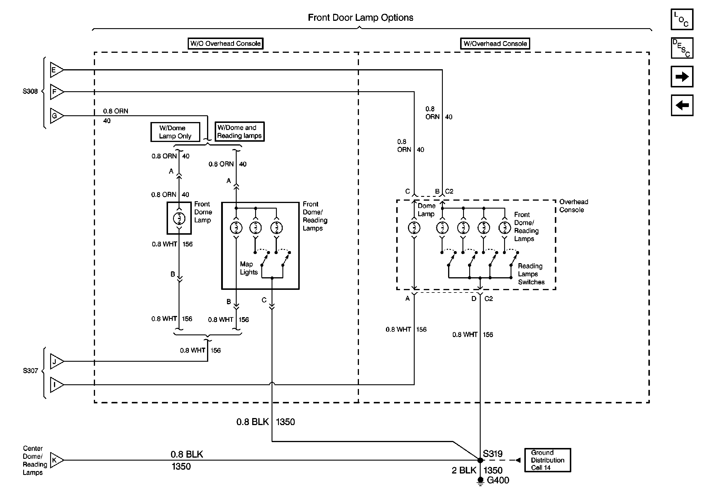
🢒 Cell 114 Front Dome/Reading Lamps, Front Dome Lamp, Overhead Console)
Cell 114 Front Dome/Reading Lamps, Front Dome Lamp, Overhead Console)
Cell 114 Front Dome/Reading Lamps, Front Dome Lamp, Overhead Console)
Lighting Systems Components
Interior Lights Circuit Description
Cell 114 (RH Vanity Lamp, Convenience Center)
Cell 114 (Center Dome/Reading Lamps, RH Courtesy Lamp, Rear Dome Lamp)
LH Front Seat
Cell 114 (Center Dome/Reading Lamps, RH Courtesy Lamp, Rear Dome Lamp)
Cell 114 (Center Dome/Reading Lamps, RH Courtesy Lamp, Rear Dome Lamp)
Cell 114 (Center Dome/Reading Lamps, RH Courtesy Lamp, Rear Dome Lamp)
Cell 114 (Center Dome/Reading Lamps, RH Courtesy Lamp, Rear Dome Lamp)
Cell 114 (Center Dome/Reading Lamps, RH Courtesy Lamp, Rear Dome Lamp)
Cell 114 (Center Dome/Reading Lamps, RH Courtesy Lamp, Rear Dome Lamp)