GM Service Manual Online
For 1990-2009 cars only
Makes
🢒
Chevrolet
🢒
1998
🢒
Astro - 2WD
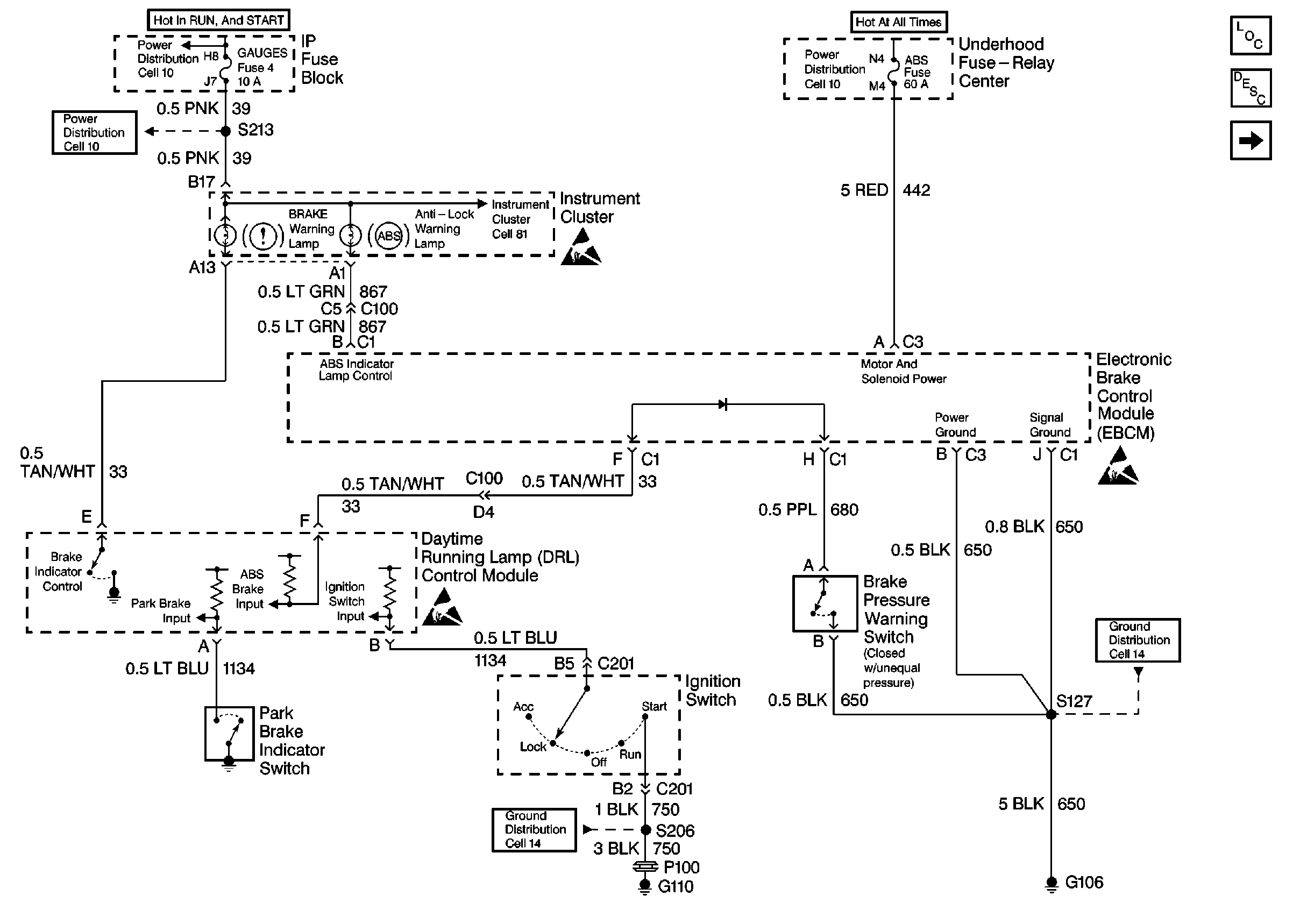
🢒 EBCM Ground Supply and Controls
EBCM Ground Supply and Controls
EBCM Ground Supply and Controls
ABS Components
ABS Description
EBCM Power Supply and Communication
Antilock Brake System Schematic Icons
Antilock Brake System Schematic Icons
Antilock Brake System Schematic Icons
GAUGES, AIR BAG Fuses
GAUGES, AIR BAG Fuses
Cell 14 (G108, G106, G101)
Cell 14 (G110)