GM Service Manual Online
For 1990-2009 cars only
Makes
🢒
Chevrolet
🢒
1998
🢒
Astro - 2WD
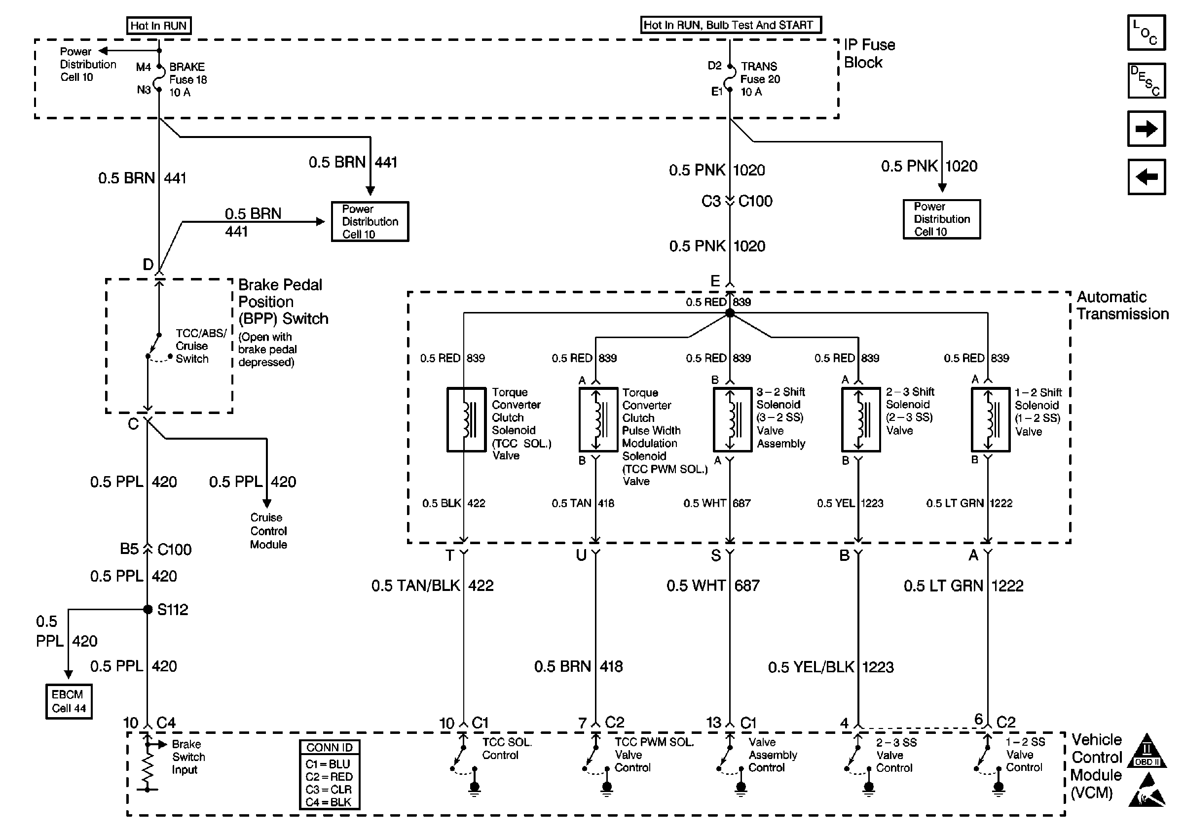
🢒 Transmission Shift Controls
Transmission Shift Controls
Transmission Shift Controls
Engine Controls Components
Electronic Component Description
Transmission Switch Input Controls
Speed & Cruise Controls
EBCM Power Supply and Communication
Engine Controls Schematic Icons
TURN-B/U, TRANS Fuses, and WINDOWS Circuit Breaker
B+ Bus, Ignition Switch, Run Bus
B+ Bus, Ignition Switch, Run Bus
Cell 34 Cruise Control