GM Service Manual Online
For 1990-2009 cars only
Makes
🢒
Chevrolet
🢒
1998
🢒
Astro - 2WD
🢒 Cell 147 Power Mirrors
Cell 147 Power Mirrors
Cell 147 Power Mirrors
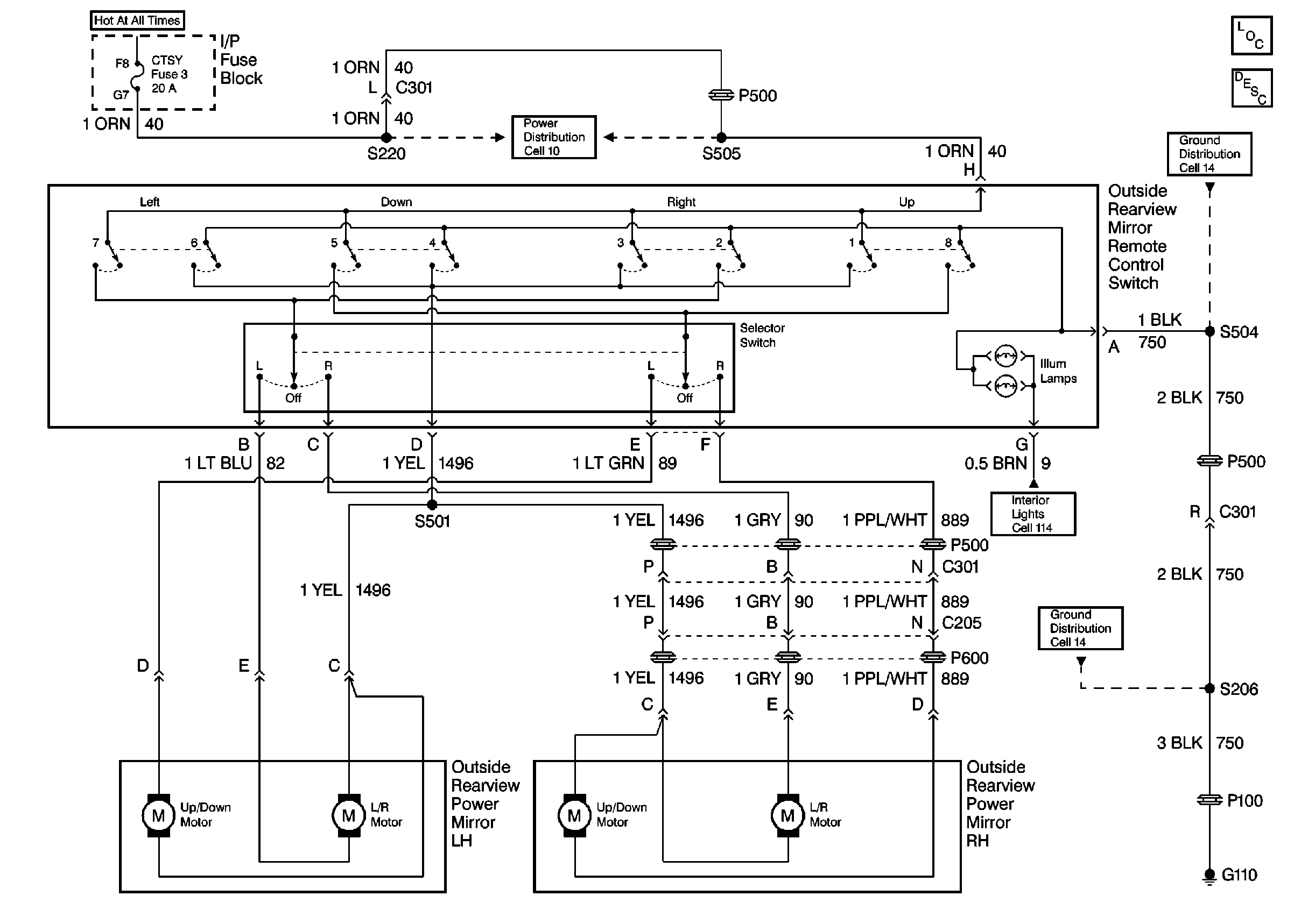
Power Door Systems Components
Outside Mirrors Circuit Description
CTSY Fuse
Cell 14 (G110)
Cell 14 (G110)
Cell 114 (IP Fuse Block, Headlamp and Panel Dimmer Switch, RH Power Door Lock Switch, Rear Radio Control Module, Outside Rearview Mirror Control Switch)