GM Service Manual Online
For 1990-2009 cars only
Makes
🢒
Chevrolet
🢒
1998
🢒
Astro - 2WD
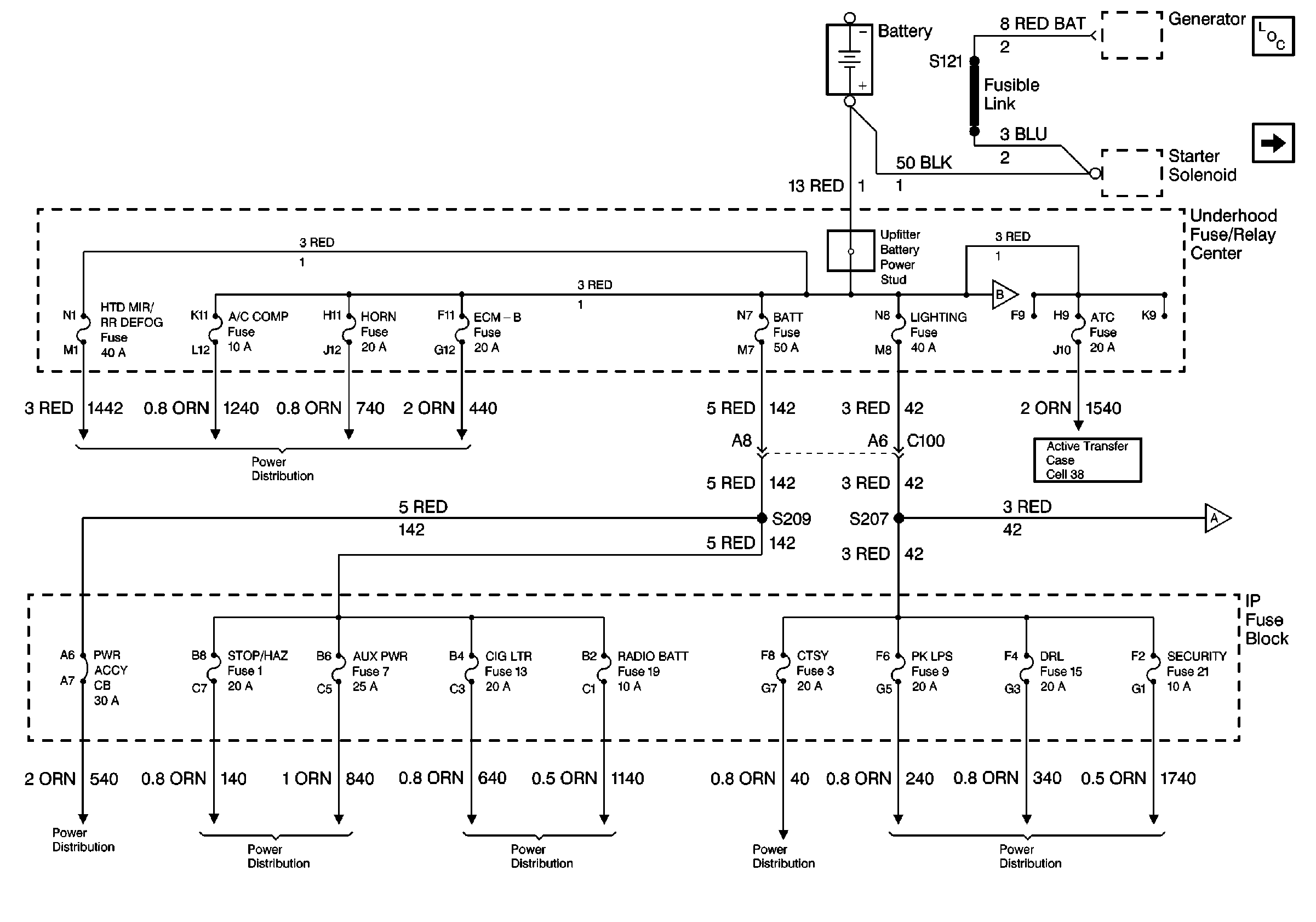
🢒 Cell 10 (Starter Solenoid, IP Fuse Block)
Cell 10 (Starter Solenoid, IP Fuse Block)
Cell 10 (Starter Solenoid, IP Fuse Block)
Power Distribution Schematics
Power Distribution Schematics
Power Distribution Schematics
Power Distribution Schematics
Power Distribution Schematics
Power Distribution Schematics
Power and Grounding Components
Cell 10 (Underhood Fuse Relay, Headlamp and Panel Dimmer Switch, Convenience Center)
Cell 10 (Ignition Switch, IP Fuse Block)
Cell 10 (Ignition Switch, IP Fuse Block)