GM Service Manual Online
For 1990-2009 cars only
Makes
🢒
Chevrolet
🢒
1998
🢒
Astro - 2WD
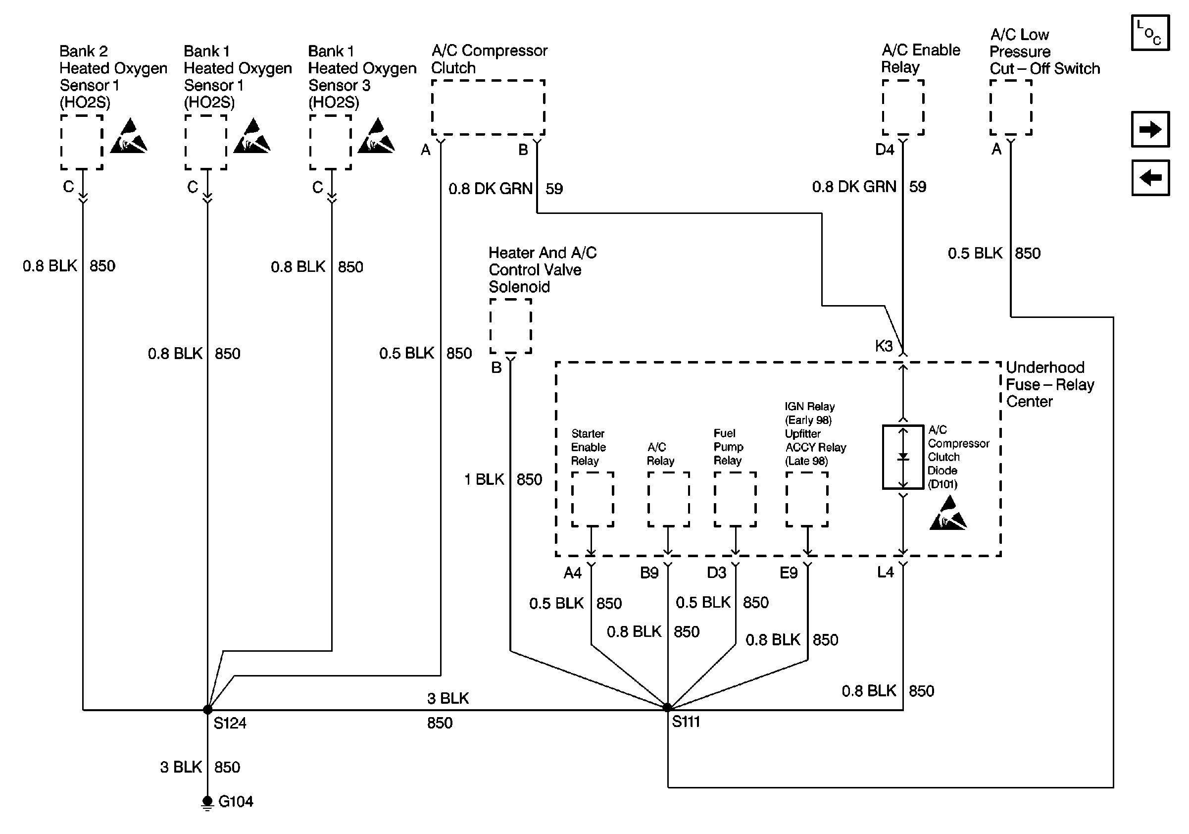
🢒 Cell 14 (G104)
Cell 14 (G104)
Cell 14 (G104)
Handling ESD Sensitive Parts Notice
Handling ESD Sensitive Parts Notice
Handling ESD Sensitive Parts Notice
Handling ESD Sensitive Parts Notice
Power and Grounding Components
Cell 14 (G107, G105)
Cell 14 (G108, G106, G101)