GM Service Manual Online
For 1990-2009 cars only
Makes
🢒
Chevrolet
🢒
1998
🢒
Astro - 2WD
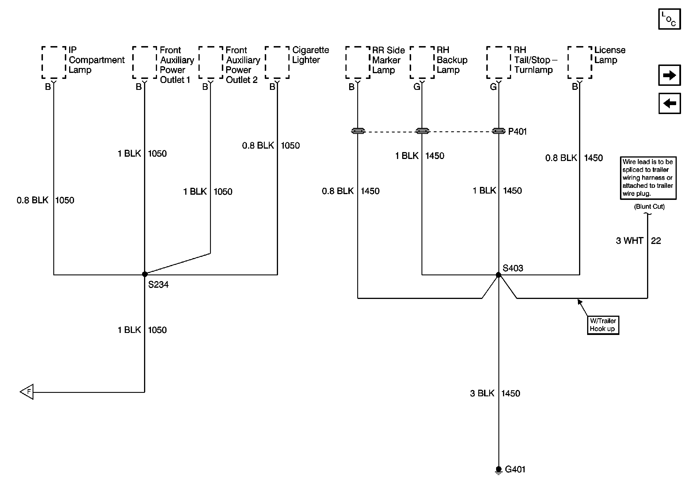
🢒 Cell 14 (G401)
Cell 14 (G401)
Cell 14 (G401)
Power and Grounding Components
Cell 14 (G200)
Cell 14 (G400, G301, G404)
Cell 14 (G200)