GM Service Manual Online
For 1990-2009 cars only
Makes
🢒
Chevrolet
🢒
1998
🢒
Astro - 2WD
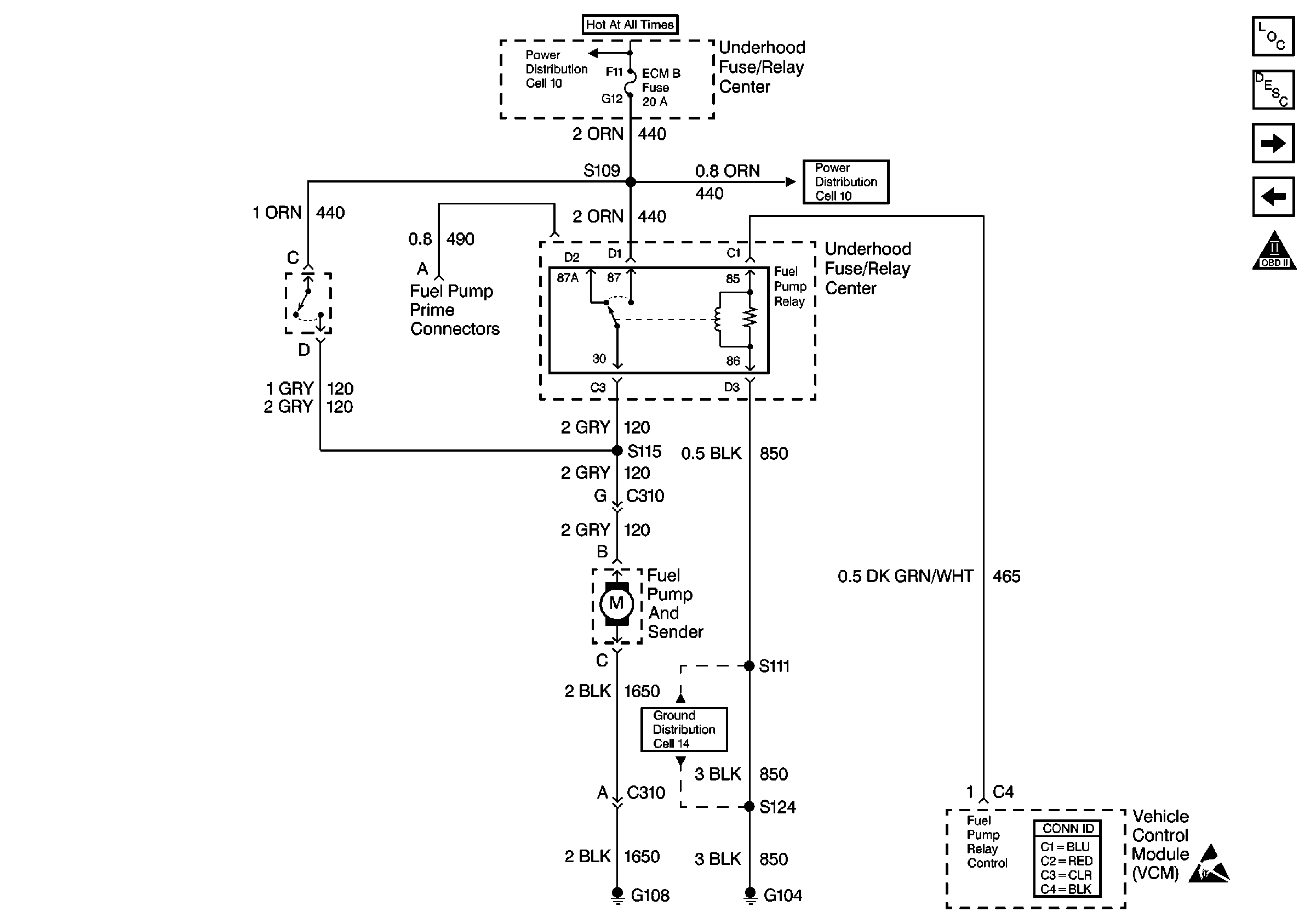
🢒 Fuel Delivery
Fuel Delivery
Fuel Delivery
Power Distribution Schematics
OBD II Symbol Description Notice
Ignition System Controls
Fuel Injection Controls
Central Sequential Duel Injection Fuel System Description
Engine Controls Components
Power Distribution Schematics
Ground Distribution Schematics
Handling ESD Sensitive Parts Notice
VCM Connector End Views