GM Service Manual Online
For 1990-2009 cars only

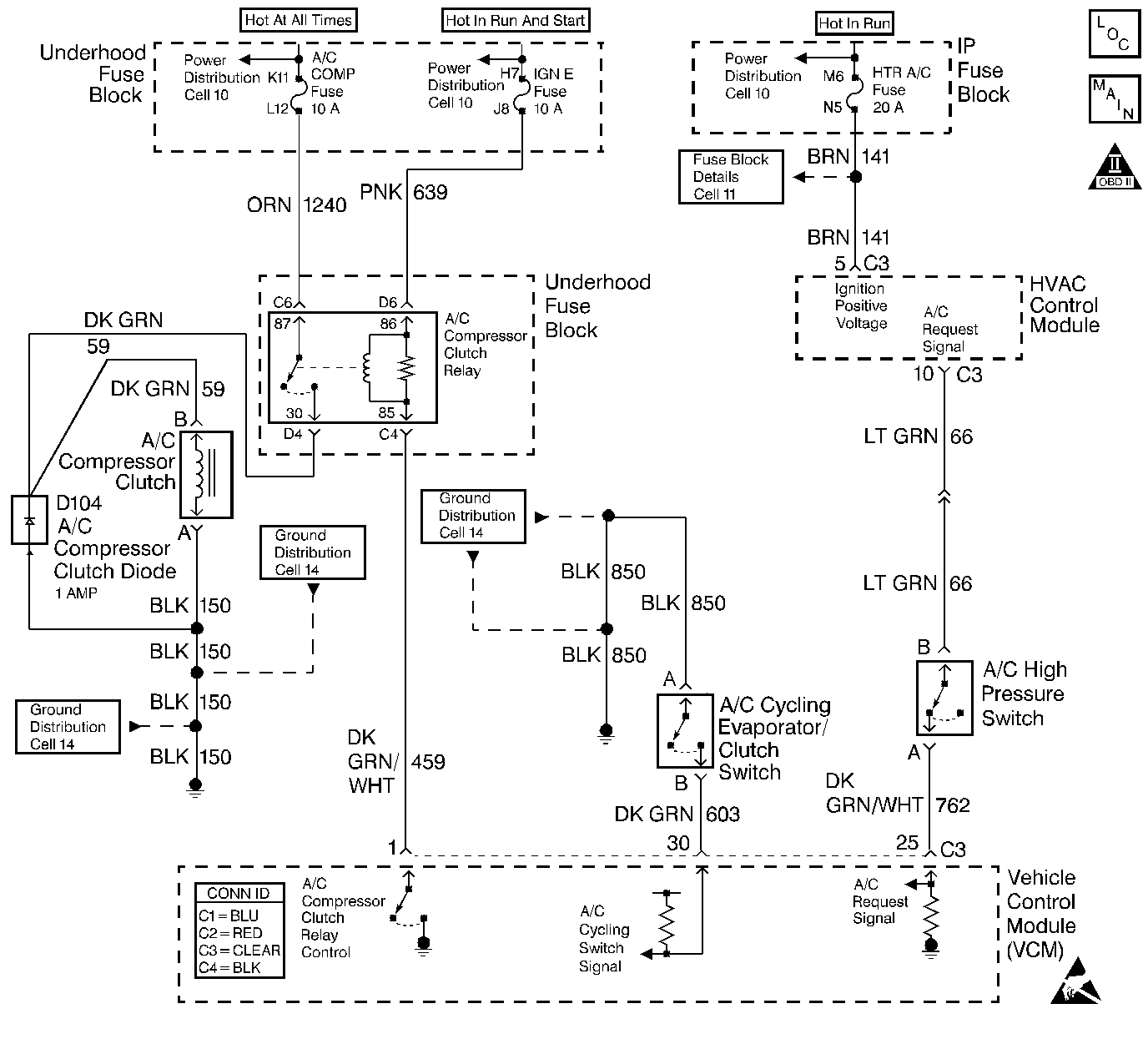
Object Number: 426375  Size: LF
Handling ESD Sensitive Parts Notice
Engine Controls Components
A/C Compressor Controls
OBD II Symbol Description Notice

Circuit Description

The VCM control of the A/C clutch improves idle quality and performance by performing the following conditions:

    • Delaying clutch engagement until the idle speed is increased
    • Releasing the clutch when the idle speed is too low
    • Providing additional fuel at the instant the clutch is applied

The additional fuel smooths the cycling of the compressor.

Turning the air conditioning ON supplies battery voltage through the pressure switches to the VCM. When the VCM receives the voltage on the A/C request signal, the A/C enable relay circuit is grounded. The A/C compressor clutch then engages.

Diagnostic Aids

An intermittent may be caused by any of the following conditions:

    • A poor connection
    • Rubbed through wire insulation
    • A broken wire inside the insulation

Thoroughly check any circuitry that is suspected of causing the intermittent complaint. Refer to Intermittents and Poor Connections Diagnosis in Wiring Systems.

If a repair is necessary, refer to Wiring Repairs or Connector Repairs in Wiring Systems.

Step

Action

Value(s)

Yes

No

1

Important: Before using this table confirm that the A/C system has an adequate state of charge.

Does the A/C system have an adequate state of charge?

--

Go to Step 2

Go to CCOT Air Conditioning (A/C) System Diagnosis in HVAC

2

  1. Start the engine.
  2. Allow the engine to idle until normal operating temperature is reached.
  3. Leave the engine at normal idle.
  4. Turn ON the A/C.

Does the A/C clutch engage within the specified time?

60 sec

Go to Diagnostic Aids

Go to Step 3

3

  1. Install the scan tool.
  2. Turn ON the A/C.
  3. Monitor the A/C Request in the scan tool data list (A/C Request should display YES).

Does the scan tool indicate a YES?

--

Go to Step 4

Go to Step 14

4

  1. Monitor the A/C evaporator switch in the scan tool.
  2. Turn ON the A/C.

Does the scan tool indicate a CLOSED switch?

--

Go to Step 8

Go to Step 5

5

  1. Turn OFF the ignition.
  2. Disconnect the A/C Evaporator/Cycling Cutoff switch harness connector.
  3. Turn ON the ignition leaving the engine OFF.
  4. Probe pin A of the harness connector with a fused jumper connected to a ground.

Does the scan tool indicate a CLOSED switch?

--

Go to Step 6

Go to Step 27

6

Probe pin B of the harness connector with a test lamp connected to B+.

Is the test lamp ON?

--

Go to Step 7

Go to Step 30

7

Replace the A/C Evaporator/Cycling Cutoff switch. Refer to HVAC.

Is the action complete?

--

Go to Step 32

--

8

  1. Turn OFF the ignition.
  2. Disconnect the A/C compressor clutch harness connector.
  3. Start the engine.
  4. Turn on the A/C.
  5. Caution: Avoid contact with moving parts and hot surfaces while working around a running engine in order to prevent physical injury.

  6. Probe the A/C clutch signal circuit at the A/C compressor clutch harness connector with a test lamp connected to ground.

Is the test lamp ON?

--

Go to Step 9

Go to Step 16

9

Probe the A/C clutch ground circuit at the A/C clutch harness connector with a test lamp connected to B+.

Is the test lamp ON?

--

Go to Step 11

Go to Step 10

10

Repair the A/C clutch ground circuit. Refer to Wiring Repairs in Wiring Systems.

Is the action complete?

--

Go to Step 32

--

11

Check for a poor connection at the compressor clutch harness connector.

Did you find a problem?

--

Go to Step 12

Go to Step 13

12

Repair the A/C compressor clutch harness connector. Refer to Connector Repairs in Wiring Systems.

Is the action completed?

--

Go to Step 32

--

13

Replace the A/C compressor clutch. Refer to Compressor Clutch Plate/Hub Assembly Install (HT6/HD6) in HVAC.

Is the action complete?

--

Go to Step 32

--

14

  1. Turn OFF the ignition.
  2. Disconnect the VCM C3 connector.
  3. Turn ON the ignition leaving the engine OFF.
  4. Turn ON the A/C.
  5. Probe the VCM C3 connector pin 25 with a test lamp connected to a ground.

Is the test lamp ON?

--

Go to Step 29

Go to Step 15

15

Check for a open in the A/C request signal circuit between the HVAC control module and the VCM.

Did you find a problem?

--

Go to Step 30

Go to Step 28

16

  1. Reconnect A/C clutch harness concord.
  2. Install the scan tool.
  3. Turn ON the ignition leaving the engine OFF.
  4. Command the A/C relay ON using the scan tool.

Does the A/C relay click?

--

Go to Step 22

Go to Step 17

17

  1. Disconnect the A/C relay.
  2. Turn ON the ignition leaving the engine OFF.
  3. Probe the ignition positive voltage circuit at the A/C relay harness connector with a test lamp connected to ground.

Is the test lamp ON?

--

Go to Step 19

Go to Step 18

18

Repair the open in the A/C relay ignition positive voltage circuit. If the fuse is blown repair the short to ground on the circuit. A blown fuse or lack of voltage to the fuse may cause other symptoms or DTCs to be present. Refer to Wiring Repairs in Wiring Systems.

Is the action complete?

--

Go to Step 32

--

19

  1. Probe the A/C relay control circuit at the A/C relay harness connector with a test lamp connected to B+.
  2. Command the A/C relay ON using the scan tool.

Is the test lamp on?

--

Go to Step 25

Go to Step 20

20

Check for an open or short to voltage in the circuit between the Underhood Fuse Block A/C relay control terminal cavity and the VCM C3 connector pin 1.

Did you find a problem?

--

Go to Step 21

Go to Step 29

21

Repair the open in the circuit between the Underhood Fuse Block A/C relay control terminal cavity and the VCM C3 connector pin 1. Refer to Wiring Repairs in Wiring Systems.

Is the action complete?

--

Go to Step 32

--

22

  1. Remove the A/C relay.
  2. Probe the battery feed circuit at the A/C relay connector with a test lamp connected to a ground.

Is the action complete?

--

Go to Step 24

Go to Step 23

23

Repair the open in the A/C relay battery feed circuit. If the fuse is blown repair the short to ground on the circuit. A blown fuse or lack of voltage to the fuse may cause other symptoms or DTCs to be present. Refer to Wiring Repairs in Wiring Systems.

Is the action complete?

--

Go to Step 32

--

24

  1. Turn ON the ignition leaving the engine OFF.
  2. Jumper the battery feed circuit and the compressor clutch circuit 59 at the relay connector with a fused jumper.

Does the A/C clutch engage?

--

Go to Step 25

Go to Step 26

25

Replace the A/C relay.

Is the action complete?

--

Go to Step 32

--

26

Repair the open or short to ground in the compressor clutch control circuit. Refer to Wiring Repairs in Wiring Systems.

Is the action complete?

--

Go to Step 27

--

27

Check for an open in the A/C cycling signal circuit.

Did you find a problem?

--

Go to Step 30

Go to Step 29

28

Replace the HVAC control assembly. Refer to Control Assembly Replacement in HVAC.

Is the action complete?

--

Go to Step 32

--

29

Check for a poor connection at the VCM.

Did you find a problem?

--

Go to Step 30

Go to Step 31

30

Repair the circuit as necessary. Refer to Wiring Repairs in Wiring Systems.

Is the action complete?

--

Go to Step 32

--

31

  1. Replace the VCM.
  2. Program the VCM. Refer to VCM Replacement/Programming .
  3. Perform the Passlock Reprogramming Procedure. Refer to PASSLOCK Reprogramming Seed and Key in Theft Deterrent
  4. Perform the CKP System Variation Learn Procedure. Refer to Crankshaft Position System Variation Learn .

Is the action complete?

--

Go to Step 32

--

32

  1. Start the engine.
  2. Idle the engine until the normal operating temperature is reached.
  3. Leave the engine at normal idle.
  4. Turn ON the A/C.

Does the A/C clutch engage within the specified time?

--

Go to Step 33

Go to Step 2

33

Use a scan tool in order to select the Capture Info and the Review Capture Info functions.

Are any new DTCs displayed?

--

Go to applicable DTC table

System OK