GM Service Manual Online
For 1990-2009 cars only
Makes
🢒
Chevrolet
🢒
1999
🢒
Astro - 2WD
🢒
Body and Accessories
🢒
Wipers/Washer Systems
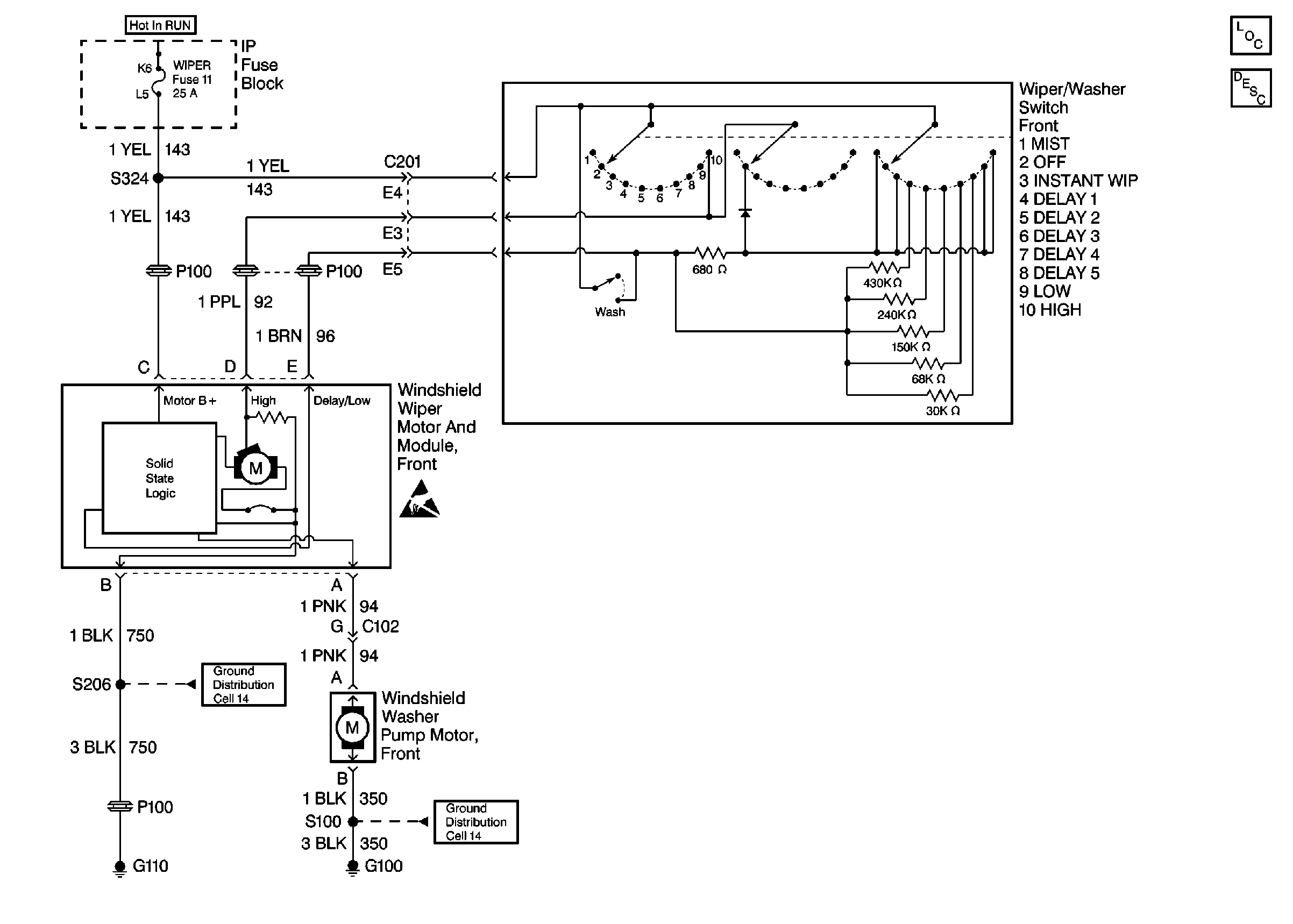
🢒 Wiper/Washer System (Pulse) Schematics
Cell 91 Wiper/Washers -- Pulse
Wiper/Washer System Components
Wiper/Washer System Circuit Description
Handling ESD Sensitive Parts Notice
Cell 14 (G110)
Cell 14 (G102, G103, G100)