GM Service Manual Online
For 1990-2009 cars only
Makes
🢒
Chevrolet
🢒
1999
🢒
Astro - 2WD
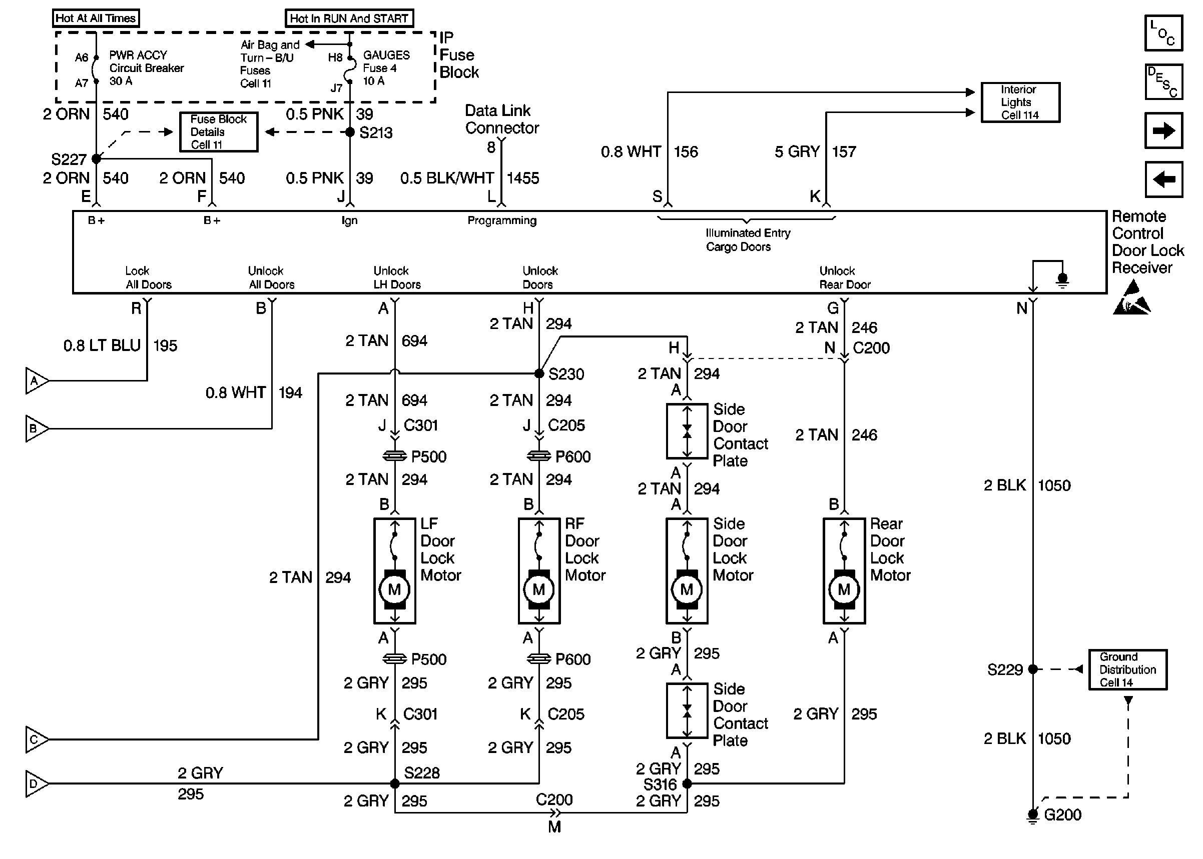
🢒 Cell 132 Remote Control Door Lock Receiver (2 of 2)
Cell 132 Remote Control Door Lock Receiver (2 of 2)
Cell 132 (IP Fuse Block, LF Door Lock Motor, RF Door Lock Motor, Rear Door Lock Motor)
Keyless Entry Components
Keyless Entry System Circuit Description
Cell 132 (IP Fuse Block, Remote Control Door Lock Receiver, Side Door Contact Plate)
Cell 132 )IP Fuse Block, Convenience Center, Side Door Jamb Switch)
Fuse Block Schematics
Handling ESD Sensitive Parts Notice
Ground Distribution Schematics