GM Service Manual Online
For 1990-2009 cars only
Makes
🢒
Chevrolet
🢒
1999
🢒
Astro - 2WD
🢒 EBCM Power Supply and Communication
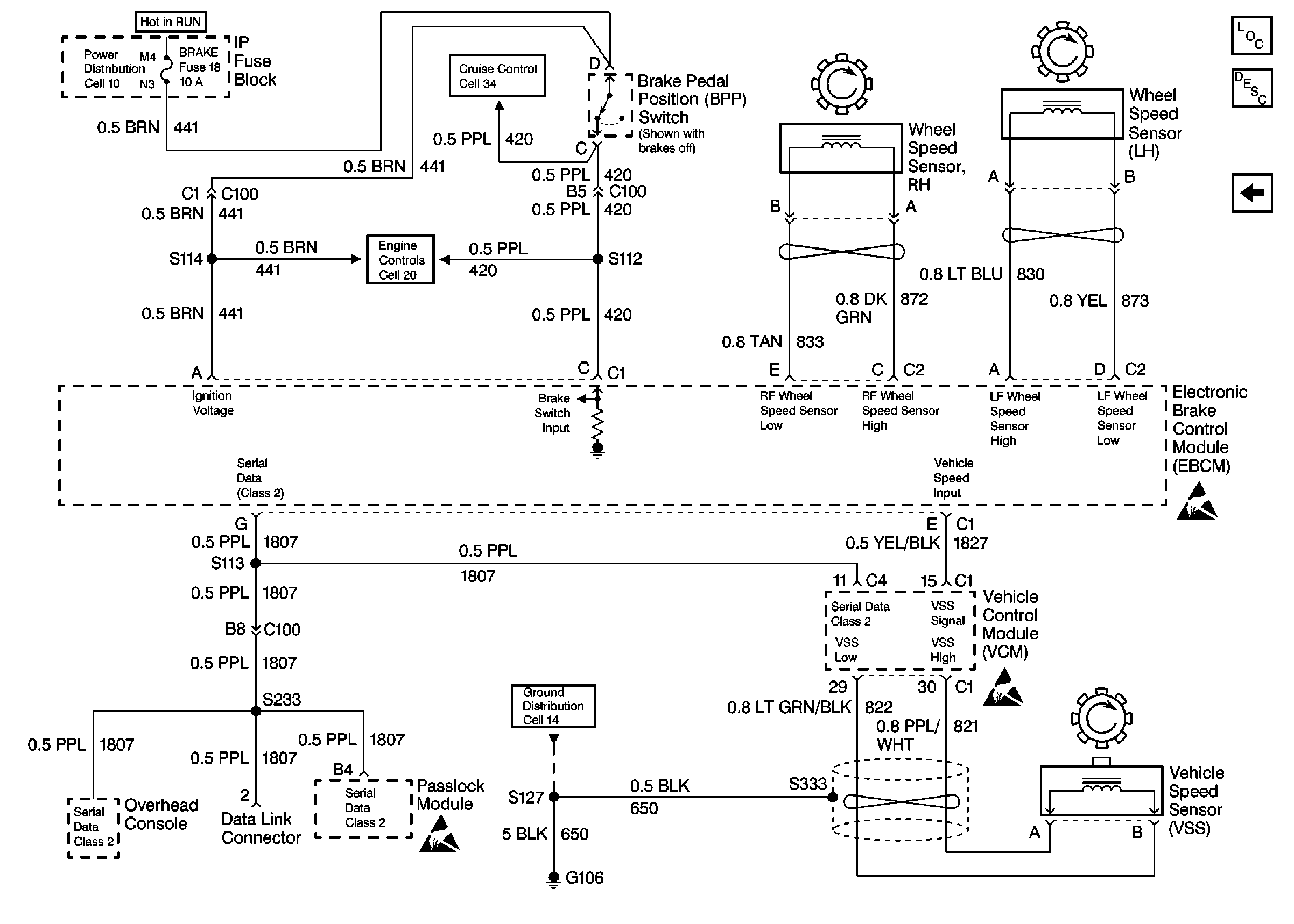
EBCM Power Supply and Communication
EBCM Power Supply and Communication
ABS Components
ABS Description
EBCM Ground Supply and Controls
Cell 34 Cruise Control
Transmission Shift Controls
Cell 14 (G108, G106, G101)
Handling ESD Sensitive Parts Notice
Handling ESD Sensitive Parts Notice
Handling ESD Sensitive Parts Notice