GM Service Manual Online
For 1990-2009 cars only
Makes
🢒
Chevrolet
🢒
1999
🢒
Astro - 2WD
🢒 Emission Controls
Emission Controls
Emission Controls
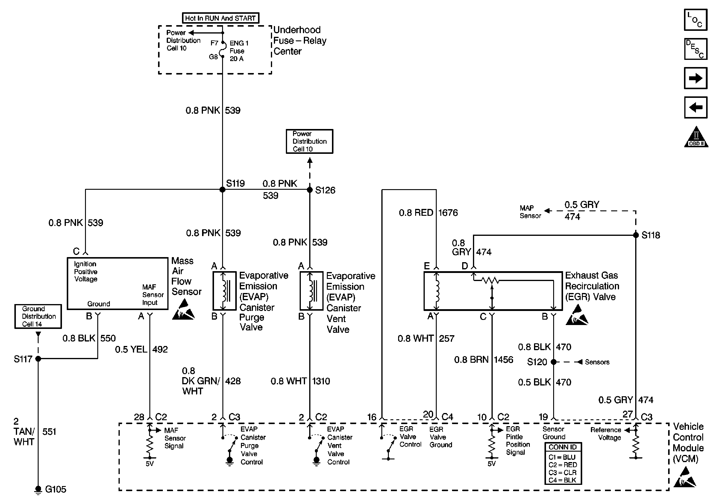
Engine Controls Components
Exhaust Gas Recirculation (EGR) System Description
Oxygen Sensors
Fuel Mixture Input Controls
Engine Controls Schematic Icons
Fuel Mixture Input Controls
Fuel Mixture Input Controls
Engine Controls Schematic Icons
Engine Controls Schematic Icons
Engine Controls Schematic Icons
IGN-E, ENG-I Fuses
IGN-E, ENG-I Fuses
Cell 14 (G107, G105)