GM Service Manual Online
For 1990-2009 cars only
Makes
🢒
Chevrolet
🢒
2000
🢒
Astro - 2WD
🢒
Body and Accessories
🢒
Doors
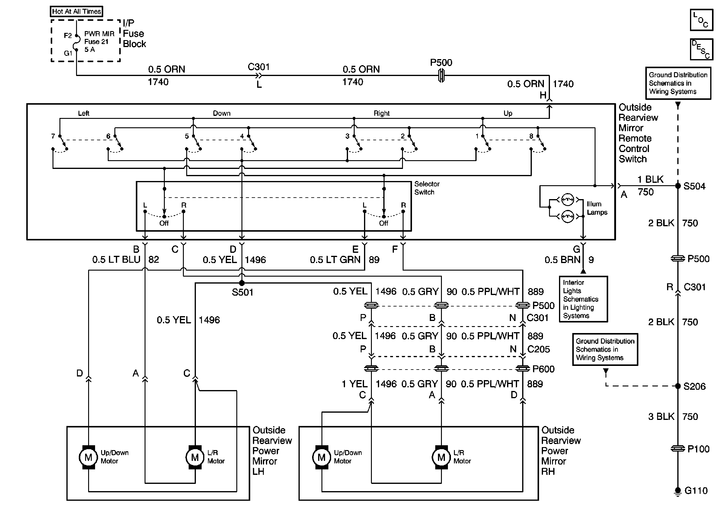
🢒 Outside Rearview Mirror Schematics
Power Mirrors Schematic
Power Door Systems Components
Outside Mirrors Circuit Description
G110 (2 of 2)
Window and Door Lock Switches
G110 (1 of 2)