GM Service Manual Online
For 1990-2009 cars only
Makes
🢒
Chevrolet
🢒
2000
🢒
Astro - 2WD
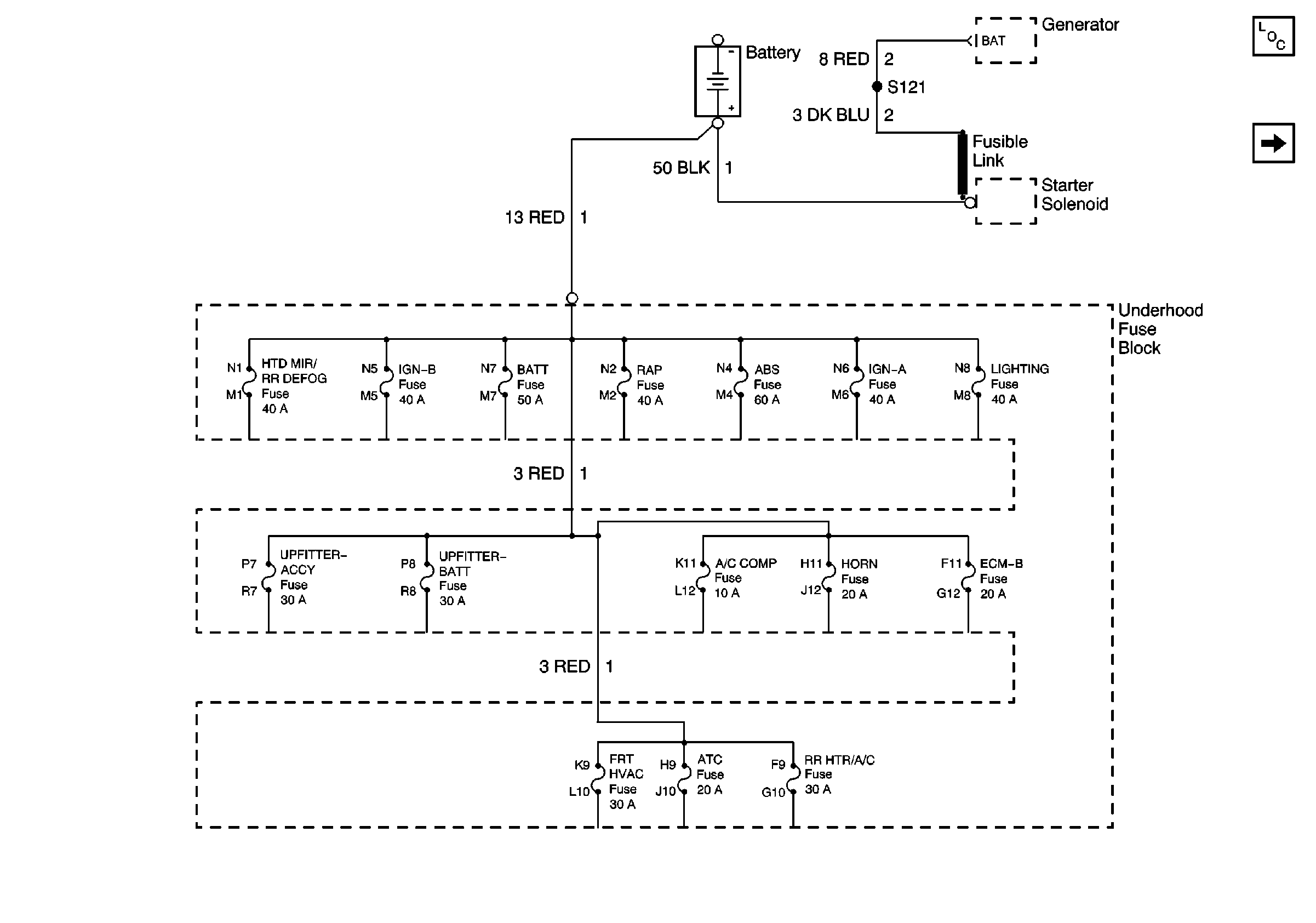
🢒 Battery, Generator, Starter Solenoid, and Underhood Fuse BLock
Battery, Generator, Starter Solenoid, and Underhood Fuse BLock
Battery, Generator, Starter Solenoid, and Underhood Fuse Block
Power and Grounding Components
BATT and LIGHTING Fuse