GM Service Manual Online
For 1990-2009 cars only
Makes
🢒
Chevrolet
🢒
2000
🢒
Astro - 2WD
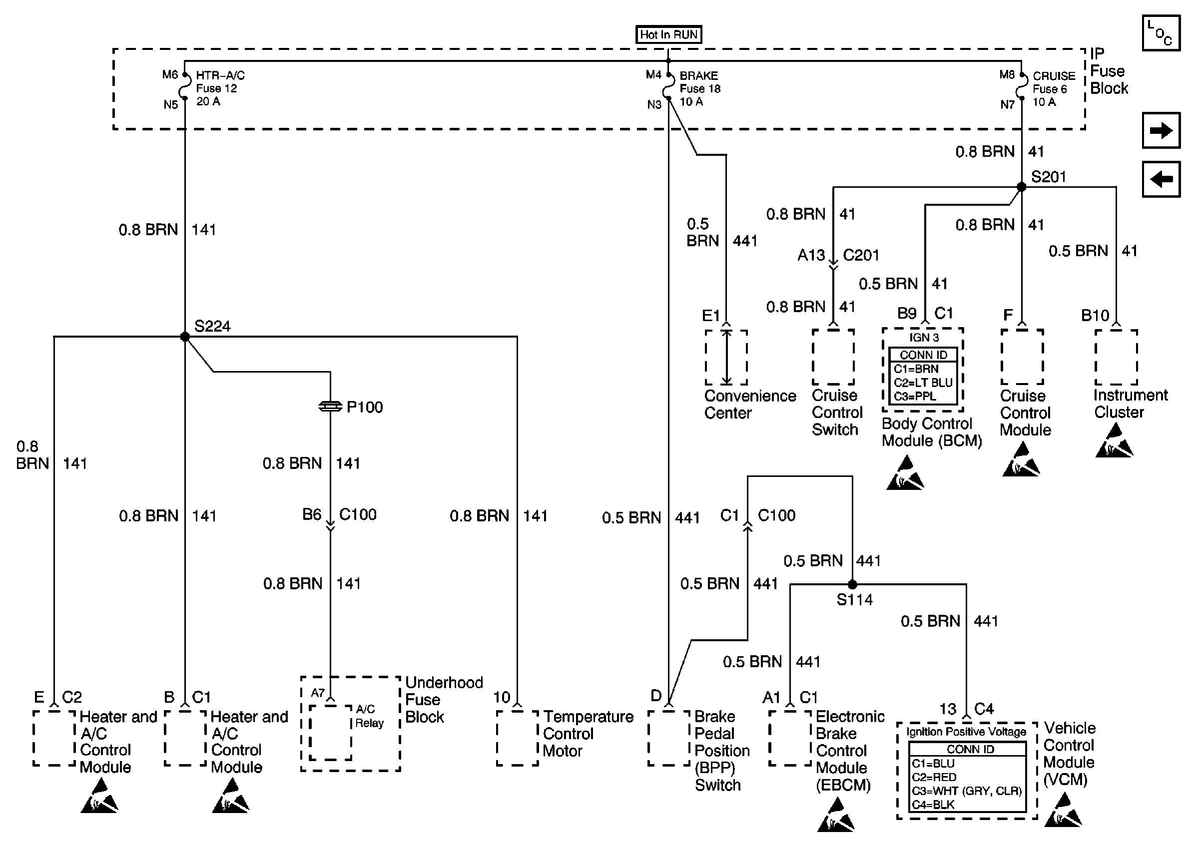
🢒 HTR-A/C Fuse 12, BRAKE Fuse 18 and CRUISE Fuse 6
HTR-A/C Fuse 12, BRAKE Fuse 18 and CRUISE Fuse 6
HTR-A/C Fuse 12, BRAKE Fuse 18 and CRUISE Fuse 6
Power and Grounding Components
RR DEFOG Fuse 5
ILLUM Fuse 14
Handling ESD Sensitive Parts Notice
Handling ESD Sensitive Parts Notice
Handling ESD Sensitive Parts Notice
Handling ESD Sensitive Parts Notice
Handling ESD Sensitive Parts Notice
Handling ESD Sensitive Parts Notice
Handling ESD Sensitive Parts Notice