GM Service Manual Online
For 1990-2009 cars only

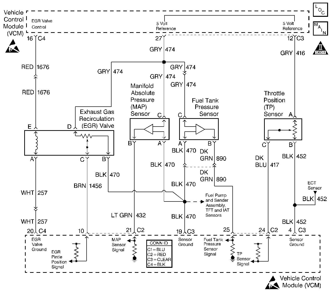
Object Number: 426047  Size: LF
Handling ESD Sensitive Parts Notice
Handling ESD Sensitive Parts Notice
Engine Controls Components
Emission Controls
OBD II Symbol Description Notice

Circuit Description

The throttle position (TP) sensor is a potentiometer. The control module supplies the TP sensor a reference voltage, a signal, and ground circuits. When the throttle is depressed, the TP sensor signal rises to near the reference voltage. When the throttle is released, the TP sensor signal decreases from the reference voltage. The control module monitors the TP sensor signal circuit voltage in order to determine the throttle blade angle, or opening.

This DTC is designed to detect a TP sensor signal voltage lower than the possible operating range of a normally functioning TP sensor.

Conditions for Running the DTC

The engine is running.

Conditions for Setting the DTC

The TP sensor signal voltage is less than 0.25 volts for 1 second or more.

Action Taken When the DTC Sets

    • The control module illuminates the malfunction indicator lamp (MIL) if a failure is detected during 2 consecutive key cycles.
    • The control module sets the DTC and records the operating conditions at the time the diagnostic failed. The failure information is stored in the scan tool Freeze Frame/Failure Records.

Conditions for Clearing the MIL or DTC

    • The control module turns OFF the MIL after 3 consecutive drive trips when the test has run and passed.
    • A history DTC will clear if no fault conditions have been detected for 40 warm-up cycles. A warm-up cycle occurs when the coolant temperature has risen 22°C (40°F) from the startup coolant temperature and the engine coolant reaches a temperature that is more than 70°C (158°F) during the same ignition cycle.
    • Use a scan tool in order to clear the DTCs.

Diagnostic Aids

    • The scan tool reads throttle position in volts. The TP should read about 0.45-0.85 volts with the throttle closed and the ignition ON or at idle. The voltage should increase at a steady rate as the throttle is moved toward wide open throttle (WOT).
    • An open or short to ground in the 5 volt reference circuit or the TP sensor signal circuit results in a DTC P0122.
    • Refer to the Symptoms .
    • Scan the TP sensor signal while depressing the accelerator pedal with the engine stopped and the ignition ON. The display should vary from less than 1.25 volts when the throttle is closed, to more than 4.5 volts when the throttle is held at the WOT position.

An intermittent may be caused by any of the following conditions:

    • A poor connection
    • Rubbed through wire insulation
    • A broken wire inside the insulation

Thoroughly inspect any circuitry that is suspected of causing the intermittent complaint. Refer to Testing for Intermittent Conditions and Poor Connections in Wiring Systems.

If a repair is necessary, refer to Wiring Repairs or Connector Repairs in Wiring Systems.

Test Description

The numbers below refer to the step numbers on the diagnostic table.

  1. If the TP signal measures less than 0.25 volt, the low voltage condition exists.

  2. If the VCM recognizes the high signal voltage, the VCM and the wiring are okay.

  3. The 5 volt reference of the VCM supply is shared by the MAP, FTP, TP, and exhaust gas recirculation (EGR) position sensors. A short to ground at any of the sensors' 5 volt reference circuits, or an internally shorted sensor may cause this DTC to set. In order to determine the location of a shorted 5 volt reference supply, disconnect the sensors one at a time beginning with the MAP sensor.

  4. The sensor connectors must remain disconnected while the VCM C3 connector remains connected for this step. The VCM terminal C3 12 and terminal C3 27 are spliced together inside the VCM. When checking the 5 volt reference circuit for a short to ground, both the 5 volt reference circuits must be checked.

  5. The 5 volt reference of the VCM supply is shared by the MAP, FTP, TP and EGR position sensors. A short to ground at any of the sensors 5 volt reference circuits or an internally shorted sensor may cause this DTC to set. The VCM terminal C3 12 and terminal C3 27 are spliced together inside the VCM. When testing the 5 volt reference circuit for a short to ground, both the 5 volt reference circuits must be checked.

Step

Action

Value(s)

Yes

No

1

Did you perform the Powertrain On-Board Diagnostic (OBD) System Check?

--

Go to Step 2

Go to Powertrain On Board Diagnostic (OBD) System Check

2

  1. Install the scan tool.
  2. Turn ON the ignition, leaving the engine OFF.
  3. Close the throttle.
  4. Monitor the TP sensor voltage.

Is the TP sensor voltage less than the specified value?

0.25 V

Go to Step 5

Go to Step 3

3

Depress the accelerator pedal to wide open throttle (WOT) while monitoring the TP angle on the scan tool.

Does the TP angle increase smoothly through the specified range?

0-100 %

Go to Step 4

Go to DTC P0121 Throttle Position (TP) Sensor Performance

4

The DTC is intermittent.

Are any additional DTCs set?

--

Go to the applicable DTC table

Go to Diagnostic Aids

5

  1. Disconnect the TP sensor harness connector.
  2. Turn ON the ignition, leaving the engine OFF.
  3. Jumper the TP sensor 5 volt reference circuit and the TP sensor signal circuit together at the TP sensor harness connector.

Is the TP sensor voltage more than the specified value?

4.0 V

Go to Step 13

Go to Step 6

6

  1. Remove the jumper.
  2. Turn ON the ignition, leaving the engine OFF.
  3. Probe the TP sensor 5 volt reference circuit at the TP sensor harness connector with a DMM connected to ground.

Is the voltage more than the specified value?

4.7 V

Go to Step 14

Go to Step 7

7

  1. Turn OFF the ignition.
  2. Disconnect the VCM C3 connector.
  3. Check the 5 volt reference circuit for an open.

Did you find a problem?

--

Go to Step 19

Go to Step 8

8

  1. Connect the VCM C3 connector.
  2. Turn ON the ignition, leaving the engine OFF.
  3. Probe the TP sensor 5 volt reference circuit at the TP sensor harness connector with a DMM connected to ground.
  4. Disconnect the following sensors individually:
  5. • The MAP sensor
    • The EGR sensor
    • The FTP sensor
  6. Monitor the DMM while disconnecting the sensors.

Does the voltage read more than the specified value after disconnecting one of the sensors?

4.7 V

Go to Step 9

Go to Step 12

9

Was the suspect sensor the EGR sensor?

--

Go to Step 10

Go to Step 11

10

Check for a short between the 5 volt reference circuit and the EGR feed control circuit.

Did you find a problem?

--

Go to Step 19

Go to Step 11

11

  1. Replace the sensor that caused the voltage reading to exceed the specified value.
  2. Refer to the appropriate procedure:

Is the action complete?

4.7 V

Go to Step 21

--

12

  1. Ensure that all of the sensor connectors are still disconnected.
  2. Turn OFF the ignition.
  3. Probe the 5 volt reference circuit at the TP sensor harness connector with a test lamp connected to B+.

Does the test lamp illuminate?

--

Go to Step 16

Go to Step 17

13

Check for a poor connection at the TP sensor.

Did you find a problem?

--

Go to Step 19

Go to Step 18

14

Check the TP sensor signal circuit for a short to ground.

Did you find a problem?

--

Go to Step 19

Go to Step 15

15

Check the TP sensor signal circuit for an open.

Did you find a problem?

--

Go to Step 19

Go to Step 20

16

Repair the short to ground in the 5 volt reference circuit. Refer to Wiring Repairs in Wiring Systems.

Is the action complete?

--

Go to Step 21

--

17

  1. Disconnect the VCM C3 connector.
  2. Check for a poor connection.

Did you find a problem?

--

Go to Step 19

Go to Step 20

18

Replace the TP sensor. Refer to Throttle Position Sensor Replacement .

Is the action complete?

--

Go to Step 21

--

19

Repair the circuit as necessary. Refer to Wiring Repairs or Connector Repairs in Wiring Systems.

Is the action complete?

--

Go to Step 21

--

20

Important: The replacement VCM must be programmed.

Replace the VCM. Refer to VCM Replacement/Programming .

Is the action complete?

--

Go to Step 21

--

21

  1. Using the scan tool, clear the DTCs.
  2. Start the engine.
  3. Allow the engine to Idle until the engine reaches a normal operating temperature.
  4. Select the DTC and the Specific DTC functions on the scan tool.
  5. Enter the DTC number which was set.
  6. Operate the vehicle within the Conditions for Setting the DTC until the scan tool indicates the diagnostic Ran.

Does the scan tool indicate the diagnostic Passed?

--

Go to Step 22

Go to Step 2

22

Does the scan tool display any additional undiagnosed DTCs?

--

Go to the applicable DTC table

System OK