GM Service Manual Online
For 1990-2009 cars only

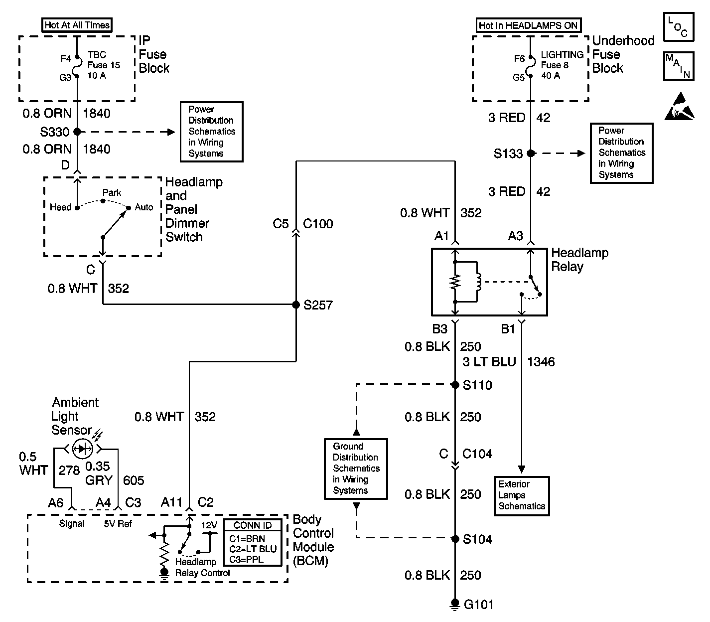
Object Number: 595563  Size: LF
Lighting Systems Components
Headlights/Daytime Running Lights (DRL) Schematics
Handling ESD Sensitive Parts Notice
Power Distribution Schematics
Power Distribution Schematics
Ground Distribution Schematics
Exterior Lights Schematics Domestic

Circuit Description

The body control module (BCM) monitors and supplies battery voltage to the headlamp relay on CKT 352. When the ambient light sensor is in the DARK state and the headlamp and panel dimmer switch is in the AUTO mode, the BCM supplies battery voltage to the headlamp relay to power up the headlamps. The BCM monitors CKT 352 to determine when the daytime running lights (DRL) should be ON or OFF. When the BCM detects battery voltage on CKT 352 it will turn OFF the DRL. When the BCM detects CKT 352 is low it will turn ON the DRL when the DRL conditions are present.

Conditions for Running the DTC

    • The battery voltage must be between 9.0 and 16.0 volts.
    • Ignition switch in the RUN position.
    • The headlamp and panel dimmer switch must be turned to the ON position or the ambient light sensor must be in the DARK state with the headlamp and panel dimmer switch in the AUTO position.
    • The park brake must be released.

Conditions for Setting the DTC

    • The headlamps and panel dimmer switch in the AUTO mode.
    • The ambient light sensor state is in the DARK state.
    • CKT 352 shorted to ground.
    • The above conditions must be met for 0.5 seconds.

Action Taken When the DTC Sets

The headlamps will not operate with the headlamp and panel dimmer switch in the AUTO position and the ambient light state is DARK.

Conditions for Clearing the MIL/DTC

    • The DTC will clear immediately after the short to ground on CKT 352 is repaired or the next fault free ignition cycle.
    • A history DTC will clear after 100 consecutive ignition cycles without a fault present.
    • History and current DTC(s) can be cleared using a scan tool.

Diagnostic Aids

    • If the headlamps are manually turned ON when CKT 352 is shorted to ground the TBC fuse will blow and the headlamp and panel dimmer switch can be damaged. When the TBC fuse opens, the scan tool will lose communication with the BCM.
    • Perform a visual check for loose or poor connections at all related components.
    • Refer to Testing for Intermittent Conditions and Poor Connections

Test Description

The number(s) below refer to the step number(s) on the diagnostic table.

  1. Listen for an audible click when the headlamp relay operates. Command both the ON and OFF states. Repeat the commands as necessary.

  2. Verifies that the body control module is providing voltage to the headlamp relay.

  3. Tests for an open in the ground circuit to the headlamp relay.

  4. Tests if voltage is constantly being applied to the headlamp relay.

  5. Tests for a short to ground on the control circuit of the headlamp relay.

  6. After replacement of the BCM you must calibrate the new module for proper operation.

Step

Action

Value(s)

Yes

No

1

Did you perform the Lighting System Diagnostic System Check?

--

Go to Step 2

Go to Diagnostic System Check - Lighting Systems .

2

  1. Install a scan tool.
  2. Turn ON the ignition, with the engine OFF.
  3. With a scan tool, command the headlamp relay ON and OFF.

Does the headlamp relay turn ON and OFF with each command?

--

Go to Diagnostic Aids

Go to Step 3

3

  1. Turn OFF the ignition.
  2. Disconnect the headlamp relay.
  3. Turn ON the ignition, with the engine OFF.
  4. Probe the control circuit of the headlamp relay with a test lamp connected to a good ground.
  5. With a scan tool, command the headlamp relay ON and OFF.

Does the test lamp turn ON and OFF with each command?

--

Go to Step 4

Go to Step 5

4

  1. Connect a test lamp between the control circuit of the headlamp relay and the ground circuit of the headlamp relay.
  2. With a scan tool, command the headlamp relay ON and OFF.

Does the test lamp turn ON and OFF with each command?

--

Go to Step 8

Go to Step 10

5

Does the test lamp remain illuminated with each command?

--

Go to Step 7

Go to Step 6

6

Test the control circuit of the headlamp relay for a short to ground. Refer to Circuit Testing and Wiring Repairs in Wiring Systems.

Did you find and correct the condition?

--

Go to Step 13

Go to Step 9

7

Test the control circuit of the headlamp relay for a short to voltage. Refer to Circuit Testing and Wiring Repairs in Wiring Systems.

Did you find and correct the condition?

--

Go to Step 13

Go to Step 9

8

Inspect for poor connections at the headlamp relay. Refer to Testing for Intermittent Conditions and Poor Connections and Connector Repairs in Wiring Systems.

Did you find and correct the condition?

--

Go to Step 13

Go to Step 11

9

Inspect for poor connections at the harness connector of the body control module. Refer to Testing for Intermittent Conditions and Poor Connections and Connector Repairs in Wiring Systems.

Did you find and correct the condition?

--

Go to Step 13

Go to Step 12

10

Repair the ground circuit of the headlamp relay. Refer to Wiring Repairs in Wiring Systems.

Did you complete the repair?

--

Go to Step 13

--

11

Replace the headlamp relay.

Did you complete the replacement?

--

Go to Step 13

--

12

  1. Replace the body control module. Refer to Body Control Module Replacement in Body Control System.
  2. Program the BCM with the proper calibrations. Refer to Body Control Module (BCM) Programming/RPO Configuration in Body Control System.
  3. Perform the learn procedure.

Did you complete the replacement?

--

Go to Step 13

--

13

  1. Use the scan tool in order to clear the DTCs.
  2. Operate the vehicle within the Conditions for Running the DTC as specified in the supporting text.

Does the DTC reset?

--

Go to Step 2

System OK