GM Service Manual Online
For 1990-2009 cars only

Tools Required

    • J 41427 Engine Lift Bracket
    • J 41602 Body Protection Hoist Adapter Set
    • J 39580 Universal Engine Support Table

Notice: Failure to flush out the oil cooling system or the engine cooling system may result in premature failure of the replacement engine.

If the engine is damaged internally and a new engine is installed, make sure that all foreign material is completely flushed out of the cooling system.

The oil cooler system should be also be flushed out, if equipped.

Important: This procedure must be performed on a side lift hoist. The engine and front frame assembly will be removed out of the bottom of the vehicle. A single post hoist or a twin post hoist cannot be used to perform this procedure.

Removal Procedure

  1. Disconnect the battery negative cable. Refer to Battery Negative Cable Disconnection and Connection in Engine Electrical.
  2. Remove the engine cover. Refer to Engine Cover Replacement in Interior Trim.
  3. Remove the air cleaner assembly. Refer to Air Cleaner Assembly Replacement in Engine Controls-4.3L.
  4. Remove the air cleaner outlet duct from the throttle body. Refer to Air Cleaner Outlet Resonator Replacement in Engine Controls-4.3L.
  5. Remove the following components:
  6. • The upper fan shroud
    • The fan
    • The clutch
    • The lower fan shroud
    • Both radiator hoses
    • The oil cooler lines
    • The transmission cooler lines
  7. Disconnect the air conditioning hose at the accumulator and the condenser, if equipped. Refer to Auxiliary Air Conditioning Compressor and Condenser Hose Replacement in Heating Ventilation and Air Conditioning.
  8. Remove the bolts holding the condenser to the radiator.
  9. Remove the radiator. Refer to Radiator Replacement in Engine Cooling.
  10. Caution: In order to avoid possible injury or vehicle damage, always replace the accelerator control cable with a NEW cable whenever you remove the engine from the vehicle.

    In order to avoid cruise control cable damage, position the cable out of the way while you remove or install the engine. Do not pry or lean against the cruise control cable and do not kink the cable. You must replace a damaged cable.

  11. Remove the accelerator control cable. Refer to Accelerator Control Cable Replacement in Engine Controls-4.3L.
  12. Remove the cruise control cable, if equipped, from the throttle shaft. Refer to Cruise Control Cable Replacement in Cruise Control.
  13. Remove the cruise control cable from the accelerator control cable bracket.
  14. Remove the power steering reservoir and drain the fluid. Refer to Remote Power Steering Fluid Reservoir Replacement in Power Steering Systems.
  15. Disconnect the pipes from the hydro boost unit. Refer to Power Brake Booster Replacement in Hydraulic Brakes.
  16. Disconnect the master cylinder from the hydro boost unit. Refer to Master Cylinder Replacement in Hydraulic Brakes.
  17. Tie the master cylinder to the oil fill tube.
  18. Disconnect the steering shaft from the steering gear.
  19. • Refer to Intermediate Steering Shaft Replacement in Steering Wheel and Column-Standard.
    • Refer to Intermediate Steering Shaft Replacement in Steering Wheel and Column-Tilt.
  20. Disconnect the heater hoses from the engine. Refer to Heater Water Bypass Valve Replacement in Heating Ventilation and Air Conditioning.

  21. Object Number: 528458  Size: SH
  22. Disconnect the vacuum hose to the vacuum tank from the intake manifold.
  23. Disconnect the engine wiring harness from the VCM. Refer to

    Vehicle Control Module Wiring


    Object Number: 374532  Size: LF
    (1)Vehicle Control Module (VCM)
    (2)S153
    (3)S151
    (4)S152
    (5)(VCM) Blue 32-Way Connector (C1)
    (6)(VCM) Red 32-Way Connector (C2)
    (7)(VCM) Black 32-Way Connector (C4)
    (8)(VCM) Clear 32-Way Connector (C3)
    in Wiring Systems.
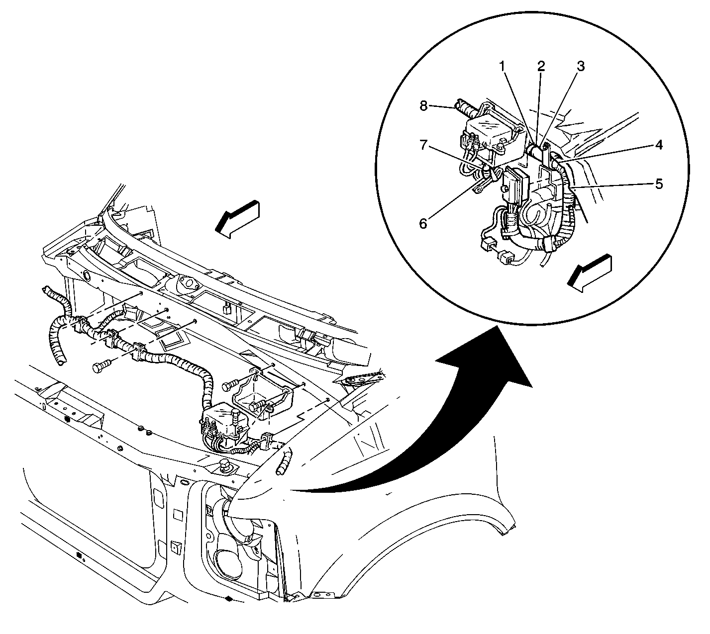
  24. Disconnect the fuse box and the wiring harness from the bulkhead connector. Refer to

    Bulkhead/Underhood Fuse-Relay Center Wiring


    Object Number: 211879  Size: LF
    (1)S111
    (2)S113
    (3)S114
    (4)S110
    (5)S112
    (6)S109
    (7)S108
    (8)S115
    in Wiring Systems.
  25. Disconnect the battery negative cable from the battery. Disconnect the battery cable assembly from the fender and the radiator support. Refer to Battery Negative Cable Replacement in Engine Electrical.
  26. Secure the battery cable assembly to the engine.
  27. Disconnect all related electrical connectors that connect the wiring harness to the body under the hood including the following:
  28. • The ground wires
    • The A/C module
    • The differential pressure input switch--Refer to

    Engine/Center of Front Dash Wiring (Electrical)


    Object Number: 374536  Size: LF
    (1)Cruise Control Module
    (2)Intake Manifold Air Temperature Sensor Connector
    (3)Wiper Motor Module Front
    (4)Intake Manifold Air Temperature Sensor
    (5)A/C Low Pressure Cut-Off Switch
    (6)A/C Low Pressure Cut-Off Switch Connector
    (7)Heater and A/C Control Valve Solenoid
    (8)Heater and A/C Control Valve Solenoid Connector
    (9)Mass Air Flow Sensor
    (10)Mass Air Flow Sensor Connector
    (11)Mass Air Flow Sensor Connector
    (12)Mass Air Flow Sensor
    (13)Intake Manifold Air Temperature Sensor
    (14)Intake Manifold Air Temperature Sensor Connector
    (15)Blower Motor Front
    in Wiring Systems.
  29. Remove the wiring harness from the retainers and lay the harness on the engine.

  30. Object Number: 43743  Size: SH
  31. Remove the front section of the running boards, if equipped. Refer to Assist Step Front Extension Replacement in Frame and Underbody.
  32. Install the J 41602 to the pinch weld area on both sides of the vehicle.
  33. Position the front hoist arms under the J 41602 . Refer to Lifting and Jacking the Vehicle in General Information for correct position of the rear hoist arms.
  34. Make sure the rear of the vehicle is slightly higher than the front.
  35. Raise the vehicle.

  36. Object Number: 188048  Size: SH
  37. Remove the oil pan drain plug and drain the engine oil into a suitable container.
  38. Remove the engine oil cooler pipes from the oil filter adapter. Refer to Engine Oil Cooler Hose/Pipe Replacement in Engine Cooling.
  39. Remove the rear propeller shaft. Refer to Rear Propeller Shaft Replacement in Propeller Shaft.

  40. Object Number: 334324  Size: SH
  41. Remove the starter. Refer to Starter Motor Replacement in Engine Electrical.
  42. Remove the transmission cover.

  43. Object Number: 9096  Size: SH
  44. Remove the torque converter bolts through the starter opening.
  45. Disconnect the shift cable from the transmission. Refer to Shift Cable Replacement in Automatic Transmission-4L60-E.
  46. Remove the heat shield.
  47. Disconnect the exhaust system at the main flange behind the catalytic converter. Refer to Catalytic Converter Replacement in Engine Exhaust.
  48. Remove the muffler and tail pipe section from the hangers and remove from the vehicle.

  49. Object Number: 163821  Size: SH
  50. Remove the park brake bracket from the frame.
  51. Disconnect the rear brake pipe from the brake pressure modulator valve (BPMV). Refer to Brake Pressure Modulator Valve Replacement in Antilock Brake System.
  52. Remove the front bumper. Refer to Front Bumper Impact Bar Replacement in Bumpers.
  53. Disconnect the power steering cooler from the front air deflector. Refer to Power Steering Cooler Pipe/Hose Replacement in Power Steering Systems.
  54. Disconnect the inflatable restraint front end discriminating sensor electrical connector. Refer to Inflatable Restraint Front End Discriminating Sensor Replacement in SIR.
  55. Disconnect the fender wheelhouse extensions from the chassis to the frame. Refer to Wheelhouse Extension Replacement in Body Front End.
  56. Disconnect the rear air conditioning pipes at the rear crossmember, if equipped. Leave the air conditioning pipes attached to the powertrain assembly. Refer to Accumulator Tube Replacement - Auxiliary Side in Heating, Ventilation and Air Conditioning.
  57. Disconnect the fuel pipes at the fuel filter. Refer to Fuel Hose/Pipes Assembly Replacement in Engine Controls-4.3L.
  58. Pull the fuel pipes through the crossmember (forward). Lay the fuel pipes on the transmission.
  59. Disconnect the fuel tank electrical connector. Refer to

    Undercarriage Wiring


    Object Number: 374544  Size: LF
    (1)Electronic Brake Control Module (EBCM) Connector (C3)
    (2)Brake Pressure Warning Switch
    (3)EBCM Connector (C2)
    (4)EBCM Connector (C1)
    (5)S126
    (6)S129
    (7)S127
    (8)G302
    (9)Fuel Pump and Level Sender Connector
    (10)Evaporative Emission Canister Vent Valve
    in Wiring Systems.
  60. Disconnect the EVAP vent valve electrical connector.
  61. Remove the bolt and the ground wire at the chassis by the EVAP vent valve.
  62. Make sure all the connections are disconnected between the chassis and the frame.
  63. Remove the engine wiring harness clips from the frame and the cross sills.

  64. Object Number: 416685  Size: SH
  65. Position the J 39580 under the engine/frame assembly.
  66. Lower the vehicle.
  67. Adjust J 39580 in order to correctly support the frame assembly with the following components:
  68. • The engine
    • The transmission
    • The front suspension components
    • The front differential carrier assembly, if equipped

    Object Number: 316216  Size: SH
  69. Remove the body mount bolts (1,2, 3). Refer to Body Mount Replacement in Frame and Underbody.
  70. Place a jack stand under the transmission crossmember to prevent the engine/frame assembly from tipping off of the J 39580 .
  71. Raise the hoist in order to separate the body from the engine/frame assembly.
  72. Install support stands under the rear axle.
  73. Move the engine/frame assembly from under the vehicle.

  74. Object Number: 535378  Size: SH
  75. Remove the bolt holding the starter wiring harness and the transmission oil cooler pipe bracket to the oil pan.
  76. Remove the generator. Refer to Generator Replacement in Engine Electrical.

  77. Object Number: 363401  Size: SH
  78. Remove the nut and the A/C pipe bracket, if equipped from the fuel pipe bracket stud.
  79. Remove the stud holding the fuel pipe bracket to the rear of the left cylinder head.
  80. Remove the fuel pipe stud nut on the side of the transmission.
  81. Move the fuel pipes back to clear the engine.
  82. Disconnect the fuel pipes at the rear of the engine. Refer to Fuel Hose/Pipes Replacement - Engine Compartment in Engine Controls-4.3L.

  83. Object Number: 334080  Size: SH
  84. Remove the ground wire bolt and ground wire from the rear of the left cylinder head.
  85. Remove the bolt holding the engine wiring harness clip to the rear of the right cylinder head.

  86. Object Number: 552340  Size: SH
  87. Disconnect the crankcase position (CKP) sensor electrical connector (4).
  88. Remove the CKP sensor wiring harness clip (3) from the bracket.
  89. Remove the engine wiring harness clip (1) from the negative battery cable stud (2).
  90. Remove the negative battery cable stud (1) and the cable.

  91. Object Number: 340790  Size: SH
  92. Remove the bolt holding the engine wiring harness bracket to the generator mounting bracket.

  93. Object Number: 527361  Size: SH
  94. Disconnect the EGR valve electrical connector (1).
  95. Remove the ground wire (2) from the stud at the water outlet.

  96. Object Number: 527362  Size: SH
  97. Disconnect the following electrical connectors:
  98. • The manifold absolute pressure (MAP) sensor (4)
    • The EVAP canister purge solenoid valve (1)
    • The ignition coil (2)
    • The ignition coil module (ICM) (3)

    Object Number: 527368  Size: SH
  99. Disconnect the following electrical connectors:
  100. • The A/C compressor clutch, if equipped (1)
    • The A/C high pressure cutoff switch, if equipped (5)
    • The throttle position (TP) sensor (2)
    • The idle air control (IAC) motor (3)
    • The fuel meter body assembly connector (4)

    Object Number: 491825  Size: SH
  101. Disconnect the following electrical connectors:
  102. • The knock sensor (KS) (1)
    • The distributor (2)
    • The engine oil pressure sensor (3)
  103. Remove the engine wiring harness from the brackets.
  104. Remove the bolts holding the transmission fluid fill tube from the oil indicator and the bell housing bolt.
  105. Move the transmission fluid tube to the side.
  106. Position the engine wiring harness out of the way.
  107. Remove the transfer case to engine block brace, if equipped.
  108. Remove the exhaust pipe from the exhaust manifolds. Refer to Catalytic Converter Replacement in Engine Exhaust.

  109. Object Number: 172982  Size: SH
  110. Remove the spark plug wire harness retainer from the exhaust gas recirculation (EGR) valve inlet pipe.
  111. Remove the clamp bolt for the EGR valve inlet pipe.
  112. Remove the EGR valve inlet pipe from the intake and the exhaust manifolds.
  113. Disconnect the spark plug wires from the spark plugs. Refer to Spark Plug Wire Replacement in Engine Controls-4.3L.
  114. Remove the distributor cap with the spark plug wire harness. Refer to Distributor Replacement in Engine Controls-4.3L.
  115. Remove the air conditioning pipe bracket nut from the intake manifold stud.
  116. Remove the air conditioning compressor and the power steering pump, leaving the pump and the compressor on the bracket.

  117. Object Number: 33636  Size: SH
  118. Install the J 41427 using the following procedure:
  119. 94.1. Remove the two right rear lower intake manifold bolts.
    94.2. Install the J 41427 marked RIGHT REAR.

    Notice: Use the correct fastener in the correct location. Replacement fasteners must be the correct part number for that application. Fasteners requiring replacement or fasteners requiring the use of thread locking compound or sealant are identified in the service procedure. Do not use paints, lubricants, or corrosion inhibitors on fasteners or fastener joint surfaces unless specified. These coatings affect fastener torque and joint clamping force and may damage the fastener. Use the correct tightening sequence and specifications when installing fasteners in order to avoid damage to parts and systems.

    94.3. Install the retaining bolts.

    Tighten
    Tighten the retaining bolts to 15 N·m (11 lb ft).

    94.4. Remove the two left front lower intake manifold bolts.
    94.5. Install the J 41427 marked LEFT FRONT with the arrow pointing to the front of the engine.
    94.6. Install the retaining bolts

    Tighten
    Tighten the retaining bolts to 15 N·m (11 lb ft).


    Object Number: 367585  Size: SH
  120. Remove the engine mount through bolts.
  121. Raise the engine slightly. Support the front of the transmission with suitable floor stand and a block of wood. Do not support the transmission under the oil pan.

  122. Object Number: 103668  Size: SH
  123. Remove the transmission to engine bolts.
  124. Disconnect the engine from the transmission.
  125. Remove the engine from the frame.

Installation Procedure

    Important: If you install a new engine, make sure any remaining components, brackets, or accessories are transferred to the new engine.

  1. Install the engine into the frame.
  2. Connect the engine to the transmission. Refer to Transmission Replacement in Automatic Transmission-4L60-E.
  3. Remove the support from under the transmission.
  4. Lower the engine and the transmission onto the engine mounts.

  5. Object Number: 367585  Size: SH

    Notice: Use the correct fastener in the correct location. Replacement fasteners must be the correct part number for that application. Fasteners requiring replacement or fasteners requiring the use of thread locking compound or sealant are identified in the service procedure. Do not use paints, lubricants, or corrosion inhibitors on fasteners or fastener joint surfaces unless specified. These coatings affect fastener torque and joint clamping force and may damage the fastener. Use the correct tightening sequence and specifications when installing fasteners in order to avoid damage to parts and systems.

  6. Install the engine mount through-bolts and nuts.
  7. Tighten
    Tighten the engine mount through-bolt nuts to 68 N·m (50 lb ft).


    Object Number: 33636  Size: SH
  8. Remove the J 41427 from the engine.
  9. Apply thread lock GM P/N 12345382 or equivalent to the threads of the lower intake manifold bolts.
  10. Install the intake manifold bolts.
  11. Tighten

    1. Tighten each of the bolts to 3 N·m (27 lb in).
    2. Tighten each of the bolts to 12 N·m (106 lb in).
    3. Tighten each of the bolts to 15 N·m (11 lb ft).

    Object Number: 172982  Size: SH
  12. Install the EGR valve inlet pipe to the intake manifold and the exhaust manifold.
  13. Tighten

    1. Tighten the EGR valve inlet pipe intake manifold nut to 25 N·m (18 lb ft).
    2. Tighten the EGR valve inlet pipe exhaust manifold nut to 30 N·m (22 lb ft).
    3. Tighten the EGR valve inlet pipe clamp bolt 25 N·m (18 lb ft).
  14. Install the air conditioning compressor, if equipped, and the power steering pump mounting bracket.
  15. Install the distributor cap.
  16. Install the spark plug wires.
  17. Install the spark plug wire harness retainer on the EGR valve inlet pipe.
  18. Install the exhaust pipe to the exhaust manifolds. Refer to Catalytic Converter Replacement in Engine Exhaust.
  19. Connect the fuel pipes at the rear of the engine. Refer to Fuel Hose/Pipes Replacement - Engine Compartment in Engine Controls-4.3L.
  20. Install the transfer case to engine block brace, if equipped.

  21. Object Number: 363401  Size: SH
  22. Install the fuel pipe bracket and stud to the rear of the left cylinder head.
  23. Tighten
    Tighten the fuel pipe bracket stud to 33 N·m (24 lb ft).

  24. Install the A/C pipe bracket and nut , if equipped to the fuel pipe bracket stud.
  25. Tighten
    Tighten the A/C pipe bracket nut to 35 N·m (26 lb ft).


    Object Number: 334080  Size: SH
  26. Position the engine wiring harness.
  27. Install the engine wiring harness clips in the brackets.
  28. Install the engine wiring harness clip bolt to the rear of the right cylinder head.
  29. Tighten
    Tighten the engine wiring harness clip bolt to 36 N·m (27 lb ft).

  30. Install the ground wire and bolt at the rear of the left cylinder head.
  31. Tighten
    Tighten the ground wire bolt to 35 N·m (26 lb ft).


    Object Number: 340790  Size: SH
  32. Install the engine wiring harness bracket and bolt to the generator mounting bracket.
  33. Tighten
    Tighten the engine wiring harness bolt to 35 N·m (26 lb ft).


    Object Number: 552340  Size: SH
  34. Install the negative battery cable and stud (2).
  35. Tighten
    Tighten the negative battery cable stud to 40 N·m (30 lb ft).

  36. Install the CKP sensor wiring harness clip (3) in the bracket.
  37. Connect the CKP sensor electrical connector (4).
  38. Install the engine wiring harness clip (1) on the negative battery cable stud (2).

  39. Object Number: 491825  Size: SH
  40. Connect the following electrical connectors:
  41. • The knock (KS) sensor (1)
    • The distributor (2)
    • The engine oil pressure sensor (3)

    Object Number: 527362  Size: SH
  42. Connect the following electrical connectors:
  43. • The manifold absolute pressure (MAP) sensor (4)
    • The EVAP canister purge solenoid valve (1)
    • The ignition coil (2)
    • The ICM (3)

    Object Number: 527368  Size: SH
  44. Connect the following electrical connectors:
  45. • The A/C compressor clutch, if equipped (1)
    • The A/C high pressure cutoff switch, if equipped (5)
    • The throttle position (TP) sensor (2)
    • The idle air control (IAC) motor (3)
    • The fuel meter body assembly connector (4)

    Object Number: 527361  Size: SH
  46. Connect the EGR valve electrical connector (1).
  47. Install the ground wire (2) and the nut to the water outlet stud.
  48. Tighten
    Tighten the ground wire nut to 19 N·m (14 lb ft).

  49. Install the generator. Refer to Generator Replacement in Engine Electrical.

  50. Object Number: 535378  Size: SH
  51. Install the bolt for the starter wiring harness and the transmission oil cooler pipe bracket.
  52. Tighten
    Tighten the starter wiring harness bracket bolt to 10 N·m (89 lb in).


    Object Number: 416685  Size: SH

    Important: Align the frame using the two alignment holes in the frame and the body. Use a pry bar or dowel pin in order to align the holes as the vehicle is being lowered onto the engine/frame assembly.

  53. Lower the vehicle onto the engine/frame assembly and the J 39580 .

  54. Object Number: 316216  Size: SH

    Important: The 6 body bolts (frame to body) must be tightened in sequence in order to ensure correct alignment of the frame to the chassis.

  55. Install the body bolts (frame to body) (1,2,3).

  56. Object Number: 43748  Size: SH
  57. Tighten the body bolts using the following sequence.
  58. Tighten

    1. Tighten all of the body bolts in the sequence shown to 35 N·m (26 lb ft).
    2. Tighten the right center body bolt to 155 N·m (114 lb ft).
    3. Tighten the left center body bolt to 155 N·m (114 lb ft).
    4. Tighten the right front body bolt to 90 N·m (66 lb ft).
    5. Tighten the left rear body bolt to 90 N·m (66 lb ft).
    6. Tighten the left front body bolt to 90 N·m (66 lb ft).
    7. Tighten the right rear body bolt to 90 N·m (66 lb ft).
  59. Raise the vehicle.

  60. Object Number: 334324  Size: SH
  61. Install the transfer case vent tube, if equipped.
  62. Connect the wire connector to the wiring harness above the transmission.
  63. Connect the shift cable to the transmission. Refer to Shift Cable Replacement in Automatic Transmission - 4L60-E.
  64. Install the torque converter bolts. Refer to Flywheel to Torque Converter Bolt Replacement in Automatic Transmission - 4L60-E.
  65. Install the transmission cover.
  66. Tighten
    Tighten the transmission cover bolts to 12 N·m (106 lb in).

  67. Install the starter. Refer to Starter Motor Replacement in Engine Electrical.
  68. Install the oil cooler pipes to the oil filter adapter. Refer to Engine Oil Cooler Hose/Pipe Replacement in Engine Cooling.
  69. Install the rear propeller shaft. Refer to Rear Propeller Shaft Replacement in Propeller Shaft.
  70. Connect the power steering cooler. Refer to Power Steering Cooler Pipe/Hose Replacement in Power Steering Systems.
  71. Connect the inflatable restraint front end discriminating sensor electrical connector. Refer to Inflatable Restraint Front End Discriminating Sensor Replacement in SIR.
  72. Connect the fender wheelhouse extensions from chassis to the frame. Refer to Wheelhouse Extension Replacement in Body Front End.
  73. Install the front bumper. Refer to Front Bumper Impact Bar Replacement in Bumpers.
  74. Install the muffler and the tail pipe section to the hangers and install it to the converter assembly. Refer to Catalytic Converter Replacement in Engine Exhaust.
  75. Connect the fuel pipes at the fuel filter. Refer to Fuel Hose/Pipes Assembly Replacement in Engine Controls-4.3L.
  76. Position the engine wiring harness in the clips on the frame and the cross sills. Refer to

    Undercarriage Wiring


    Object Number: 374544  Size: LF
    (1)Electronic Brake Control Module (EBCM) Connector (C3)
    (2)Brake Pressure Warning Switch
    (3)EBCM Connector (C2)
    (4)EBCM Connector (C1)
    (5)S126
    (6)S129
    (7)S127
    (8)G302
    (9)Fuel Pump and Level Sender Connector
    (10)Evaporative Emission Canister Vent Valve
    in Wiring Systems.
  77. Connect the fuel tank electrical connector.
  78. Connect the EVAP vent valve electrical connector.
  79. Install the bolt and the ground wire at the chassis by the EVAP vent valve.
  80. Tighten
    Tighten the ground wire bolt to 9 N·m (80 lb in).

  81. Ensure that all of the electrical connections are connected between the chassis and the frame.

  82. Object Number: 163821  Size: SH
  83. Install the bolt and the park brake bracket to the frame.
  84. Tighten
    Tighten the park brake bracket bolt to 24 N·m (17 lb ft).

  85. Connect the rear air conditioning pipes at the rear crossmember by the fuel tank fill hoses, if equipped.
  86. • Refer to Accumulator Tube Replacement - Auxiliary Side in Heating Ventilation and Air Conditioning.
    • Refer to Evaporator Tube Replacement - Auxiliary Side in Heating Ventilation and Air Conditioning.
  87. Connect the rear brake pipe to the BPMV. Refer to Brake Pressure Modulator Valve Replacement in Antilock Brake System.
  88. Remove the bell housing to transmission bolt.
  89. Lower the vehicle.

  90. Object Number: 43743  Size: SH
  91. Remove both of the J 41602 .
  92. Install the front section of the running boards. Refer to Assist Step Front Extension Replacement in Frame and Underbody.
  93. Install the battery cable assembly to the fender and the radiator support. Refer to Battery Negative Cable Replacement in Engine Electrical.
  94. Install the battery positive cable but do not install the battery negative cable.
  95. Install the wiring harness in the retainers clips along the bulkhead.
  96. Connect the fuse box and the wiring harness to the bulkhead connector. Refer to

    Bulkhead/Underhood Fuse-Relay Center Wiring


    Object Number: 211879  Size: LF
    (1)S111
    (2)S113
    (3)S114
    (4)S110
    (5)S112
    (6)S109
    (7)S108
    (8)S115
    in Wiring Systems.
  97. Connect all related connectors including: Refer to

    Engine/Center of Front Dash Wiring (Electrical)


    Object Number: 374536  Size: LF
    (1)Cruise Control Module
    (2)Intake Manifold Air Temperature Sensor Connector
    (3)Wiper Motor Module Front
    (4)Intake Manifold Air Temperature Sensor
    (5)A/C Low Pressure Cut-Off Switch
    (6)A/C Low Pressure Cut-Off Switch Connector
    (7)Heater and A/C Control Valve Solenoid
    (8)Heater and A/C Control Valve Solenoid Connector
    (9)Mass Air Flow Sensor
    (10)Mass Air Flow Sensor Connector
    (11)Mass Air Flow Sensor Connector
    (12)Mass Air Flow Sensor
    (13)Intake Manifold Air Temperature Sensor
    (14)Intake Manifold Air Temperature Sensor Connector
    (15)Blower Motor Front
    in Wiring Systems.
  98. • The ground wires
    • The A/C module
    • The cruise control module
    • The wiper motor
    • differential pressure input switch
  99. Connect the steering shaft to the steering gear.
  100. • Refer to Intermediate Steering Shaft Replacement in Steering Wheel and Column-Standard.
    • Refer to Intermediate Steering Shaft Replacement in Steering Wheel and Column-Tilt.
  101. Connect the heater hoses to the engine. Refer to Heater Water Bypass Valve Replacement in Heating Ventilation and Air Conditioning.

  102. Object Number: 528458  Size: SH
  103. Connect the vacuum hose for the vacuum tank to the intake manifold.
  104. Connect the pipes to the hydro boost. Refer to Power Brake Booster Replacement in Hydraulic Brakes.
  105. Install the power steering reservoir. Refer to Remote Power Steering Fluid Reservoir Replacement in Power Steering System.
  106. Install the master cylinder to the hydro boost. Refer to Master Cylinder Replacement in Hydraulic Brakes.
  107. Caution: In order to avoid possible injury or vehicle damage, always replace the accelerator control cable with a NEW cable whenever you remove the engine from the vehicle.

    In order to avoid cruise control cable damage, position the cable out of the way while you remove or install the engine. Do not pry or lean against the cruise control cable and do not kink the cable. You must replace a damaged cable.

  108. Install the NEW accelerator control cable. Refer to Accelerator Control Cable Replacement in Engine Controls-4.3L.
  109. Connect the cruise control cable to the throttle shaft and the accelerator control cable bracket. Refer to Cruise Control Cable Replacement in Cruise Controls.
  110. Connect the air conditioning pipes at the accumulator and the condenser, if equipped. Refer to Auxiliary Air Conditioning Compressor and Condenser Hose Replacement in Heating Ventilation and Air Conditioning.
  111. Install the radiator. Refer to Radiator Replacement in Engine Cooling.
  112. Fill the cooling system with the correct grade of engine coolant. Refer to Cooling System Draining and Filling in Engine Cooling.
  113. Install the air cleaner outlet duct to the throttle body. Refer to Air Cleaner Outlet Resonator Replacement in Engine Controls-4.3L.
  114. Install the air cleaner assembly. Refer to Air Cleaner Assembly Replacement in Engine Controls-4.3L.
  115. Fill the crankcase with the correct grade of engine oil. Refer to Engine Oil and Oil Filter Replacement .
  116. Fill and bleed the brake system. Refer to Hydraulic Brake System Bleeding in Hydraulic Brakes.
  117. Fill the transmission with the correct grade and quantity of transmission fluid. Refer to Automatic Transmission Fluid and Filter Replacement in Automatic Transmission-4L60-E.
  118. Fill the power steering system with the correct grade and quantity of power steering fluid. Refer to Checking and Adding Power Steering Fluid in Power Steering System.
  119. Connect the battery negative cable. Refer to Battery Negative Cable Disconnection and Connection in Engine Electrical.
  120. Recharge the air conditioning system and check for correct operation, if equipped. Refer to Refrigerant Recovery and Recharging in Heating, Ventilation and Air Conditioning.
  121. Install the engine cover. Refer to Engine Cover Replacement in Interior Trim.
  122. Perform a crankshaft variation relearn procedure.
  123. Operate the engine and check for correct operation.