GM Service Manual Online
For 1990-2009 cars only

Removal Procedure

  1. Disconnect the battery negative cable. Refer to Battery Negative Cable Disconnection and Connection in Engine Electrical.
  2. Remove the oil level indicator.
  3. Raise the vehicle. Refer to Lifting and Jacking the Vehicle in General Information.
  4. Remove the oil pan drain plug and drain the engine oil into a suitable container.
  5. Remove the oil filter.

  6. Object Number: 48327  Size: SH
  7. Remove the bolt holding the oil cooler pipes bracket to the oil pan.
  8. Remove the oil filter adapter. Refer to Oil Filter Adapter Replacement .

  9. Object Number: 535378  Size: SH
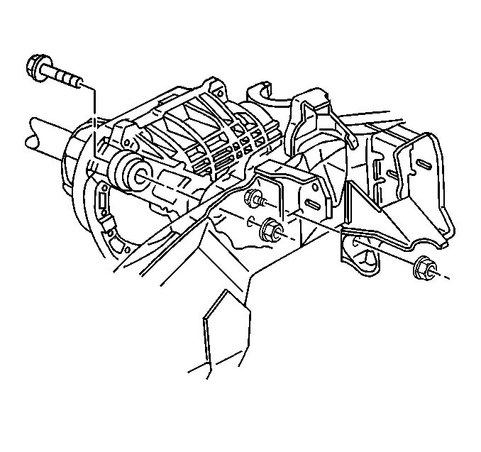
  10. Remove the bolt holding the bracket for the starter wiring harness and the transmission cooler pipes.
  11. Remove the crankcase position (CKP) sensor wiring harness from the retainer.
  12. Remove the starter. Refer to Starter Motor Replacement in Engine Electrical.

  13. Object Number: 334324  Size: SH
  14. Remove the transmission cover.

  15. Object Number: 161379  Size: SH
  16. Remove the inner axle shaft housing support bracket to the frame nuts and the washers (AWD only).

  17. Object Number: 6833  Size: SH
  18. Remove the front differential carrier upper and lower mounting nuts and bolts (AWD only).
  19. Lower the front differential carrier assembly only enough for removal of the oil pan.

  20. Object Number: 331034  Size: SH
  21. Remove the access plugs for the oil pan rear nuts.

  22. Object Number: 477866  Size: SH
  23. Remove the transmission to oil pan bolts.
  24. Remove the oil pan from the engine. Refer to Oil Pan Removal in Engine Unit Repair.
  25. Clean all sealing surfaces on the engine and the oil pan. Refer to Oil Pan Cleaning and Inspection in Engine Unit Repair.

Installation Procedure


    Object Number: 477866  Size: SH

    Notice: Any time the transmission and the engine oil pan are off of the engine at the same time, install the transmission before the oil pan. This is to allow for the proper oil pan alignment. Failure to achieve the correct oil pan alignment can result in transmission failure.

  1. Install the oil pan to the engine. Refer to Oil Pan Installation in Engine Unit Repair.
  2. Notice: Use the correct fastener in the correct location. Replacement fasteners must be the correct part number for that application. Fasteners requiring replacement or fasteners requiring the use of thread locking compound or sealant are identified in the service procedure. Do not use paints, lubricants, or corrosion inhibitors on fasteners or fastener joint surfaces unless specified. These coatings affect fastener torque and joint clamping force and may damage the fastener. Use the correct tightening sequence and specifications when installing fasteners in order to avoid damage to parts and systems.

  3. Install the transmission to oil pan bolts and nuts.
  4. Tighten
    Tighten the bolts to 47 N·m (34 lb ft).


    Object Number: 331034  Size: SH
  5. Install the access plugs for the oil pan rear nuts.
  6. Position the front differential carrier assembly.
  7. Install the carrier upper and lower mounting bolts and nuts (AWD only). Refer to Differential Carrier Assembly Replacement in Front Drive Axle.
  8. Install the inner axle shaft housing support bracket to frame washers and nuts (AWD only). Refer to Differential Carrier Assembly Replacement in Front Drive Axle.

  9. Object Number: 334324  Size: SH
  10. Install the transmission cover.
  11. Tighten
    Tighten the bolts to 12 N·m (106 lb in).

  12. Install the starter motor. Refer to Starter Motor Replacement in Engine Electrical.

  13. Object Number: 535378  Size: SH
  14. Install the bolt holding the bracket for the starter wiring harness and the transmission cooler pipes.
  15. Tighten
    Tighten the bolts to 10 N·m (89 lb in).

  16. Install the CKP sensor wiring harness in the retainer.
  17. Install the oil filter adapter. Refer to Oil Filter Adapter Replacement .

  18. Object Number: 48327  Size: SH
  19. Install the oil cooler pipes bracket bolt.
  20. Tighten
    Tighten the bolts to 10 N·m (89 lb in).


    Object Number: 188048  Size: SH
  21. Install the oil filter. Refer to Engine Oil and Oil Filter Replacement .
  22. Install the oil pan drain plug.
  23. Tighten
    Tighten the oil pan drain plug to 25 N·m (18 lb ft).

  24. Lower the vehicle.
  25. Fill the crankcase with engine oil. Refer to Engine Oil and Oil Filter Replacement .
  26. Connect the battery negative cable. Refer to Battery Negative Cable Disconnection and Connection in Engine Electrical.