GM Service Manual Online
For 1990-2009 cars only

Removal Procedure

  1. Remove the driver seat. Refer to Bucket Seat Replacement in Seats.
  2. Caution: Unless directed otherwise, the ignition and start switch must be in the OFF or LOCK position, and all electrical loads must be OFF before servicing any electrical component. Disconnect the negative battery cable to prevent an electrical spark should a tool or equipment come in contact with an exposed electrical terminal. Failure to follow these precautions may result in personal injury and/or damage to the vehicle or its components.

  3. Disconnect the battery cables, and remove the battery. Refer to Battery Replacement in Engine Electrical.
  4. Remove the bolt that retains the underhood fuse block to the bulkhead.
  5. Disable the SIR system. Refer to Disabling the SIR System in SIR.

  6. Object Number: 708155  Size: SH
  7. Remove the face-plate (2) from the outer housing of the junction block (1).

  8. Object Number: 708091  Size: SH
  9. Disconnect the engine harness electrical connector (3) from the junction block (1).
  10. Separate the outer housing of the junction block (2) from the bulkhead.

  11. Object Number: 708169  Size: SH
  12. Remove the 2 studs that retain the junction block (1) to the bulkhead.
  13. Remove the junction block from the bulkhead.

  14. Object Number: 710378  Size: SH
  15. Remove the nut (2) that retains the IP harness grounding strap (1) to the body.
  16. Remove the IP harness grounding strap (1) from the body.
  17. Disconnect the IP from the forward lamp harness connector (3).
  18. Disconnect the forward lamp from the IP harness connector (4).
  19. Disconnect the engine from the forward lamp harness connector (5).

  20. Object Number: 710372  Size: SH
  21. Disconnect the electrical connector of the cruise control module (3).
  22. Disconnect the electrical connector of the windshield wiper motor (2).
  23. Disconnect the electrical connector of the rear lamp wiring harness (1).
  24. Remove the power steering fluid reservoir from the bulkhead. Refer to Remote Power Steering Fluid Reservoir Replacement in Power Steering System.
  25. Remove the cruise control module from the bulkhead. Refer to Cruise Control Module Replacement in Cruise Control.
  26. Note the routing of the IP wire harness on the engine side of the bulkhead. Remove the IP wire harness from the bulkhead.
  27. Remove the IP extension from the vehicle. Refer to Instrument Panel Extension Replacement .
  28. Remove the engine cover from the vehicle. Refer to Engine Cover Replacement in Interior Trim.
  29. Remove the driver knee bolsters and the passenger knee bolsters. Refer to Passenger Knee Bolster Replacement or to Driver Knee Bolster Replacement .
  30. Remove cowl trim panels on the right side, and on the left side. Refer to Cowl Side Trim Panel Replacement in Interior Trim.
  31. Remove the left carpet retainers and the right carpet retainers. Refer to Carpet Retainer Replacement in Interior Trim.
  32. Remove the HVAC floor vent cover that is located behind the driver seat. Refer to Rear Floor Air Outlet Replacement in Heating, Ventilation and Air Conditioning.
  33. Lift the carpet in order to access the sensing and diagnostic module (SDM).
  34. Disconnect the CPA and the electrical connector from the SDM.
  35. Feed the seat wire harnesses through the access hole in the carpet.
  36. Remove the SDM and the seat wire harness from the trough along the left door sill.

  37. Object Number: 710076  Size: SH
  38. Disconnect the 16-way IP from the body harness (2).
  39. Disconnect the 10-way IP from the body harness (1).

  40. Object Number: 710085  Size: SH
  41. Disconnect the ground strap harness for the left door (1).
  42. Disconnect the left door harness connector (2).
  43. Disconnect the door jamb switch connector on the left (3).
  44. Release the harness straps in order to remove the harnesses from the trough.

  45. Object Number: 710381  Size: SH
  46. Disconnect the headliner connector (2) from the IP junction block.
  47. Disconnect the heater jumper connector (3) from the body harness.
  48. Remove the electrical connector of the power seat harness from the IP junction block.
  49. Disconnect the electrical connector of the park brake from the park brake switch. Refer to Parking Brake Indicator Switch Replacement in Parking Brakes.
  50. Remove the black 6-way connector from the IP junction block.

  51. Object Number: 710385  Size: SH
  52. Disconnect the roof console harness connector (1) from the IP junction block.
  53. Disconnect the trailer wiring harness connector (2) from the IP junction block.

  54. Object Number: 754028  Size: SH
  55. Disconnect the orange 3-way in-line connector (1).
  56. Disconnect the black 5-way in-line connector.

  57. Object Number: 161582  Size: SH
  58. Disconnect the brake switch electrical connector.
  59. Remove the air outlet duct from the left lap. Refer to Lap Air Outlet Duct Replacement - Left Side in Heating, Ventilation and Air Conditioning.

  60. Object Number: 317075  Size: SH
  61. Remove the bolts that are retaining the left lap bracket of the air outlet duct to the IP carrier.
  62. Remove the left lap bracket of the air outlet duct from the IP carrier.

  63. Object Number: 708497  Size: SH
  64. Disconnect the steering column harness connector by loosening the bolt (2) in the center of the connector.
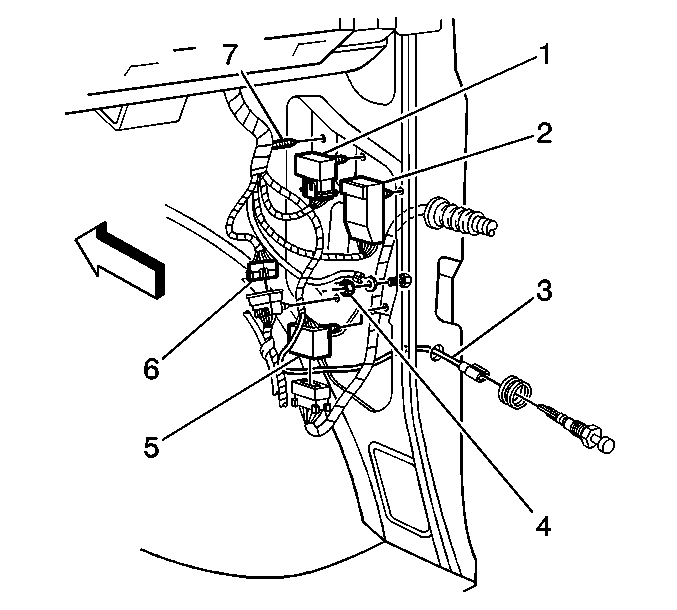
  65. Remove the steering column from the IP carrier. Refer to Steering Column Replacement in Steering Wheel and Column.

  66. Object Number: 708316  Size: SH
  67. In order to remove the right IP harness, disconnect the following components:
  68. • The door lock relay harness (1)
    • The door jamb switch harness (3)
    • The ground terminal harness (4)
    • The IP door connector harness (5)
    • The liftgate connector harness (6)
    • The IP harness fastener (7)
  69. Remove the fastener that is retaining the door lock control module (2) to the body.

  70. Object Number: 582027  Size: LF
  71. Disconnect the HVAC actuator, which is a black 5-way connector, and the vacuum lines.
  72. Remove the IP cluster trim panel. Refer to Instrument Cluster Trim Panel Replacement .
  73. Remove the radio. Refer to Radio Replacement in Entertainment.
  74. Remove the HVAC control assembly. Refer to Heater and Air Conditioning Control Replacement in Heating, Ventilation and Air Conditioning.
  75. Remove the IP cluster. Refer to Instrument Cluster Replacement .
  76. Locate the instrument panel that retains the IP carrier to the carrier support brackets. Remove the 2 bolts on the left sides, and on the right sides of the instrument panel.
  77. Slide the instrument panel away from the bulkhead.

  78. Object Number: 317065  Size: SH
  79. Lift the instrument panel up and off the pivot points.
  80. Remove the IP assembly from the vehicle.
  81. Place the IP assembly on a clean surface.
  82. In order to remove the IP from the IP carrier, perform the remaining steps of this procedure. Remove the center defogger grille from the IP.
  83. Remove the ambient light sensor of the daytime running lamps (DRL) . Refer to Daytime Running Lamp (DRL) Ambient Light Sensor Replacement in Lighting Systems.
  84. Remove the HVAC ducts from the IP assembly. Refer to Floor Air Outlet Duct Replacement - Left Side in Heating, Ventilation and Air Conditioning.

  85. Object Number: 317099  Size: SH
  86. From the rear of the IP, remove the 5 screws that retain the top of the IP to the carrier.
  87. Remove the body control module (BCM) from the BCM bracket. Refer to Body Control Module Replacement in Body Control System.
  88. Remove the remote keyless entry receiver from the IP substrate. Refer to Remote Control Door Lock Receiver Replacement in Keyless Entry.

  89. Object Number: 317065  Size: SH
  90. From the front of the IP, remove the 6 screws that retain the bottom of the IP to the carrier.
  91. Remove the IP inflatable restraint. Refer to Inflatable Restraint Instrument Panel Module Replacement in SIR.
  92. Remove the IP from the IP carrier.

Installation Procedure

  1. Install the IP inflatable restraint. Refer to Inflatable Restraint Instrument Panel Module Replacement in SIR.

  2. Object Number: 317065  Size: SH
  3. At the front of the IP, install the 6 screws that retain the bottom of the IP to the carrier.
  4. Install the remote keyless entry receiver to the IP substrate. Refer to Remote Control Door Lock Receiver Replacement in Keyless Entry.
  5. Install the body control module (BCM) to the BCM bracket. Refer to Body Control Module Replacement in Body Control System.
  6. Notice: Refer to Fastener Notice in the Preface section.


    Object Number: 317099  Size: SH
  7. At the rear of the IP, install the 5 screws that retain the top of the IP to the carrier.
  8. Tighten
    Tighten the bolt to 20 N·m (15 lb ft).

  9. Install the HVAC ducts to the IP assembly. Refer to Floor Air Outlet Duct Replacement - Left Side in Heating, Ventilation and Air Conditioning.
  10. Install the ambient light sensor of the daytime running lamps (DRL) . Refer to Daytime Running Lamp (DRL) Ambient Light Sensor Replacement in Lighting Systems.
  11. Install the center defogger grille to the IP. This completes the installation of the IP to the IP carrier.
  12. Install the IP assembly to the vehicle.

  13. Object Number: 317065  Size: SH
  14. Lift the instrument panel up and off the pivot points.
  15. Slide the instrument panel away to the bulkhead.
  16. Locate the instrument panel that retains the IP carrier to the carrier support brackets. Install the 2 bolts on the left sides, and on the right sides of the instrument panel.
  17. Tighten
    Tighten the bolt to 45 N·m (33 lb ft).

  18. Install the IP cluster. Refer to Instrument Cluster Replacement .
  19. Install the HVAC control assembly. Refer to Heater and Air Conditioning Control Replacement in Heating, Ventilation and Air Conditioning.
  20. Install the radio. Refer to Radio Replacement in Entertainment.
  21. Install the IP cluster trim panel. Refer to Instrument Cluster Trim Panel Replacement .

  22. Object Number: 582027  Size: LF
  23. Connect the HVAC actuator, which is a black 5-way connector, and the vacuum lines.
  24. Install the fastener that is retaining the door lock control module to the body.

  25. Object Number: 708316  Size: SH
  26. In order to install the right IP harness, connect the following components:
  27. • The door lock relay harness (1)
    • The door jamb switch harness (3)
    • The ground terminal harness (4)
    • The IP door connector harness (5)
    • The liftgate connector harness (6)
    • The IP harness fastener (7)
  28. Install the steering column to the IP carrier. Refer to Steering Column Replacement in Steering Wheel and Column.

  29. Object Number: 708497  Size: SH
  30. Connect the steering column harness connector by loosening the bolt (2) in the center of the connector.
  31. Install the left lap bracket of the air outlet duct to the IP carrier.

  32. Object Number: 317075  Size: SH
  33. Install the bolts that are retaining the left lap bracket of the air outlet duct to the IP carrier.
  34. Install the air outlet duct to the left lap. Refer to Lap Air Outlet Duct Replacement - Left Side in Heating, Ventilation and Air Conditioning.

  35. Object Number: 161582  Size: SH
  36. Connect the brake switch electrical connector.
  37. Connect the black 5-way in-line connector.

  38. Object Number: 754028  Size: SH
  39. Connect the orange 3-way in-line connector (1).
  40. Connect the trailer wiring harness connector to the IP junction block.

  41. Object Number: 710385  Size: SH
  42. Connect the roof console harness connector (1) to the IP junction block.
  43. Install the black 6-way connector to the IP junction block.
  44. Connect the electrical connector of the park brake to the park brake switch. Refer to Parking Brake Indicator Switch Replacement in Parking Brakes.
  45. Install the electrical connector of the power seat harness to the IP junction block.
  46. Connect the heater jumper connector to the body harness.

  47. Object Number: 710381  Size: SH
  48. Connect the headliner connector (2) to the IP junction block.
  49. Release the harness straps in order to install the harnesses to the trough.
  50. Connect the door jamb switch connector on the left (3).
  51. Connect the left door harness connector (2).

  52. Object Number: 710085  Size: SH
  53. Connect the ground strap harness for the left door (1).
  54. Connect the 10-way IP to the body harness (1).

  55. Object Number: 710076  Size: SH
  56. Connect the 16-way IP to the body harness (2).
  57. Install the SDM and the seat wire harness to the trough along the left door sill.
  58. Feed the seat wire harnesses through the access hole in the carpet.
  59. Connect the CPA and the electrical connector to the SDM.
  60. Lift the carpet in order to access the sensing and diagnostic module (SDM).
  61. Install the HVAC floor vent cover that is located behind the driver seat. Refer to Rear Floor Air Outlet Replacement in Heating, Ventilation and Air Conditioning.
  62. Install the left carpet retainers and the right carpet retainers. Refer to Carpet Retainer Replacement in Interior Trim.
  63. Install cowl trim panels on the right side, and on the left side. Refer to Cowl Side Trim Panel Replacement in Interior Trim.
  64. Install the driver knee bolsters and the passenger knee bolsters. Refer to Passenger Knee Bolster Replacement or to Driver Knee Bolster Replacement .
  65. Install the engine cover to the vehicle. Refer to Engine Cover Replacement in Interior Trim.
  66. Install the IP extension to the vehicle. Refer to Instrument Panel Extension Replacement .
  67. Note the routing of the IP wire harness on the engine side of the bulkhead. Install the IP wire harness to the bulkhead.
  68. Install the cruise control module to the bulkhead. Refer to Cruise Control Module Replacement in Cruise Control.
  69. Install the power steering fluid reservoir to the bulkhead. Refer to Remote Power Steering Fluid Reservoir Replacement in Power Steering System.
  70. Connect the electrical connector of the rear lamp wiring harness (1).
  71. Connect the electrical connector of the windshield wiper motor (2).

  72. Object Number: 710372  Size: SH
  73. Connect the electrical connector of the cruise control module (3).
  74. Connect the engine to the forward lamp harness connector .
  75. Connect the forward lamp to the IP harness connector .
  76. Connect the IP to the forward lamp harness connector (3).
  77. Install the IP harness grounding strap (1) to the body.

  78. Object Number: 710378  Size: SH
  79. Install the nut (2) that retains the IP harness grounding strap (1) to the body.
  80. Tighten
    Tighten the bolt to 2 N·m (18 lb in).

  81. Install the junction block to the bulkhead.

  82. Object Number: 708169  Size: SH
  83. Install the 2 studs that retain the junction block (1) to the bulkhead.
  84. Tighten
    Tighten the bolt to 2 N·m (18 lb in).

  85. Separate the outer housing of the junction block to the bulkhead.

  86. Object Number: 708091  Size: SH
  87. Connect the engine harness electrical connector (3) to the junction block (1).

  88. Object Number: 708155  Size: SH
  89. Install the face-plate (2) to the outer housing of the junction block (1).
  90. Enable the SIR system. Refer to Enabling the SIR System in SIR.
  91. Install the bolt that retains the underhood fuse block to the bulkhead.
  92. Tighten
    Tighten the bolt to 2 N·m (18 lb in).

  93. Connect the battery cables, and install the battery. Refer to Battery Replacement in Engine Electrical.
  94. Install the driver seat. Refer to Bucket Seat Replacement in Seats.