GM Service Manual Online
For 1990-2009 cars only

Tools Required

J 39400-A Halogen Leak Detector

Removal Procedure

  1. Recover the refrigerant. Refer to Refrigerant Recovery and Recharging .
  2. Disconnect the low pressure switch electrical connector.
  3. Remove the low pressure switch.

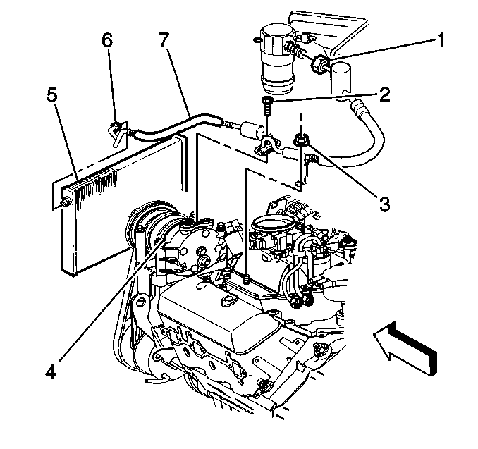
  4. Object Number: 280389  Size: SH
  5. Loosen the compressor suction hose nut (1) from the accumulator.
  6. Remove the compressor suction hose from the accumulator.
  7. Loosen the evaporator tube nut from the accumulator.
  8. Remove the evaporator tube from the accumulator.
  9. Remove and discard the O-ring seals.
  10. Remove the accumulator mounting bracket bolt.

  11. Object Number: 281187  Size: SH
  12. Remove the accumulator and mounting bracket.
  13. Remove the accumulator from the mounting bracket.
  14. Cap or tape off all open fittings.

Installation Procedure

  1. Remove the caps or remove tape from the A/C fittings.
  2. If replacing the accumulator, add the PAG oil to the accumulator. Refer to Refrigerant System Capacities for capacity information.

  3. Object Number: 281187  Size: SH
  4. Install the accumulator to the mounting bracket.
  5. Install the accumulator and mounting bracket to the module.
  6. Notice: Use the correct fastener in the correct location. Replacement fasteners must be the correct part number for that application. Fasteners requiring replacement or fasteners requiring the use of thread locking compound or sealant are identified in the service procedure. Do not use paints, lubricants, or corrosion inhibitors on fasteners or fastener joint surfaces unless specified. These coatings affect fastener torque and joint clamping force and may damage the fastener. Use the correct tightening sequence and specifications when installing fasteners in order to avoid damage to parts and systems.

  7. Install the accumulator mounting bracket bolt.
  8. Tighten
    Tighten the bolt to 4 N·m (35 lb in).

  9. Install new O-ring seals. Refer to O-Ring Replacement .

  10. Object Number: 280389  Size: SH
  11. Install the compressor suction hose (1) to the accumulator.
  12. Tighten the compressor suction hose nut.
  13. Tighten
    Tighten the nut to 48 N·m (35 lb ft).

  14. Install the evaporator tube to the accumulator.
  15. Tighten the evaporator tube nut at the accumulator.
  16. Tighten
    Tighten the nut to 28 N·m (20 lb ft).

  17. Install the low pressure switch.
  18. Tighten
    Tighten the switch to 6 N·m (53 lb in).

  19. Connect the low pressure switch electrical connector.
  20. Evacuate and charge the system. Refer to Refrigerant Recovery and Recharging .
  21. Leak test the fitting(s) of the repaired or reinstalled component using the J 39400-A .