GM Service Manual Online
For 1990-2009 cars only

Tools Required

J 39400-A Halogen Leak Detector

Removal Procedure

  1. Remove the air cleaner. Refer to Air Cleaner Assembly Replacement in Engine Controls - 4.3L.
  2. Remove the upper half of the fan shroud. Refer to Engine Coolant Fan Upper Shroud Replacement in Engine Cooling.
  3. Recover the refrigerant from the system. Refer to Refrigerant Recovery and Recharging .

  4. Object Number: 573938  Size: SH
  5. Disconnect the electrical connector (1) from the A/C clutchl.
  6. Remove the drive belt. Refer to Drive Belt Replacement in Engine Mechanical - 4.3L.
  7. Remove the engine cover. Refer to Engine Cover Replacement in Interior Trim.
  8. Remove the oil filler tube.

  9. Object Number: 573960  Size: SH
  10. Disconnect the electrical connector (2) from the A/C compressor high pressure cutoff switch.

  11. Object Number: 573934  Size: SH
  12. Remove the compressor hose assembly bolt (3) from the compressor.
  13. Remove the compressor hose assembly seal washers.

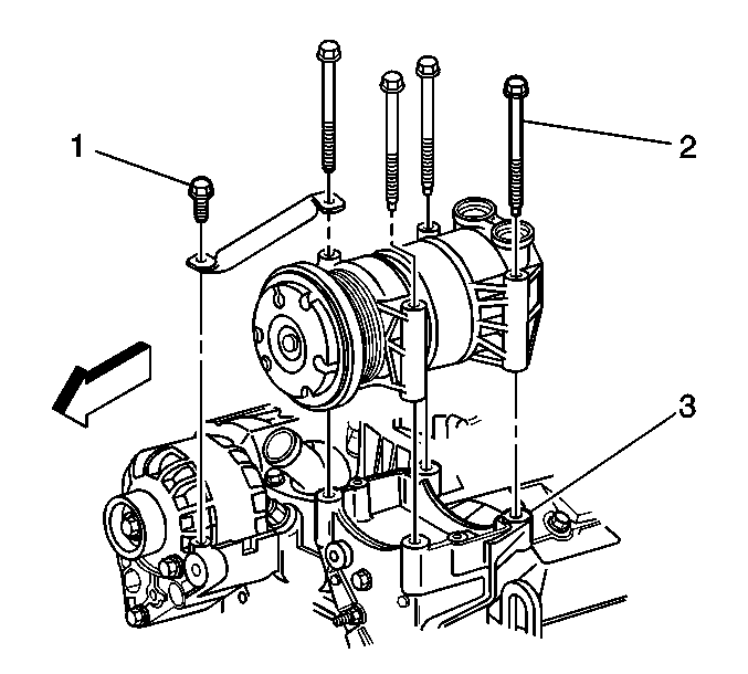
  14. Object Number: 637073  Size: SH
  15. Remove the compressor brace bolt (1).
  16. Remove the compressor bolts (2).
  17. Remove the compressor brace.
  18. Remove the compressor from the vehicle.
  19. If replacing the A/C compressor, drain and measure as much of the oil from the removed compressor as possible. Refer to in Heating,Ventilation and Air Conditioning

Installation Procedure

    Important: The compressor is shipped without oil.

  1. Add oil to the compressor. Refer to Refrigerant System Capacities Refrigerant System Capacities, if replacing the compressor.

  2. Object Number: 637073  Size: SH
  3. Install the compressor to the vehicle.
  4. Install the compressor brace.
  5. Notice: Use the correct fastener in the correct location. Replacement fasteners must be the correct part number for that application. Fasteners requiring replacement or fasteners requiring the use of thread locking compound or sealant are identified in the service procedure. Do not use paints, lubricants, or corrosion inhibitors on fasteners or fastener joint surfaces unless specified. These coatings affect fastener torque and joint clamping force and may damage the fastener. Use the correct tightening sequence and specifications when installing fasteners in order to avoid damage to parts and systems.

  6. Install the compressor bolts (2).
  7. Tighten
    Tighten the bolts to 50 N·m (37 lb ft).

  8. Install the bolt (1).
  9. Tighten
    Tighten the bolt to 25 N·m (18 lb ft).

  10. Install the compressor hose assembly seal washers. Refer to Sealing Washer Replacement .

  11. Object Number: 573934  Size: SH
  12. Install the compressor hose assembly bolt (3) to the compressor.
  13. Tighten
    The bolt to 34 N·m (25 lb ft).


    Object Number: 573960  Size: SH
  14. Connect the electrical connector (2) to the A/C compressor high pressure cutoff switch.
  15. Install the oil filler tube.
  16. Install the drive belt. Refer to Drive Belt Replacement in Engine Mechanical - 4.3L.
  17. Install the engine cover. Refer to Engine Cover Replacement in Interior Trim.

  18. Object Number: 573938  Size: SH
  19. Connect the electrical connectors (1) to the coil.
  20. Evacuate and recharge the refrigerant system. Refer to Refrigerant Recovery and Recharging .
  21. Leak test the fittings of the component using the J 39400-A .
  22. Install the upper half of the fan shroud. Refer to Engine Coolant Fan Upper Shroud Replacement in Engine Cooling.
  23. Install the air cleaner. Refer to Air Cleaner Assembly Replacement in Engine Controls - 4.3L.