GM Service Manual Online
For 1990-2009 cars only
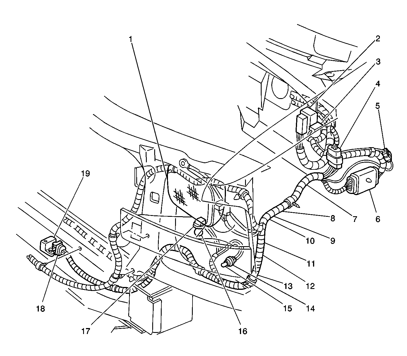
Figure 1:

Forward Lamps Harness, Left Side


Object Number: 552588  Size: LF
(1)Headlamp - Left (Sealed)
(2)C100
(3)P100
(4)C104
(5)C109
(6)C102
(7)S103
(8)S132
(9)S131
(10)S103
(11)S102
(12)S105
(13)S104
(14)Side Marker Lamp - LF Connector
(15)Side Marker - LF
(16)Park/Turn Signal Lamp - LF
(17)Park/Turn Signal Lamp - LF Connector
(18)Inflatable Restraint Front End Discriminating Sensor Connector
(19)Inflatable Restraint Front End Discriminating Sensor
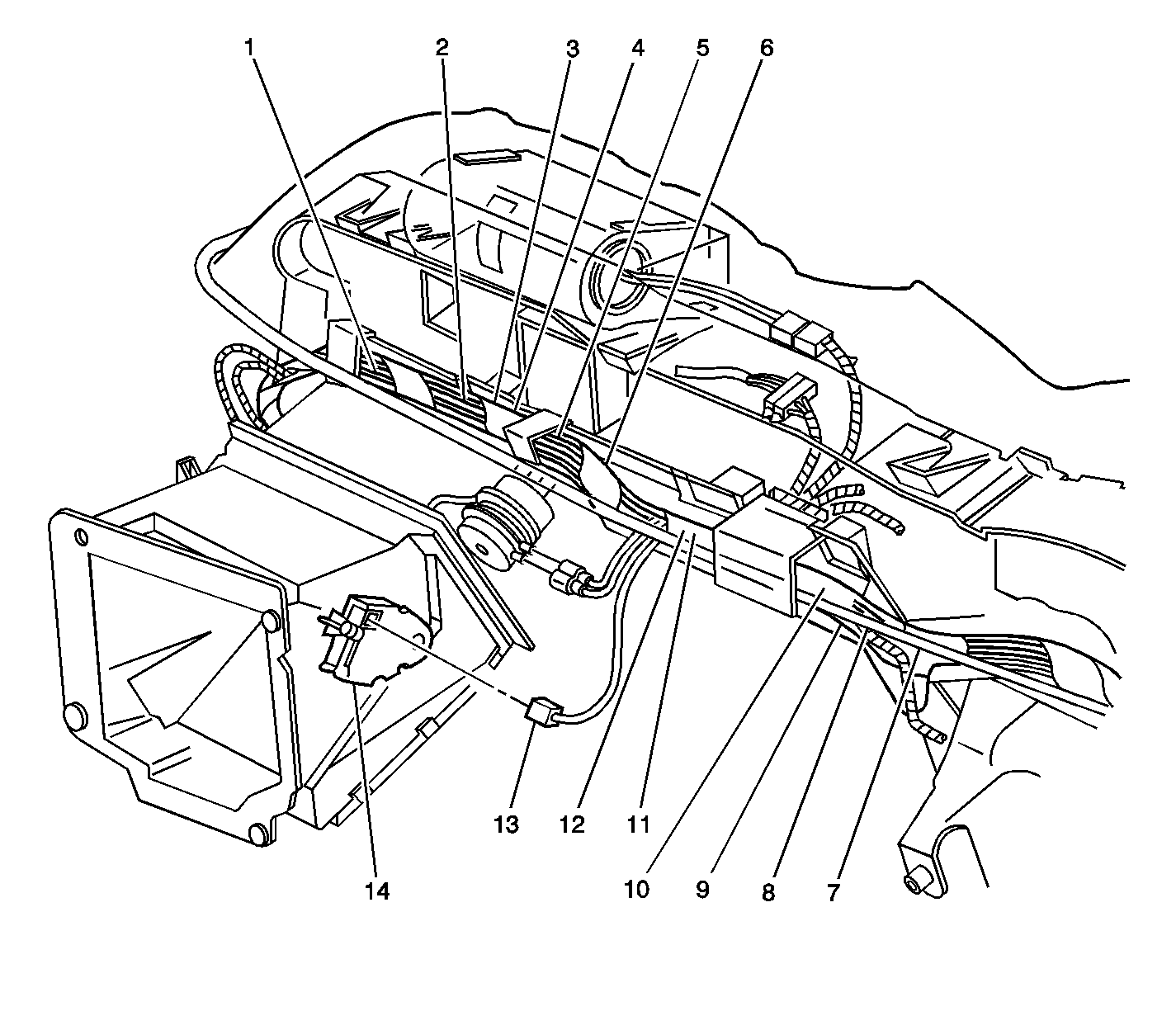
Figure 2:

Forward Lamp Harness, RH Side


Object Number: 582030  Size: LF
(1)Rear Window Washer Fluid Pump
(2)S101
(3)Park/Turn Signal Lamp - RF
(4)Park/Turn Signal Lamp - RF Connector
(5)Marker Lamp - RF Connector
(6)Marker Lamp - RF
(7)S106
(8)S100
(9)Headlamp - Right
(10)G100
(11)Blower Motor
(12)Windshield Washer Fluid Pump
(13)Blower Motor Resistor Assembly
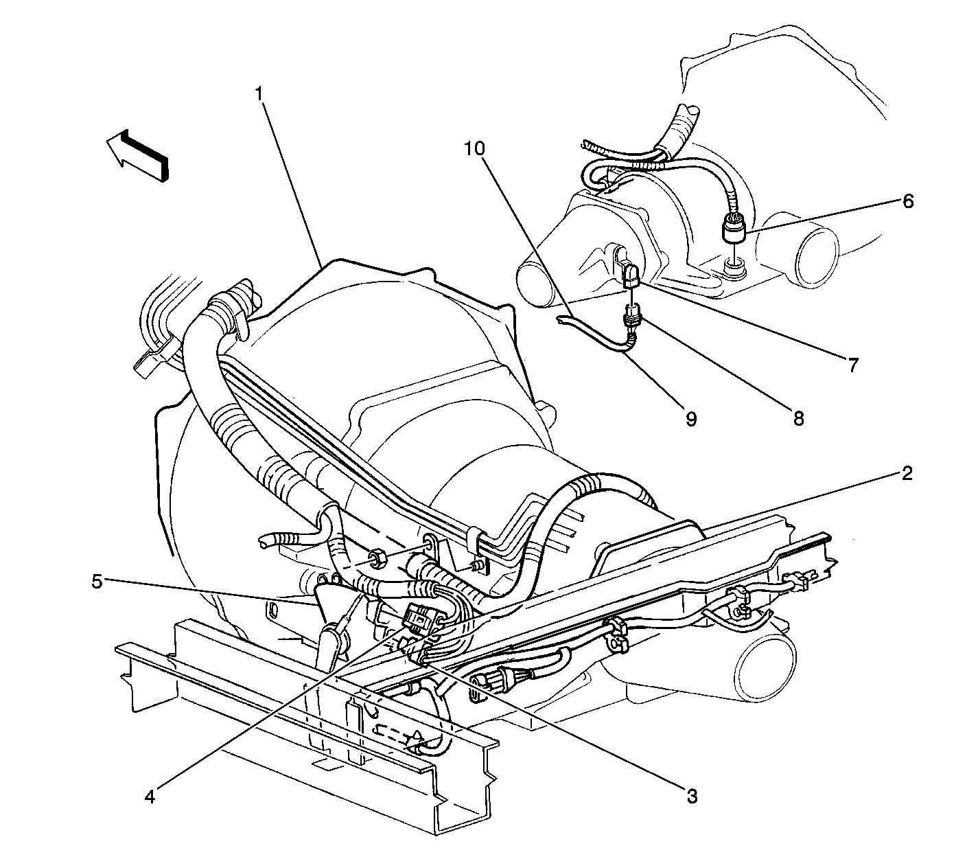
Figure 3:

Engine Wiring, LH Side (Electrical)


Object Number: 587973  Size: LF
(1)A/C Compressor Clutch
(2)A/C Compressor Clutch Connector
(3)Throttle Position (TP) Sensor
(4)Engine Coolant Temperature (ECT) Sensor Connector
(5)Idle Air Control (IAC) Valve
(6)Throttle Position (TP) Sensor Connector
(7)Fuel Injector #2 (Inside Plenum)
(8)Idle Air Control (IAC) Valve Connector
(9)Fuel Injector Connector (C103)
(10)Fuel Injector #4 (Inside Plenum)
(11)G107
(12)Distributor
(13)S123
(14)Fuel Injector #6 (Inside Plenum)
(15)Engine Oil Pressure (EOP) Sensor and Fuel Pump Switch Connector
(16)S124
(17)Camshaft Position (CMP) Sensor
(18)Camshaft Position (CMP) Sensor Connector
(19)S126
(20)Engine Oil Pressure (EOP) Sensor and Fuel Pump Switch
(21)Knock Sensor (KS
(22)Knock Sensor (KS) Connector
(23)G106
(24)Fuel Injector #5 (Inside Plenum)
(25)Engine Coolant Temperature (ECT) Sensor
(26)Fuel Injector #3 (Inside Plenum)
(27)A/C High Pressure Switch Connector
(28)Fuel Injector #1 (Inside Plenum)
(29)A/C High Pressure Switch
(30)A/C Compressor Clutch
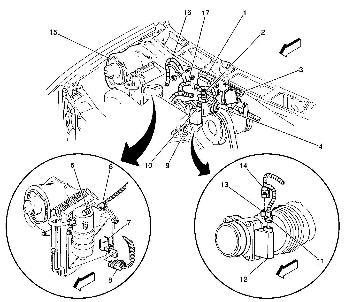
Figure 4:

Engine Wiring, Right Side


Object Number: 582029  Size: LF
(1)S123
(2)Evaporative Emission (EVAP) Canister Purge Solenoid Connector
(3)Ignition Coil Connector
(4)Ignition Control Module (ICM)
(5)S154
(6)S119
(7)Ignition Control Module (ICM) Connector
(8)Generator
(9)Generator Connector
(10)Ignition Coil
(11)Manifold Absolute Pressure (MAP) Sensor Connector
(12)Manifold Absolute Pressure (MAP) Sensor
(13)Evaporative Emission (EVAP) Canister Purge Solenoid
Figure 5:

Undercarriage Wiring


Object Number: 598350  Size: LF
(1)Electronic Brake Control Module (EBCM)
(2)Electronic Brake Control Module (EBCM) Connector C2
(3)Electronic Brake Control Module (EBCM) Connector C1
(4)C314
(5)S126
(6)S127
(7)G302
(8)C310
(9)Evaporative Emission (EVAP) Canister Vent Solenoid
Figure 6:

Left B Pillar Harness


Object Number: 881094  Size: LF
(1)S307
(2)S301
(3)Daytime Running Lamps (DRL) Diode
(4)Left "B" Pillar
(5)Daytime Running Lamps (DRL) Diode Connector
(6)S315
(7)S322
Figure 7:

Powertrain Control Module Wiring


Object Number: 657580  Size: LF
(1)Powertrain Control Module (PCM)
(2)S153
(3)S151
Figure 8:

Bulkhead/Fuse Block - Underhood Wiring


Object Number: 786902  Size: LF
(1)S115
(2)S111
(3)S110
(4)P100
(5)S112
(6)C104
(7)C100
(8)S133
(9)S109
(10)S108
(11)Fuse Block - Underhood
(11)Fuse Block - Underhood
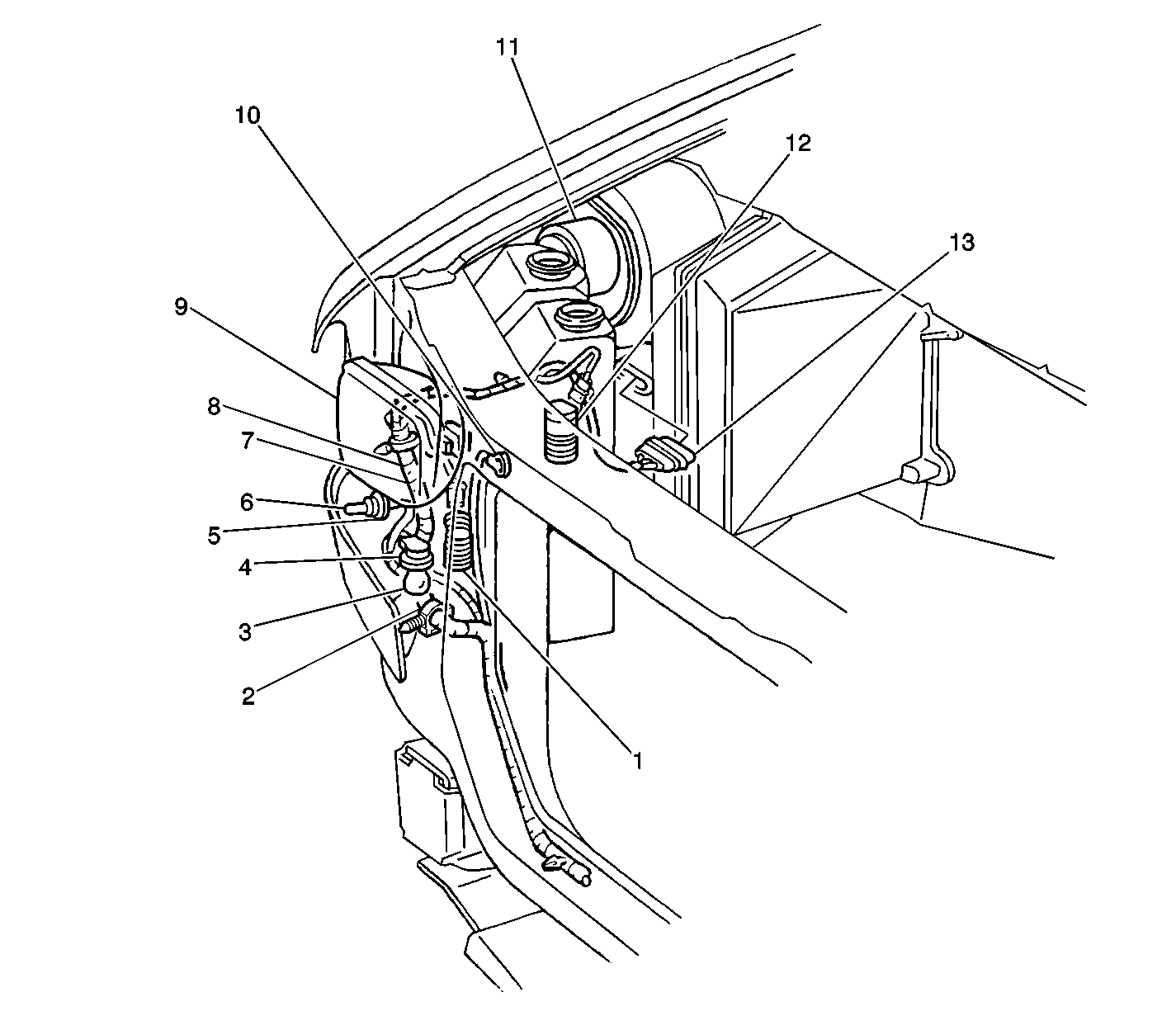
Figure 9:

Engine/Center of Front Dash Wiring


Object Number: 596383  Size: LF
(1)Cruise Control Module (CCM)
(2)Intake Air Temperature (IAT) Sensor Connector
(3)Windshield Wiper Motor and Module
(4)Intake Air Temperature (IAT) Sensor
(5)A/C Low Pressure Switch
(6)A/C Low Pressure Switch Connector
(7)Vacuum Control Assembly
(8)Vacuum Control Assembly Connector
(9)Mass Air Flow (MAF) Sensor
(10)Mass Air Flow (MAF) Sensor Connector
(11)Mass Air Flow (MAF) Sensor Connector
(12)Mass Air Flow (MAF) Sensor
(13)Intake Air Temperature (IAT) Sensor
(14)Intake Air Temperature (IAT) Sensor Connector
(15)Blower Motor
(16)S115
(17)S117
Figure 10:

Front of Dash Wiring, Left Side (Electrical)


Object Number: 597046  Size: LF
(1)S130
(2)C102
(3)C109
(4)G110
Figure 11:

Instrument Cluster Wiring


Object Number: 786770  Size: LF
(1)Body Control Module (BCM)
(1)Body Control Module (BCM)
(2)Body Control Module (BCM) Connectors
(3)HVAC Control Module
(4)S219
(5)S217
(6)S211
(7)S257
(8)S330
(9)Headlamp and Panel Dimmer Switch
(10)S256
(11)Headlamp and Panel Dimmer Switch Connector
(12)Remote Control Door Lock Receiver (RCDLR) Connector
(13)S210
(14)S254
(15)S250
(16)S212
(17)S219
(18)Instrument Panel Cluster (IPC) Connector
(19)S258
(20)S259
(21)S255
(22)Radio Connectors
Figure 12:

IP Wiring, RH Side (Electrical)


Object Number: 582027  Size: LF
(1)S232
(2)S231
(3)S230
(4)S260
(5)S241
(6)S229
(7)S223
(8)S224
(9)S259
(10)S223
(11)S227
(12)S228
(13)Temperature Control Motor Connector
(14)Temperature Control Motor
Figure 13:

Fuse Block - I/P Location View


Object Number: 597158  Size: MF
(1)Convenience Center
(2)Turn Signal/Hazard Flasher Module
(3)Horn Relay
(4)Fuse Block - I/P
(5)C213
(6)C212
Figure 14:

Convenience Center Wiring


Object Number: 582026  Size: LF
(1)S238
(2)S206
(3)S205
(4)S204
(5)S203
Figure 15:

Left Front Interior Wiring


Object Number: 582024  Size: LF
(1)C200
(2)S240
(3)S200
(4)S201
(5)C223
(6)C202
(7)Inflatable Restraint I/P Module
(8)Auxiliary Power Outlet Front #1 Connector
(9)Auxiliary Power Outlet Front #2 Connector
(10)Cigar Lighter Connector
(11)S234
(12)Engine Cover Ground (G201)
(13)Inflatable Restraint Sensing and Diagnostic Module
(14)Inflatable Restraint Sensing and Diagnostic Module Connector
(15)C333
(16)S242
(17)C300
(18)S325
(19)Center High Mounted Stop Lamp (CHMSL) Resistor
(20)S326
(21)S324
(22)S327
(23)Park Brake Switch
(24)S303
(25)S330
(26)S246
(27)S305
(28)S246
Figure 16:

Splice Pack, Relay Block, DLC Wiring


Object Number: 563307  Size: LF
(1)C201
(2)Inflatable Restraint Steering Wheel Module Coil Connector
(3)Data Link Connector (DLC)
(4)Relay Block #1
(5)S253
(6)S220
(7)S252
(8)S251
(9)S250
(10)SP261 Splice Pack
Figure 17:

Vanity Mirror Wiring


Object Number: 582022  Size: LF
(1)S237
(2)Inside Rearview Mirror Connector
(3)Vanity Lamp Connector
(4)Vanity Lamp
(5)S236
(6)C209
Figure 18:

RH Kick Panel Wiring


Object Number: 597250  Size: MH
(1)Door Lock Relay
(2)G200
(3)Door Jamb Switch - RH Connector
(4)Door Jamb Switch - RH
(5)C205
(6)C203
Figure 19:

Left Kick Panel Wiring


Object Number: 582018  Size: LF
(1)G300
(2)C301
(3)C303
(4)Door Jamb Switch - Driver
Figure 20:

Door Wiring - Front Passenger (Driver Similar)


Object Number: 563940  Size: LF
(1)C301 (LH), C205 (RH)
(2)C303 (LH), C204 (RH)
(3)P500 (LH), P600 (RH)
(4)S500 (LH)
(5)S501 (LH)
(6)Outside Rearview Mirror Connector
(7)S503 (LH), S605 (RH)
(8)S507 (LH), S602 (RH)
(9)S508 (LH)
(10)S504 (LH), S601 (RH)
(11)Speaker Connector - RF Door Tweeter
(12)S506 (LH), S600 (RH)
(13)Outside Rearview Mirror Switch Connector (LH)
(14)Window Switch - Front Passenger Connector C1
(15)Window Motor - Front Passenger
(16)Window Switch - Front Passenger Connector C2
(17)S502 (LH), S603 (RH)
(18)Door Lock Actuator - Front Passenger
(19)Door Lock Actuator Connector - Front Passenger
(20)Door Lock Switch Connector - Front Passenger
(21)Speaker Connector - RF Door
Figure 21:

Power Seats


Object Number: 597262  Size: MF
(1)Power Seat Harness
(1)Power Seat Harness
(2)C222
(3)S332
(4)S323
Figure 22:

Power Seat Riser


Object Number: 298031  Size: MF
(1)Seat Vertical Motor
(2)Seat Adjuster Switch
(3)Seat Horizontal Motor
(4)C306 (LH), C307 (RH)
(5)Seat Rear Vertical Motor
Figure 23:

Courtesy Lamp Wiring - LH


Object Number: 581991  Size: LF
(1)D300
(2)S328
(3)Courtesy Lamp - LH
Figure 24:

Transmission Wiring


Object Number: 564546  Size: LF
(1)Automatic Transmission
(2)Adapter
(3)Park/Neutral Position (PNP) Switch Connector C1
(4)Park/Neutral Position (PNP) Switch Connector C2
(5)Park/Neutral Position (PNP) Switch
(6)C175
(7)Vehicle Speed Sensor (VSS)
(8)Vehicle Speed Sensor (VSS) Connector
(9)S333
(10)Vehicle Speed Sensor (VSS) Shield (Taped)
Figure 25:

A4WD Transfer Case Locator View


Object Number: 516428  Size: MF
(1)Propshaft Speed Sensor - Rear
(2)Transfer Case Encoder Motor Connector
(3)Vehicle Speed Sensor (VSS)
(4)Propshaft Speed Sensor - Front
(5)Transfer Case
(6)P301
Figure 26:

Body Harness -LR


Object Number: 374528  Size: LF
(1)Blower Motor - Auxiliary
(2)S313
(3)S312
(4)S311
(5)S310
(6)S309
(7)S314
(8)S315
(9)S322
(10)S316
(11)Audio Amplifier
(12)Audio Amplifier Connector
(13)S318
(14)S317
(15)G404
Figure 27:

Body Wiring -RR


Object Number: 374539  Size: SF
(1)S334
(2)S335
(3)Liftglass Lock/Unlock Relay
(4)Liftglass Lock/Unlock Relay Connector
Figure 28:

RH D Pillar Wiring


Object Number: 582016  Size: LF
(1)S400
(2)Door Lock Actuator - Rear
(3)P401
(4)Trailer Harness (Taped Wires)
(5)S403
(6)S402
(7)S401
(8)S404
(9)G401
(10)Speaker - RR
Figure 29:

Left D Pillar Wiring


Object Number: 597963  Size: LF
(1)S321
(2)C401
(3)S320
(4)Speaker - LR
(5)S319
(6)Speaker - LR Door (Base Radio) Speaker - LR Subwoofer (Premium Radio)
(7)P400
(8)G400
(9)S400
Figure 30:

Right D Pillar Wiring


Object Number: 281342  Size: MH
(1)G401
(2)G403
(3)S407