GM Service Manual Online
For 1990-2009 cars only
Makes
🢒
Chevrolet
🢒
2001
🢒
Astro - 2WD
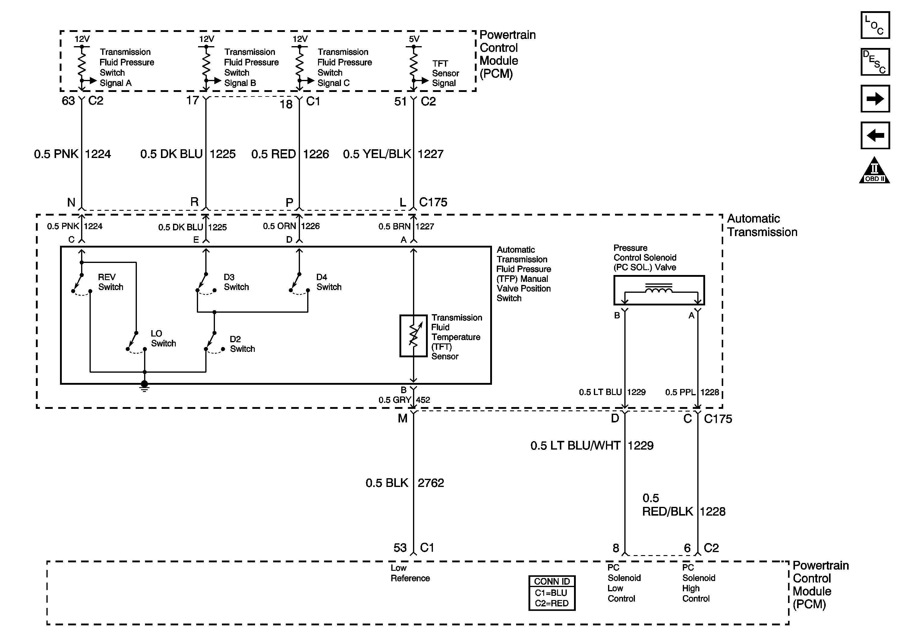
🢒 Transmission Switch Input Controls
Transmission Switch Input Controls
Transmission Switch Input Controls
Master Electrical Component List
Powertrain Control Module Description
Transmission Shift Controls
Speed & Cruise Controls
OBD II Symbol Description Notice