GM Service Manual Online
For 1990-2009 cars only
Makes
🢒
Chevrolet
🢒
2001
🢒
Astro - 2WD
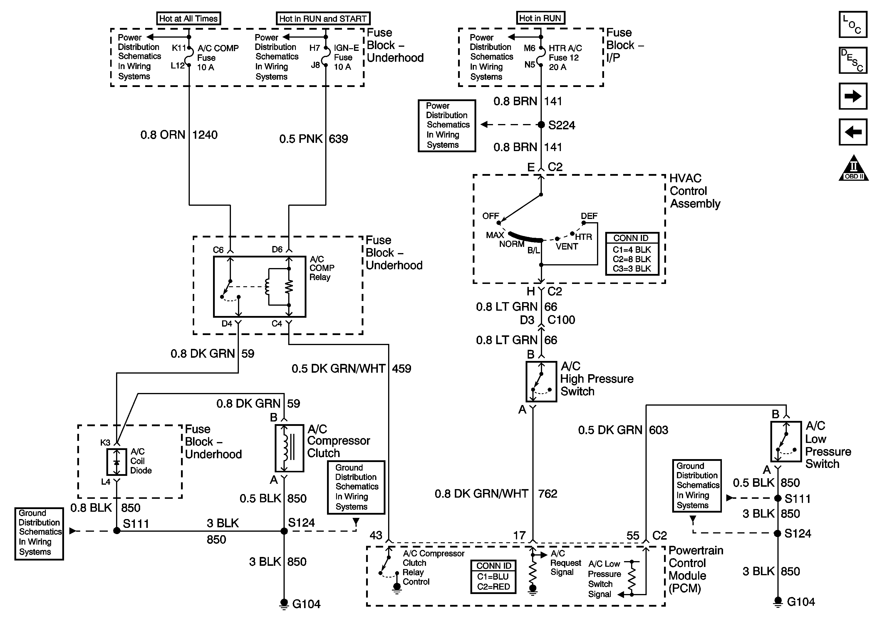
🢒 A/C Compressor Controls
A/C Compressor Controls
A/C Compressor Controls
Master Electrical Component List
Air Intake System Description
Fuel Controls
Transmission Range, Tow/Haul Switch Input Controls
OBD II Symbol Description Notice
Battery and Underhood Fuse Block
ING-A Fuse and Ignition Switch
ING-B Fuse and Ignition Switch
HTR-A/C Fuse 12, BRAKE Fuse 18, and CRUISE Fuse 6
G104
G104
G104