GM Service Manual Online
For 1990-2009 cars only
Makes
🢒
Chevrolet
🢒
2001
🢒
Astro - 2WD
🢒 Primary Air Delivery Controls - Mode and Air Temperature Actuators(Uplevel Pickup and All Utilities)
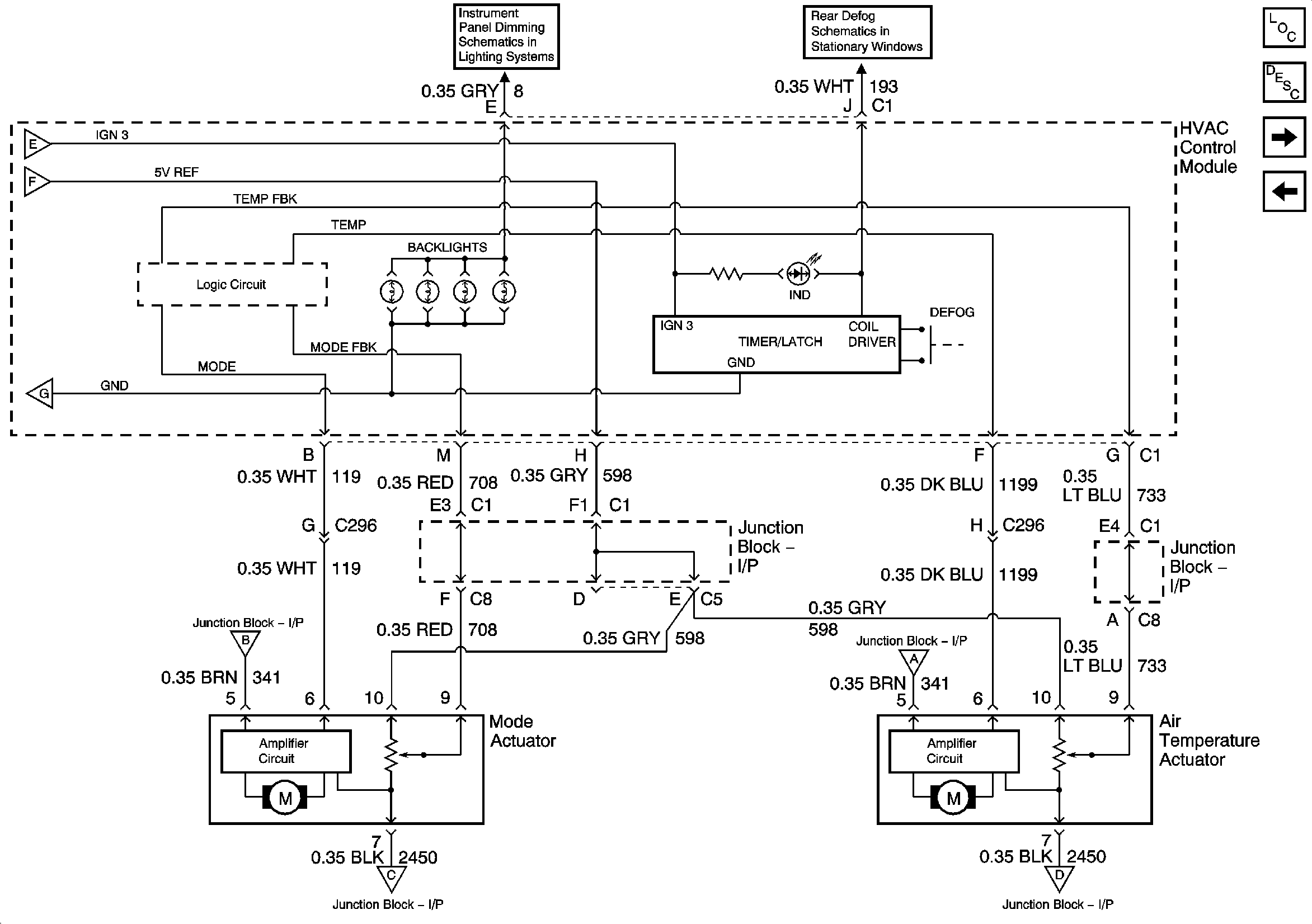
Primary Air Delivery Controls - Mode and Air Temperature Actuators(Uplevel Pickup and All Utilities)
Mode and Air Temperature Actuators (Uplevel Pickup and All Utilities)
Master Electrical Component List
Air Delivery Description and Operation
Primary Air Delivery Controls - Recirculation Actuator (Uplevel Pickup and All Utilities)
Interior Lights Dimming Schematics Utilities
Defogger Schematics Uplevel Pickup and Utilities
Primary Air Delivery Controls - Recirculation Actuator (Uplevel Pickup and All Utilities)
Primary Air Delivery Controls - Recirculation Actuator (Uplevel Pickup and All Utilities)
Primary Air Delivery Controls - Recirculation Actuator (Uplevel Pickup and All Utilities)
Primary Air Delivery Controls - Recirculation Actuator (Uplevel Pickup and All Utilities)
Primary Air Delivery Controls - Recirculation Actuator (Uplevel Pickup and All Utilities)
Primary Air Delivery Controls - Recirculation Actuator (Uplevel Pickup and All Utilities)
Primary Air Delivery Controls - Recirculation Actuator (Uplevel Pickup and All Utilities)