GM Service Manual Online
For 1990-2009 cars only
Makes
🢒
Chevrolet
🢒
2001
🢒
Astro - 2WD
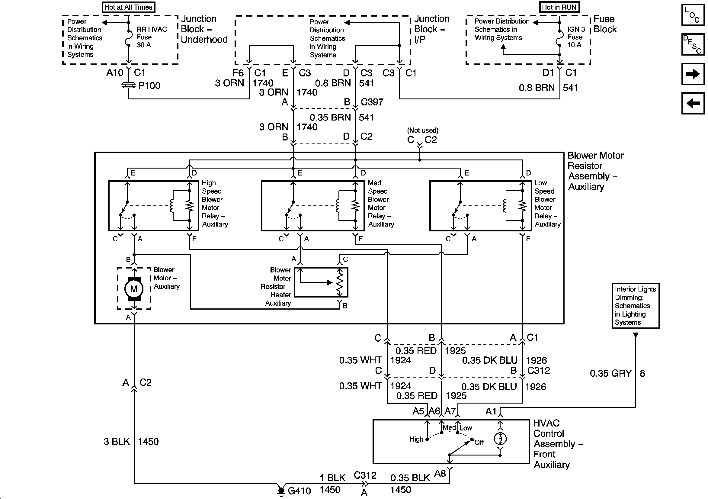
🢒 Auxiliary Blower Controls w/Sunroof (w/Heat or A/C only)
Auxiliary Blower Controls w/Sunroof (w/Heat or A/C only)
w/Sunroof (w/Heat or A/C only)
Master Electrical Component List
Air Delivery Description and Operation
Auxiliary Blower Controls w/Sunroof (w/ Heat and A/C)
Auxiliary Blower Controls - w/o Sunroof (Suburban/Yukon XL)
Interior Lights Dimming Schematics Utilities
Power Distribution Schematics
Power Distribution Schematics
Power Distribution Schematics